Сторінка 1 з 8
					
				Каталог схем трансиверів.
				Додано: Вів червня 20, 2023 7:38 pm
				 UR5VCP
				Друзі, буду помаленько викладати схеми трансиверів. Різні, всякі. Принцип пропоную простий:
- ніякого обговорення тут! Обговорювати тільки в інших або нових топіках!
- одне повідомлення - одна схема (ну вже якщо так картинок багато - то відповідно і заголовок повідомлення ч1 ч2 ч3)
- приєднуйтесь!
 
			 
			
					
				Re: Каталог схем трансиверів.
				Додано: Вів червня 20, 2023 7:39 pm
				 UR5VCP
				Почну з "невеличкого" архівчика від Андрія  
 
 
  
			
					
				Re: Каталог схем трансиверів.
				Додано: Вів червня 20, 2023 7:40 pm
				 UR5VCP
				
			 
			
					
				Re: Каталог схем трансиверів.
				Додано: Вів червня 20, 2023 7:40 pm
				 UR5VCP
				
			 
			
					
				Re: Каталог схем трансиверів.
				Додано: Вів червня 20, 2023 7:41 pm
				 UR5VCP
				
			 
			
					
				Re: Каталог схем трансиверів.
				Додано: Вів червня 20, 2023 7:42 pm
				 UR5VCP
				
			 
			
					
				Re: Каталог схем трансиверів.
				Додано: Вів червня 20, 2023 7:43 pm
				 UR5VCP
				
			 
			
					
				Re: Каталог схем трансиверів.
				Додано: Вів червня 20, 2023 7:44 pm
				 UR5VCP
				
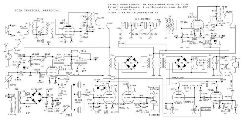
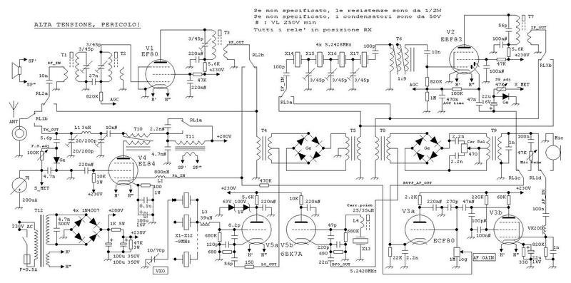
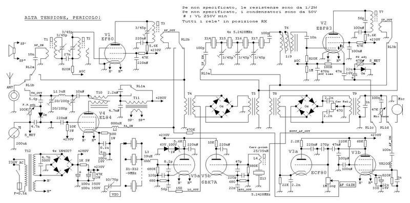
Це схема з Радіомір КВ/УКВ №10,11/2009 за авторством нібито RU6BK. Але якщо бути коректним то усе що зробив RU6BK - це зібрав чужу конструкцію на радянських лампах. В журналі він пише начебто переробив схему, але це не так. Ось оригінальна схема за авторства IW9HJV та IW9ARO
 
			
		
				
			 
- 5tube_trx.JPG (80.56 Кіб) Переглянуто 46588 разів
 
Посилання на оригінальну конструкцію 
			
					
				Re: Каталог схем трансиверів.
				Додано: Вів червня 20, 2023 7:45 pm
				 UR5VCP
				
			 
			
					
				Re: Каталог схем трансиверів.
				Додано: Вів червня 20, 2023 7:45 pm
				 UR5VCP