Сторінка 1 з 3
Приймач ATS-20+
Додано: П'ят березня 21, 2025 2:11 pm
Yurek
Друзі подарували мені приймач ATS-20+. На перший погляд це досить гарна іграшка для виїздів. Але перше ввімкнення геть розвіяло мої сподівання. Апарат приймає нормально лише ФМ та деякі станції в АМ. На аматорських діапазонах вдалося прийняти лише кілька станцій на фантомному рівні як у CW. так і в SSB. В мережі знайшов лише одне посилання на грунтовну переробку з заміною прошивки на сайті М. Хлюпіна RA4NAL. Вийти на цей сайт через VPN не зміг (всі програми встановлювалися, але не вмикалися).
Пропоную обговорити цей приймач при наявності позитивного досвіду та викладати можливі архівні матеріали.
Re: Приймач ATS-20+
Додано: Суб березня 22, 2025 12:31 am
Андрій_UR3ILF
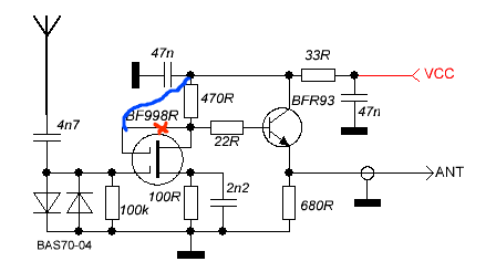
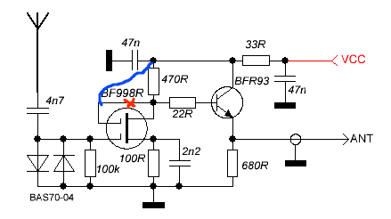
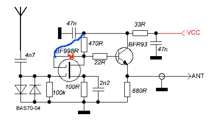
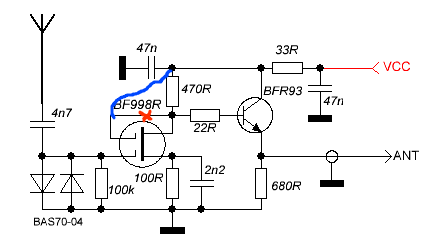
З таким підсилювачем працював в мене дуже непогано ATS20. В нього нема фiльтрiв з антени, а тi що поставили в плюс версiю звичайте г**но.
Так, він далеко не оптимальний, але прийом був гарним як для цього приймача на його телескопічку.
ANT до перемикача входiв.
Додав файлом те що ви не змогли подивитися.
Re: Приймач ATS-20+
Додано: Вів квітня 22, 2025 12:48 am
UR5VFT
Re: Приймач ATS-20+
Додано: Суб квітня 26, 2025 9:56 am
ur6ibx
Андрій_UR3ILF писав: ↑Суб березня 22, 2025 12:31 am
З таким підсилювачем працював в мене дуже непогано ATS20. В нього нема фiльтрiв з антени, а тi що поставили в плюс версiю звичайте г**но.
Так, він далеко не оптимальний, але прийом був гарним як для цього приймача на його телескопічку.
ANT до перемикача входiв.
Додав файлом те що ви не змогли подивитися.
Андрей! насколько я знаю этот преамп питается от 8 вольт . в ATS-20 питание 3.7 вольта. подойдет ли для него оно ?
Re: Приймач ATS-20+
Додано: Суб квітня 26, 2025 11:46 pm
Андрій_UR3ILF
Анатолiй Батькович я преамп за такою схемою застосовував ще у RX4735 а вже потiм в ATS-20.

Саме той АТS-20 що у мене був поїхав до Віталія з Червонобугрівки.
Відео як він працює з широкосмуговим преамп за наведеною схемою тут
https://youtu.be/-9RCdHXvt84
Ще з зими слухаю супергетеродин з живленням від одного літію. Розмір плати приймача 60х25мм. Преапм такий. Виконано на окремій платі. Жодних проблем з роботою немає. Та чому йому не працювати?
Re: Приймач ATS-20+
Додано: Нед квітня 27, 2025 8:56 am
UR5FFR
Я би другий затвор підключив до живлення а не до стоку. Так буде більше підсилення та менше спотворення.

- Screenshot_2025_04_27-1.png (13.06 Кіб) Переглянуто 54840 разів
Re: Приймач ATS-20+
Додано: Нед квітня 27, 2025 11:14 am
US5MSQ
Вітаю обох Андріїв. Трохи не так. Звичайно, підсилення буде трохи більше, оскільки трохи збільшиться струм стоку, але з відсутністю ООС (зі стоку на другий завтор) лінійність каскаду погіршиться і є велика ймовірність, що доведеться режим каскаду індивідуально підлаштовувати (підбирати стоковий резистор), тобто знизиться повторюваність.
Re: Приймач ATS-20+
Додано: Нед квітня 27, 2025 2:13 pm
UR5FFR
Сергію, мої вітання.
Це може б і працювало але в нас живлення надто низьке. Тому я вирішив перевірити


- photo_2025-04-27_13-57-40.jpg (82.07 Кіб) Переглянуто 54799 разів
В обох варіантах включення струм стоку майже однаковий. На резисторі в істоку 100ом падіння напруги 0,26в. На стоку напруга 2,36в. При підключенні другого затвору на сток напруга на ньому становить 2,37в - тобто ідея про стабілізацію режиму себе не підтверджує.
Далі подавав на вхід напругу (по першому затвору поставив 50ом щоб шкала виходу ГСС була правильна). На виході осцилограф через дільник 1:10. Ось такі цифри та графіки

- Screenshot_2025_04_27-2.png (32.88 Кіб) Переглянуто 54799 разів

- Screenshot_2025_04_27-3.png (23.06 Кіб) Переглянуто 54799 разів
Варіант без зворотного зв'язку має приблизно на 0,4дб більше підсилення. Його точка компресії десь на 3дб краща ніж у варіанті з негативним зворотнім зв'язком. Це також було видно по осцилографу - спотворення синусоїди наступали при більш високому рівні вхідного сигнала.
Версія з підключеним другим затвором до живлення має менші спотворення та більше підсилення чим версія з зворотнім зв'язком
PS трохи пізніше переміряю при 9в живлення - цікаво, можливо там буде якійсь виграш
Re: Приймач ATS-20+
Додано: Нед квітня 27, 2025 4:48 pm
Андрій_UR3ILF
Цiкаво а якщо замiсть резистора в стоцi поставити дроссель? При живленнi 3.6V.
Також ще вариант на перший затвор подати змiщення з истоку. Так при низькiй напрузi на другому затворi теж не погано.
Re: Приймач ATS-20+
Додано: Нед квітня 27, 2025 9:03 pm
UR5FFR
Переміряв при живлені 9в. Режим по постійному струму:
1) другий затвор під'єднано до стоку. на резисторі в істоку 0,44в, на стоку - 6,94
2) другий затвор - 9в. на резисторі в істоку 0,45в, на стоку - 6,84
Міська легенда про стабілізацію робочої точки не підтверджується - режим майже не змінюється.
Компресія. І знов версія без зворотного зв'язку випереджає. Не сильно но трохи є.
По підсиленню вона виграє приблизно 0,2-0,3дб.

- Screenshot_2025_04_27-6.png (33.81 Кіб) Переглянуто 54720 разів
Андрій_UR3ILF писав: ↑Нед квітня 27, 2025 4:48 pm
Цiкаво а якщо замiсть резистора в стоцi поставити дроссель? При живленнi 3.6V.
Також ще вариант на перший затвор подати змiщення з истоку. Так при низькiй напрузi на другому затворi теж не погано.
Наступний каскад безпосередньо зв'язаний з стоком. Треба буде ємність та дільник для напруги бази додавати.
Поставив дросель 100uH паралельно 470ом резистору у стоку. Підсилення збільшилося на 2дб. Але на ті ж самі 2дб зменшилась точка компресії по входу. Тобто компресія по виходу не змінилась, а по входу була розміняна на підсилення

- Screenshot_2025_04_27-4.png (36.03 Кіб) Переглянуто 54720 разів
PS макет розбираю бо нема часу бавитися з цим