Сторінка 8 з 10
					
				Re: Будуємо ламповий супер
				Додано: Сер грудня 21, 2022 2:06 pm
				 UR5FFR
				Тема не "заглохла" - потрохи коли є світло працюємо. Наступна версія схеми
Трохи змінився підхід до балансування першого змішувача. Уточнено деякі номінали.
Змінено топологію вхідних фільтрів для більшого придушення дзеркального каналу. Про це написав велику 
статтю з розглядом різноманітних схем високоомних фільтрів  та зробив у єкселі калькулятор для їх розрахунку.
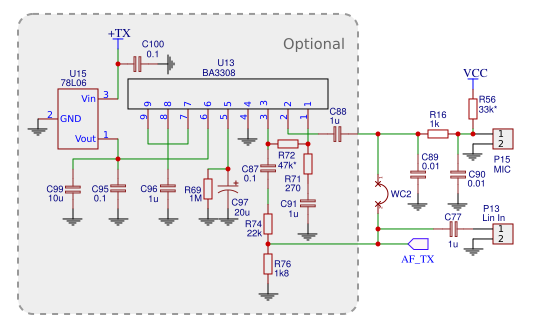
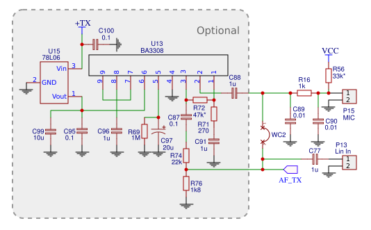
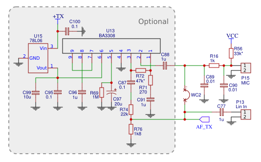
Стосовно мікрофонного підсилювача. Вхід змішувача високоомний. Можна використовувати BA3308 (один канал) у стандартній конфігурації.
Можна зробити на півпровідниках, наприклад ось так
Якщо треба зовсім по "феншую" то можна й на лампах 

			
		
				
			 
- mic amp tube.png (34.36 Кіб) Переглянуто 13754 разів
 6Н23П міняється на 6Н24П без зміни схеми та номіналів. Можна й 6Н1П/6Н3П застосувати але треба змінити номінали резисторів в катода та аноді.
На виході підсилювачів максимальна амплітуда не перевищує 0,5-0,7в. Тобто 1-1,4в пік/пік.
 
 
			
					
				Re: Будуємо ламповий супер
				Додано: Нед січня 08, 2023 2:19 pm
				 oldPsyho
				UR5FFR писав: ↑Сер грудня 21, 2022 2:06 pm
Тема не "заглохла" - потрохи коли є світло працюємо. Наступна версія схемиvalve_trx_v04.png
Трохи змінився підхід до балансування першого змішувача. Уточнено деякі номінали.
Змінено топологію вхідних фільтрів для більшого придушення дзеркального каналу. Про це написав велику 
статтю з розглядом різноманітних схем високоомних фільтрів  та зробив у єкселі калькулятор для їх розрахунку.
Стосовно мікрофонного підсилювача. Вхід змішувача високоомний. Можна використовувати BA3308 (один канал) у стандартній конфігурації.
Можна зробити на півпровідниках, наприклад ось такmic amp fet.pngЯкщо треба зовсім по "феншую" то можна й на лампах :)mic amp tube.png6Н23П міняється на 6Н24П без зміни схеми та номіналів. Можна й 6Н1П/6Н3П застосувати але треба змінити номінали резисторів в катода та аноді.
На виході підсилювачів максимальна амплітуда не перевищує 0,5-0,7в. Тобто 1-1,4в пік/пік.
 
 
 
Перечитав тему, незрозуміле узгодження QER КФ.
Щодо мікрофонного підсилювача... Чи є варіанти на біполярних транзисторах чи мікросхемі?
 
 
			
					
				Re: Будуємо ламповий супер
				Додано: Пон січня 09, 2023 5:41 pm
				 UR5FFR
				oldPsyho писав: ↑Нед січня 08, 2023 2:19 pm
Перечитав тему, незрозуміле узгодження QER КФ.
Щодо мікрофонного підсилювача... Чи є варіанти на біполярних транзисторах чи мікросхемі?
 
 
Узгодження КФ пізніше намалюю. Мікрофонний підсилювач можна на BA3308 зібрати наприклад ось так
			
		
				
			 
- BA3308 mic preamp with ALC.png (39.51 Кіб) Переглянуто 13646 разів
 
  
			
					
				Re: Будуємо ламповий супер
				Додано: Сер січня 18, 2023 6:14 am
				 UR5VFT
				Чому б не поставити дві 6П15П ? до 20вт можна буде зняти.
 - простіше застосувати одну 6п3с. ті ж 20 вт
- та ще одна ідея. застосувати в блоці живлення перероблений блок АТХ, в унч бачив і чув перешкод немає.а як на вч. хтось пробував?
 
			 
			
					
				Re: Будуємо ламповий супер
				Додано: Сер січня 18, 2023 10:12 am
				 oldPsyho
				UR5VFT писав: ↑Сер січня 18, 2023 6:14 am
Чому б не поставити дві 6П15П ? до 20вт можна буде зняти.
 - простіше застосувати одну 6п3с. ті ж 20 вт
- та ще одна ідея. застосувати в блоці живлення перероблений блок АТХ, в унч бачив і чув перешкод немає.а як на вч. хтось пробував?
 
 
 
У схемі і так стоїть дві 6П15П. А вище вже була відповідь на рахунок потужнішої лампи, коли я питав за ГУ-29.
 
 
			
					
				Re: Будуємо ламповий супер
				Додано: Сер січня 18, 2023 2:51 pm
				 UR5VFT
				у кого немає 6ф12 можуть застосувати 6ж53п і 6с3п .але у мене ефективне ару на тріоді не вийшло.
			 
			
					
				Re: Будуємо ламповий супер
				Додано: Сер січня 18, 2023 3:04 pm
				 UR5VFT
				і ще. якщо застосовувати транзистори. то напевно є сенс другі змішувачі зробити за гібридною схемою.
 - 
http://dpnwritings.nfshost.com/ej/hybrid_mixer/ 
			
					
				Re: Будуємо ламповий супер
				Додано: Сер січня 18, 2023 3:57 pm
				 oldPsyho
				UR5VFT писав: ↑Сер січня 18, 2023 2:51 pm
у кого немає 6ф12 можуть застосувати 6ж53п і 6с3п .але у мене ефективне ару на тріоді не вийшло.
 
 
А не 6Ж52П та 6Н23П ?
 
 
			
					
				Re: Будуємо ламповий супер
				Додано: Сер січня 18, 2023 5:47 pm
				 UR5VFT
				А не 6Ж52П та 6Н23П ?
 -ні сторінка 36 і ще ток накала 6п3с - 0.9 ам. а дві 6п15п 1.8 ам..
			 
			
					
				Re: Будуємо ламповий супер
				Додано: Сер січня 18, 2023 10:28 pm
				 UR5FFR
				UR5VFT писав: ↑Сер січня 18, 2023 2:51 pm
у кого немає 6ф12 можуть застосувати 6ж53п і 6с3п .але у мене ефективне ару на тріоді не вийшло.
 
6Ф12П не є якоюсь дуже дефіцитною лампою - аудіофілами вона не використовується 
 
UR5VFT писав:
ток накала 6п3с - 0.9 ам. а дві 6п15п 1.8 ам..
 
Це не так. 6П15П 760ма, дві - 1,5А
6П3С лампа аудіофільська та коштує зараз забагато - дешевше тоді вже 6П45С або ГУ29 ставити. Але це вже не QRP 
 
UR5VFT писав:
і ще. якщо застосовувати транзистори. то напевно є сенс другі змішувачі зробити за гібридною схемою.
 
Так, є така схемотехніка змішувачів коли у катоді стоїть транзистор. 2N7000 має дуже велику ємність затвор-стік. Тут на мій погляд краще будуть родити BF998 або якийсь NPN транзистор. Це трохи не по феншую, але коли почну макетувати то буду такий варіант теж випробувати