Сторінка 4 з 6
Вузли лампових схем
Додано: Суб червня 17, 2023 10:49 pm
UR5FFR
Принцип топіка - то же що в схемах трансиверів.
Не забуваємо - ніяких коментарів тут. Тут тільки бібліотека )
Re: Вузли лампових схем
Додано: Вів вересня 05, 2023 9:48 pm
Пенсіонер
Ще два варіанти каскоду на 6Н14П.
Re: Вузли лампових схем
Додано: Вів вересня 05, 2023 10:14 pm
Пенсіонер
Для поціновувачів екстриму - два каскода послідовно.
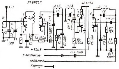
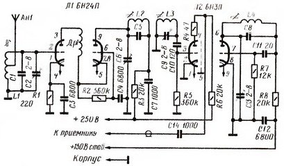
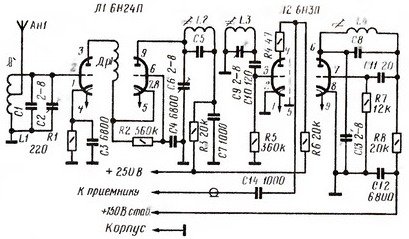
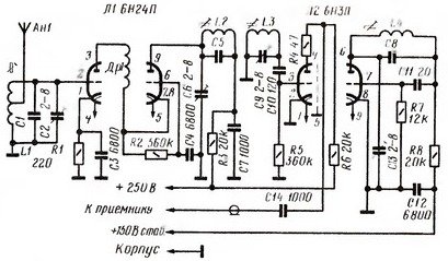
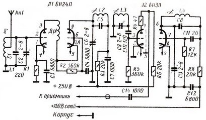
Re: Вузли лампових схем
Додано: Вів вересня 05, 2023 11:00 pm
Пенсіонер

- f.1974-09.023 1.jpg (30.87 Кіб) Переглянуто 153779 разів
Це конвертор на базі ПТК (Р №9-1974).
Re: Вузли лампових схем
Додано: Сер вересня 06, 2023 1:23 pm
UR5VFT
Гібрід та 6ж9п
Re: Вузли лампових схем
Додано: Суб вересня 09, 2023 11:33 pm
UR5VFT
- Mixer на октальних лампах 6н7-8-9 с
Re: Вузли лампових схем
Додано: Суб вересня 30, 2023 9:45 pm
UR5FFR
Простий фільтр для телеграфу

- af cw filter.png (182.14 Кіб) Переглянуто 153693 разів
Re: Вузли лампових схем
Додано: Сер жовтня 11, 2023 7:12 pm
UR5VFT
6ж2п, полоса по нч
Re: Вузли лампових схем
Додано: Нед жовтня 15, 2023 11:24 am
UR5VFT
можливе рерулювання як ару так і нч.
Re: Вузли лампових схем
Додано: Вів жовтня 17, 2023 8:42 pm
UR5VFT
СТАБ 300 в
Re: Вузли лампових схем
Додано: Чет листопада 16, 2023 10:28 pm
UR5VFT
г 807