Сторінка 4 з 12
					
				Re: Шанувальники лампових конструкцій.
				Додано: П'ят листопада 18, 2022 7:05 pm
				 Юрий
				Ось так. С30 це блоуюча емнiсть.
 
			 
			
					
				Re: Шанувальники лампових конструкцій.
				Додано: П'ят листопада 18, 2022 10:05 pm
				 oldPsyho
				Я ось подумав... Таким чином цей вузол реалізувати можна?
P.S. На рахунок комутації кіл з високим опором я думав... Але ж наприклад в MiniYES якраз в дпф така комутація... 50ом - 10кОм...
І ніхто на самозбудження не жалівся...
			 
			
					
				Re: Шанувальники лампових конструкцій.
				Додано: Суб листопада 19, 2022 3:07 pm
				 UR5FFR
				ДПФ - це одне. А от ось коли ви з допомогою реле будете робити реверсивний каскад то він може і завестися. Бо у реле ємність розімкнутих контактів може сягати декілька пф, що на частотах вище 10-15МГц  може суттєво впливати. Так що треба дивитися на схему та міркувати де воно може завестись
			 
			
					
				Re: Шанувальники лампових конструкцій.
				Додано: Суб листопада 19, 2022 11:25 pm
				 Юрий
				 Що б робило треба С30 перенести на праву сторону R15.
			 
			
					
				Re: Шанувальники лампових конструкцій.
				Додано: Вів листопада 22, 2022 10:48 pm
				 UR5FFR
				Юрий писав: ↑Нед листопада 13, 2022 8:14 pm

 Ось е ще такi схеми.
 
 
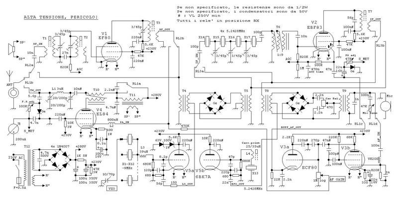
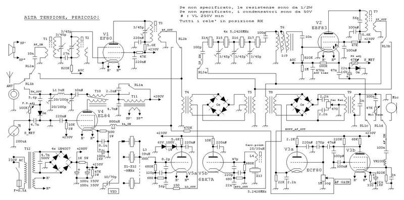
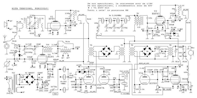
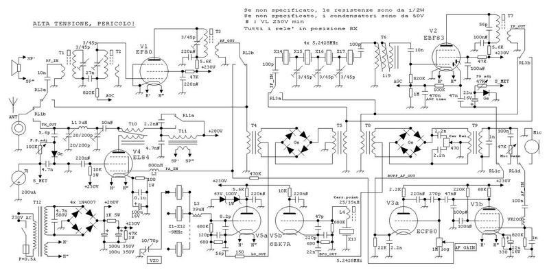
 Це схема з Радіомір КВ/УКВ №10,11/2009 за авторством нібито RU6BK. Але якщо бути коректним то усе що зробив RU6BK - це зібрав чужу конструкцію на радянських лампах. В журналі він пише начебто переробив схему, але це не так. Ось оригінальна схема за авторства IW9HJV та IW9ARO
			
		
				
			 
- 5tube_trx.JPG (80.6 Кіб) Переглянуто 13126 разів
 Я не бачу суттєвої переробки схеми 

 Бачу перемалювання 

На жаль сайт с оригінальною схемою зараз недоступний. Але його можна відкрити за допомогою "машини часу" за посиланням 
http://www.webalice.it/hotwater/rtx5x20.htm
 
 
 
  
			
					
				Re: Шанувальники лампових конструкцій.
				Додано: П'ят січня 20, 2023 12:05 pm
				 UR5FFR
				Велика добірка довідкової літератури по лампам та старих книг по радіоелектроніці
http://www.tubebooks.org/index.html 
			
					
				Re: Шанувальники лампових конструкцій.
				Додано: П'ят січня 20, 2023 12:39 pm
				 UR5VFT
				- Реальний ламповий трансівер із пч 45 мг нашого земляка з Дніпра зі схемами - 
http://www. 6p3s. ru/forum/index. php?showtopic=2788
 
			
					
				Re: Шанувальники лампових конструкцій.
				Додано: Чет лютого 09, 2023 12:10 am
				 UR5VFT
				
			 
			
					
				Re: Шанувальники лампових конструкцій.
				Додано: П'ят лютого 10, 2023 2:00 pm
				 UR5FFR
				UR5VFT писав: ↑Чет лютого 09, 2023 12:10 amпара схем 
 
Хотів вас спитати - навіщо ви пишете на кацапськом сікьюхаме? Ось ви спілкуєтесь з IG_58, лайкаєте його відповідь
А ось що він пише про нас
			
		
				
			 
- cqham_ig_58_2.png (121.39 Кіб) Переглянуто 12822 разів
 
І там таких кожен перший - вони усі довбануті на голову зі своїми імперськими амбіціями. Ось читайте 
http://www.ur5ffr.com/viewtopic.php?t=391
Вам не огидно з ними спілкуватися? Ви розумієте що вони на вас дивляться як на "нєдоразуменіе"?
Як взагалі можна спілкуватися з такими дегенератами, які радіють тому що їх армія вбиває мирне населення в Україні?
 
 
			
					
				Re: Шанувальники лампових конструкцій.
				Додано: П'ят лютого 10, 2023 6:58 pm
				 vasylll
				Там ще є один наш поц з Миколаїва. Кожен день там сидить, пише, спілкуєтся з ними. Кожен день Миколаїв потерпає,  ракетится від тих... а йому, як ні в чьому ...
Чи в него багато світла є, чи він глухонемий...  
Не розумію!