Шанувальники лампових конструкцій.

Відповісти
Віталій
Повідомлень: 7
З нами з: Сер жовтня 19, 2022 9:23 pm
Позивний: UR4UBQ
Has thanked: 1 time
Been thanked: 1 time

Шанувальники лампових конструкцій.

Повідомлення Віталій »

Доброго всім здоров*я! Хотілося б поспілкуватися з шанувальниками конструкцій на лампах, як то - регенератори і інші приймачі, передавачі, трансивери, різна лампова техніка. З повагою, Віталій,  UR4UBQ.
oldPsyho
Повідомлень: 635
З нами з: П'ят жовтня 14, 2022 4:13 pm
Звідки: KO40ig
Позивний: UR5XOU
Has thanked: 186 times
Been thanked: 70 times

Re: Шанувальники лампових конструкцій.

Повідомлення oldPsyho »

Я - за))
oldPsyho
Повідомлень: 635
З нами з: П'ят жовтня 14, 2022 4:13 pm
Звідки: KO40ig
Позивний: UR5XOU
Has thanked: 186 times
Been thanked: 70 times

Re: Шанувальники лампових конструкцій.

Повідомлення oldPsyho »

Давайте розпочинати.
Маю намір зібрати Ангор 73. Є що по ньому порадити?
Віталій
Повідомлень: 7
З нами з: Сер жовтня 19, 2022 9:23 pm
Позивний: UR4UBQ
Has thanked: 1 time
Been thanked: 1 time

Re: Шанувальники лампових конструкцій.

Повідомлення Віталій »

Теж лежить плата, збирався зкладати, війна перешкодила. Поради лише які сам чув від тих хто збирали, у когось пішов без проблем, хтось трохи возився щоб налаштувати, іноді трохи мороки надає УПЧ - він з сітковим детектором, важко налаштувати. ГПД чи ГЗД)) теж бажано виконати на окремій лампі, звісно що зміниться монтаж. Отаке, а в мене давня мрія зібрати *Трансивер начинающего коротковолновика* з журналу *Радио* якогось 70-го  року, UA3RR, в мережі є схема. на 8 лампах, але конструкція невелика, автор в корпусі від РБМ зібрав, схема не складна. Якось так), 73!
oldPsyho
Повідомлень: 635
З нами з: П'ят жовтня 14, 2022 4:13 pm
Звідки: KO40ig
Позивний: UR5XOU
Has thanked: 186 times
Been thanked: 70 times

Re: Шанувальники лампових конструкцій.

Повідомлення oldPsyho »

Віталій писав: Нед жовтня 23, 2022 9:25 pm Теж лежить плата, збирався зкладати, війна перешкодила. Поради лише які сам чув від тих хто збирали, у когось пішов без проблем, хтось трохи возився щоб налаштувати, іноді трохи мороки надає УПЧ - він з сітковим детектором, важко налаштувати. ГПД чи ГЗД)) теж бажано виконати на окремій лампі, звісно що зміниться монтаж. Отаке, а в мене давня мрія зібрати *Трансивер начинающего коротковолновика* з журналу *Радио* якогось 70-го  року, UA3RR, в мережі є схема. на 8 лампах, але конструкція невелика, автор в корпусі від РБМ зібрав, схема не складна. Якось так), 73!

 
Проблеми Ангора якраз легко вирішуються. Достатньо стабілізувати йому анодні напруги, і проблема з УПЧ зникне. ГПД звісно окремим блочком на 6Н23П, та й ОГ можна транзисторний... в УВЧ половинку 6Ф1П замінити наприклад на 6Ж38П, та й УНЧ у нього досить важкий у виготовленні... Так що трошки поліпшити конструкцію можна...
Віталій
Повідомлень: 7
З нами з: Сер жовтня 19, 2022 9:23 pm
Позивний: UR4UBQ
Has thanked: 1 time
Been thanked: 1 time

Re: Шанувальники лампових конструкцій.

Повідомлення Віталій »

Думаю, що цеї зими продовжу збирати трансивер, аби якщо, не дай Бог щось зашкодить.
Oлександр UR3LDO
Повідомлень: 7
З нами з: Сер вересня 14, 2022 7:38 pm
Позивний: UR3LDO

Re: Шанувальники лампових конструкцій.

Повідомлення Oлександр UR3LDO »

Мій самий перший ламповий (точніше - лампово - напівпровідниковий) трансивер   був апарат Погосова. Реально класний трансивер. Але тільки після того, як був зроблений окремий балансний модулятор та "мікрофонник" :) . Змішувач був на КТ3107, ПНЧ на приймання - рідний. Здивував практично відсутній шум приймача, через перенесення основного підсилення на ПНЧ.
Перші зв'язки на 5 Вт та LW...  
Щодо Ангора - не робоив, хоча було бажання. Багато хто жалівся. що виникали ускладнення через схемне рішення ППЧ - каскад заводився.
 
Віталій
Повідомлень: 7
З нами з: Сер жовтня 19, 2022 9:23 pm
Позивний: UR4UBQ
Has thanked: 1 time
Been thanked: 1 time

Re: Шанувальники лампових конструкцій.

Повідомлення Віталій »

*Погосова* почав був робити давно, років більше десяти тому, зібрав плату, не було лише ЕМФ, довго вона лежала, потім віддав Петру-радисту з УР8ЛЖ для дітей щоб передав, на гурток. Теж багато думок про цей трансивер було в мережі, дехто гидив за схемотехніку, хтось зміг зробити і *запустити*, теж як і з *Ангор*ом.
Юрий
Повідомлень: 71
З нами з: Нед листопада 13, 2022 8:03 pm
Been thanked: 8 times

Re: Шанувальники лампових конструкцій.

Повідомлення Юрий »

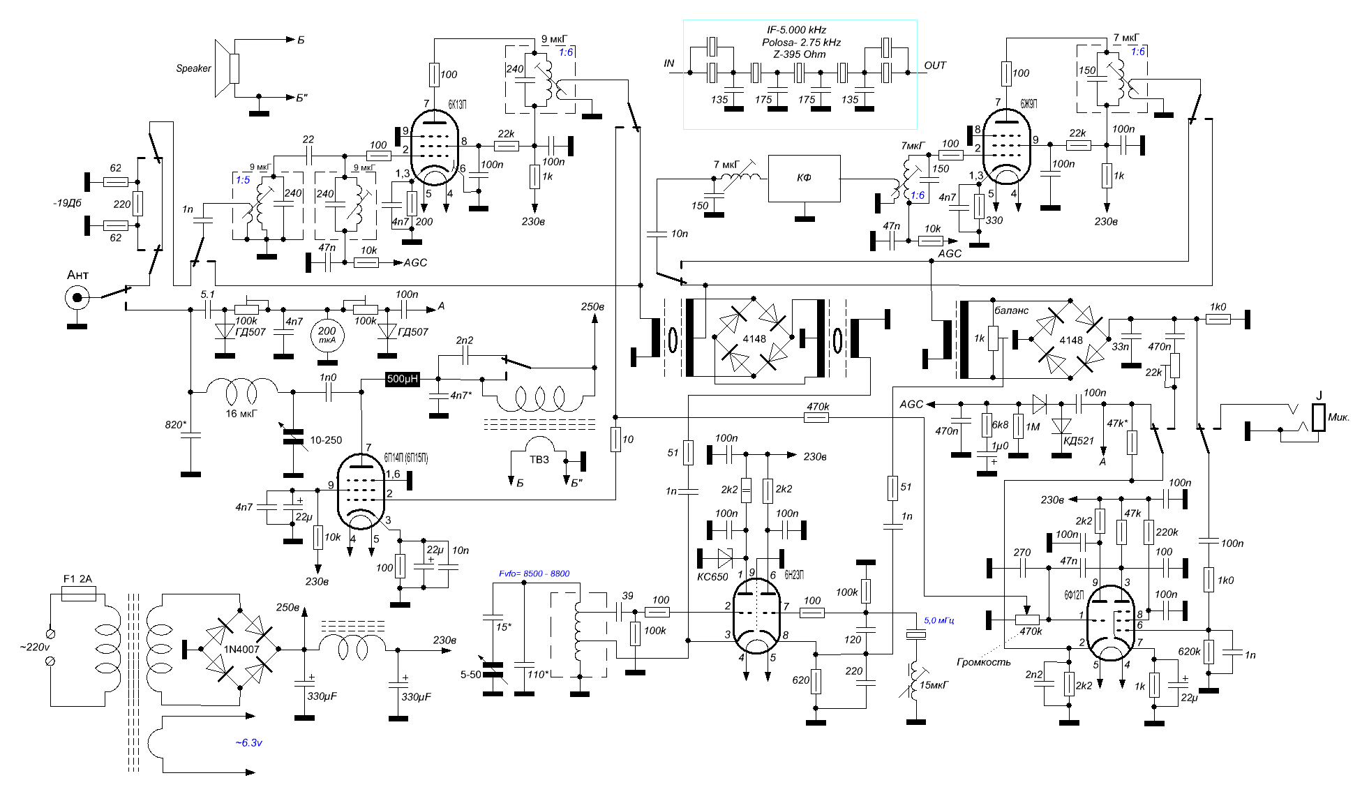
7419_1241240741.gif_163.gif
 
^768F724F90008268DF847CAA43852090EF076E359A5D48E559^pimgpsh_fullsize_distr.jpg
 Ось е ще такi схеми.
 
oldPsyho
Повідомлень: 635
З нами з: П'ят жовтня 14, 2022 4:13 pm
Звідки: KO40ig
Позивний: UR5XOU
Has thanked: 186 times
Been thanked: 70 times

Re: Шанувальники лампових конструкцій.

Повідомлення oldPsyho »

Перша схема це конструкція RU6BK. Описана на cqham і в якомусь номері Радіолюбітеля. Цікава конструкція, але є у неї проблеми. Про другу нічого не скажу...
Відповісти