Сторінка 3 з 5
Re: Високовольтний блок живлення SG3525+IR2110
Додано: Вів березня 04, 2025 12:31 pm
sirop
схему відновив.
Все просто і зрозуміло.
те що в червоному прямоугольнику на платі не реалізовано, планую робити окремо на маленькій платі.
Пока не давав бельше 190в, на виході теж не більше 900-1000в , бішу напругу нема чим мірять, мультиметр тільки до 1000в , і то єле знайшов, нада шось придумать.
При перших запусках були незрозумілі проблеми - в мості попався неправильний діод (SF38). Знайшов тільки коли випаяв всі по одному виводу і підключав по черзі. Притому воно не коротке було, а при напрузі більше десь 50в діод закорочувався накоротко. Ось і думаю, нада робить розрив по одному виводу на кожній обмотці, щоб можна було відулючити канал. Та і щось типу вхідного контролю для діодів.
Re: Високовольтний блок живлення SG3525+IR2110
Додано: Вів березня 04, 2025 12:49 pm
sirop
силовий трансформатор розраховував так :
може щось не правильно, але пока зауважень не виявлено. Так ще і штатного режиму не досягнуто.
По результатам виготовлення транса прийшов до висновку, шо краще для первічки використовувати провода багатожильні мідні, емальовані (літцендрати). Вони більш гнучкі, за звичай кілька проводів десь діаметром 0.1мм, в наружній ізоляції лавсаном. Для первічки достатньо брати літцендрат з 120 проводами, там його нада приблизно 2м, вага 2х метрів 20гр, ціна грама 0.05, все приблизно. А ось намотать 20 витків провода 0.8мм в три-чотири жили - той ще квест.
Re: Високовольтний блок живлення SG3525+IR2110
Додано: Вів березня 04, 2025 1:11 pm
sirop
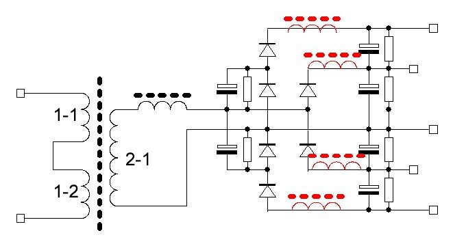
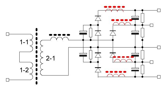
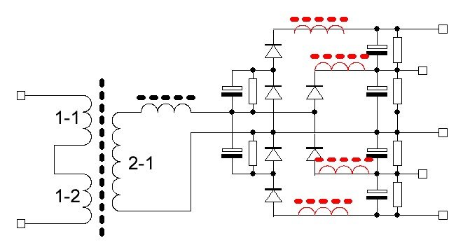
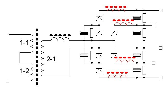
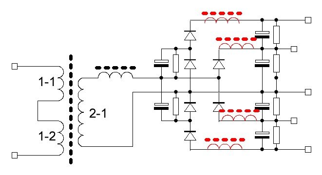
як альтернативу розглядаю ще такий варіант вихідного блока.
Діоди SF58 або HER508, електролітичні конденсатори 20-50 мкф (треба перевірити).
Трохи не зрозуміло про місце установки дросселя, там де на схемі дроссель чорний - може й не правильно, правильніше там де червоні дросселі. Але їх тоді потрібно 4шт, і вони будуть не маленькі, це розпилене залізо або альсифер, з діаметром 25мм і сотнею витків првода 0.5, шось такого типу.

- высоковольный ИП 3525+2110 2.JPG (32.91 Кіб) Переглянуто 43844 разів
Re: Високовольтний блок живлення SG3525+IR2110
Додано: Вів березня 04, 2025 5:40 pm
Freddy
Задайте 7 ампер , все одно без обдуву не обійтися. Замість 0.8 візьміт 0.5. Нормально він мотається . Я на кільце мотав 6х0.5 і нормально . Літцендрат на такі частоти не треба а от 0.8 це вже межа . Скін ефект ніхто не відміняв .
Re: Високовольтний блок живлення SG3525+IR2110
Додано: Вів березня 04, 2025 9:42 pm
oldPsyho
sirop писав: ↑Вів березня 04, 2025 12:31 pm
схему відновив.
Все просто і зрозуміло.высоковольный ИП 3525+2110.JPG
те що в червоному прямоугольнику на платі не реалізовано, планую робити окремо на маленькій платі.
Пока не давав бельше 190в, на виході теж не більше 900-1000в , бішу напругу нема чим мірять, мультиметр тільки до 1000в , і то єле знайшов, нада шось придумать.
При перших запусках були незрозумілі проблеми - в мості попався неправильний діод (SF38). Знайшов тільки коли випаяв всі по одному виводу і підключав по черзі. Притому воно не коротке було, а при напрузі більше десь 50в діод закорочувався накоротко. Ось і думаю, нада робить розрив по одному виводу на кожній обмотці, щоб можна було відулючити канал. Та і щось типу вхідного контролю для діодів.
Те що в червоному прямокутнику треба зробить, без нього запускати не варто. То захист від перенавантаження, і якщо не помиляюсь, ще й захист від КЗ.
Re: Високовольтний блок живлення SG3525+IR2110
Додано: Вів березня 04, 2025 9:51 pm
Freddy
Контроль струму в первиному колі , як захист від кз також може спрацювати але не факт
Re: Високовольтний блок живлення SG3525+IR2110
Додано: Сер березня 05, 2025 12:31 pm
sirop
Так то і єсть захист по струму. Напруга на резисторі 22 пропорційна току, з резистору 24 подається на вивод 10 шим мс 3525. Коли ця напруга перевищить 0.5в шим контроллер зупиниться. Вже не пам'ятаю чого я не зробив цю частину відразу.
Значення можна прикинути так: - в скільки разів вторичка трансформатора току має бульше витків, в стільки разів ток нагрузочного резистору менше за струм через виток. Наприклад, вики 1:100, ток первички 10А, значить ток через резистор 22 10:100=0.1А опір резистору 100 ом значить 100 х 0.1 = 10в, напруга на резисторі буде половина, тому що відносно загального провода там половина, ну, ще мінус падіння на діодах.
Re: Високовольтний блок живлення SG3525+IR2110
Додано: Сер березня 05, 2025 1:09 pm
oldPsyho
sirop писав: ↑Сер березня 05, 2025 12:31 pm
Так то і єсть захист по струму. Напруга на резисторі 22 пропорційна току, з резистору 24 подається на вивод 10 шим мс 3525. Коли ця напруга перевищить 0.5в шим контроллер зупиниться. Вже не пам'ятаю чого я не зробив цю частину відразу.
Значення можна прикинути так: - в скільки разів вторичка трансформатора току має бульше витків, в стільки разів ток нагрузочного резистору менше за струм через виток. Наприклад, вики 1:100, ток первички 10А, значить ток через резистор 22 10:100=0.1А опір резистору 100 ом значить 100 х 0.1 = 10в, напруга на резисторі буде половина, тому що відносно загального провода там половина, ну, ще мінус падіння на діодах.
Мається на увазі, що такий захист від КЗ може не вспіти спрацювати.
Re: Високовольтний блок живлення SG3525+IR2110
Додано: Суб березня 08, 2025 7:11 pm
Freddy
Плюси флая в тому що він не боїться кз . Бо передача енергії в навантаження відбувається тоді коли транзистор вимкнено
Re: Високовольтний блок живлення SG3525+IR2110
Додано: Нед березня 09, 2025 1:35 pm
sirop
та да. Флайбаки більш стійкі до перегрузок.
Із поганого про флайбака:
- напруга на діоді в 4-5 раз більша за напругу на виході
- ток діодів в 4-5 раз вищий за вихідний
- треба вміти правильно розрахувати зазор в магнітопроводі, або використовувати магнітопровод з розподіленим зазором, залізний порошок або альсифер (сендаст).
- незрозуміло як воно буде працювати із змінною нагрузкою.
Якось в мене не зрослась дружба з флайбаком, років більше 20 назад пробував, залишились неприємні відчуття, правда, тоді другі часи були. Все друге було...
Може варто попробувать, але це вже в другій темі.