Сторінка 12 з 12
Re: Шанувальники лампових конструкцій.
Додано: Пон лютого 19, 2024 1:25 pm
ur5ffc
twskm писав: ↑Нед лютого 18, 2024 8:05 pm
Більше нема ніяких схем?
а яка зараз?
Re: Шанувальники лампових конструкцій.
Додано: Пон лютого 19, 2024 4:58 pm
twskm
Поки немає ніякої, не визначився. 1П24Б немає, на нувісторах теж не бачив ват на 1-2-3.
Просто вихід змішувача.
Re: Шанувальники лампових конструкцій.
Додано: Нед лютого 25, 2024 11:01 am
ur5ffc
ur5ffc писав: ↑П'ят лютого 16, 2024 9:43 am
... ні Ваших опусів по діодних змішувачах.
(До речі знайомий про виміри Вашого змішувача на форумі Ігоря) зараз застосовую тільки для змішувача ключі.
не зрозумів про що йдеться.
може надасте якесь посилання? дякую.
все ще чекаю на відповідь. дякую.
Re: Шанувальники лампових конструкцій.
Додано: Чет березня 20, 2025 1:06 pm
Maksym
UR5FFR писав: ↑Вів листопада 22, 2022 10:48 pm
Юрий писав: ↑Нед листопада 13, 2022 8:14 pm

Ось е ще такi схеми.
Це схема з Радіомір КВ/УКВ №10,11/2009 за авторством нібито RU6BK. Але якщо бути коректним то усе що зробив RU6BK - це зібрав чужу конструкцію на радянських лампах. В журналі він пише начебто переробив схему, але це не так. Ось оригінальна схема за авторства IW9HJV та IW9ARO5tube_trx.JPGЯ не бачу суттєвої переробки схеми

Бачу перемалювання

На жаль сайт с оригінальною схемою зараз недоступний. Але його можна відкрити за допомогою "машини часу" за посиланням
http://www.webalice.it/hotwater/rtx5x20.htm
Вітаю. Є бажання зібрати дану схему, для КФ є кварци 5,25 МГц. Підкажіть, будь ласка, що потрібно змінити(окрім ГПД і опорного генератора) щоб використати КФ із кварцами 5,25 МГц?
Re: Шанувальники лампових конструкцій.
Додано: Чет березня 20, 2025 2:35 pm
oldPsyho
Maksym писав: ↑Чет березня 20, 2025 1:06 pm
UR5FFR писав: ↑Вів листопада 22, 2022 10:48 pm
Юрий писав: ↑Нед листопада 13, 2022 8:14 pm

Ось е ще такi схеми.
Це схема з Радіомір КВ/УКВ №10,11/2009 за авторством нібито RU6BK. Але якщо бути коректним то усе що зробив RU6BK - це зібрав чужу конструкцію на радянських лампах. В журналі він пише начебто переробив схему, але це не так. Ось оригінальна схема за авторства IW9HJV та IW9ARO5tube_trx.JPGЯ не бачу суттєвої переробки схеми

Бачу перемалювання

На жаль сайт с оригінальною схемою зараз недоступний. Але його можна відкрити за допомогою "машини часу" за посиланням
http://www.webalice.it/hotwater/rtx5x20.htm
Вітаю. Є бажання зібрати дану схему, для КФ є кварци 5,25 МГц. Підкажіть, будь ласка, що потрібно змінити(окрім ГПД і опорного генератора) щоб використати КФ із кварцами 5,25 МГц?
Нічого, на кацапському форумі є ця схема як з 5мгц, так і з 5.25. На скільки я пам'ятаю, там навіть номінали узгодження однакові.
Re: Шанувальники лампових конструкцій.
Додано: Чет березня 20, 2025 4:08 pm
UR5FFR
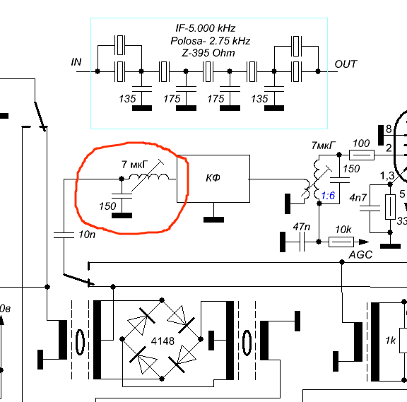
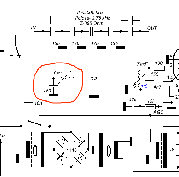
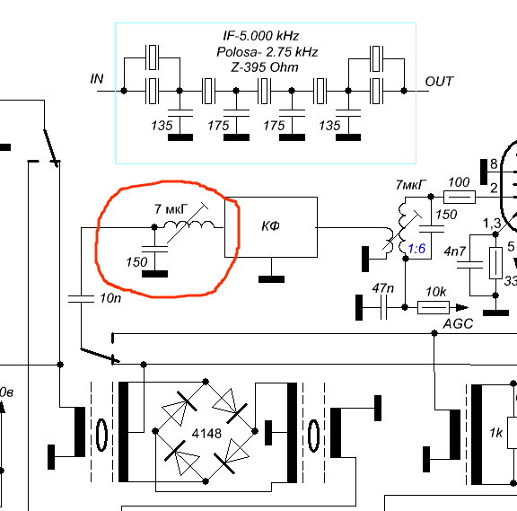
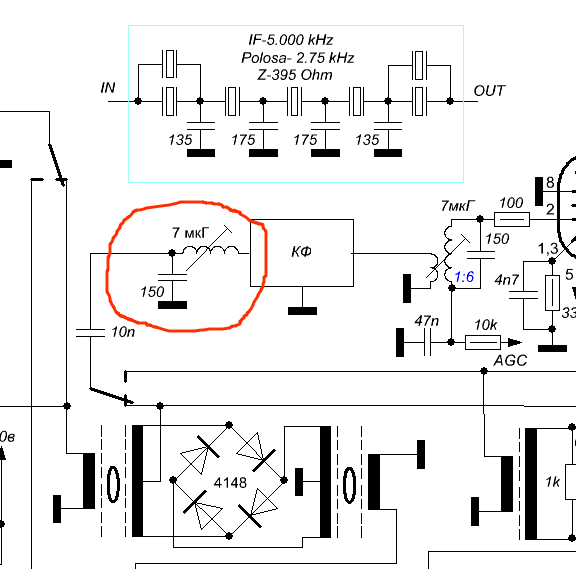
Фільтр тут дуже простий на мій погляд. Я б поставив 10 кристалів - буде краще пригнічувати бокову.
Далі - збираємо фільтр, підбираємо ємності щоб отримати бажану смугу та вимірюємо імпеданс при якому фільтр буде мати найменшу нерівномірність у смузі пропускання.
Важливо - у схемі є помилка. Ємність повинна бути між котушкою та фільтром, тому що імпеданс фільтра на схемі 395ом, а на діодні змішувачі повинно підводитися низькоомне навантаження

- Screenshot_2025_03_20-1.png (35.77 Кіб) Переглянуто 48709 разів
Якщо в rfsimm99 порахувати ланцюг узгодження то для ємності 150пф та імпедансу 395ом виходить таке

- Screenshot_2025_03_20-2.png (9.19 Кіб) Переглянуто 48709 разів
Для нашого фільтру ставимо зліва Г-образний ланцюг узгодження (ємністю до фільтру!!!) щоб отримати 50-80ом.
З іншої сторони фільтр навантажено на контур 7uH*+150pF через котушку зв'язку 1:6, тобто його імпеданс 395*6*6=14к. Перераховуємо кількість витків як корінь з співвідношення імпедансів.
Тобто наприклад у нас є фільтр с опором 560ом (реальний кейс). Зліва Г-ланцюг 5uH+180pF

- Screenshot_2025_03_20-3.png (9.02 Кіб) Переглянуто 48709 разів
Праворуч корінь(14000/560) = 5. Тобто співвідношення витків повинно бути 1:5
PS До речі ось оригінальна схема цього трансиверу
http://web.archive.org/web/201906251925 ... tx5x20.htm але там узгодження фільтру взагалі відсутнє