Сторінка 2 з 6
Вузли лампових схем
Додано: Суб червня 17, 2023 10:49 pm
UR5FFR
Принцип топіка - то же що в схемах трансиверів.
Не забуваємо - ніяких коментарів тут. Тут тільки бібліотека )
Re: Вузли та блоки трансиверів
Додано: Вів червня 20, 2023 8:32 pm
UR5VCP
Re: Вузли та блоки трансиверів
Додано: Вів червня 20, 2023 8:35 pm
UR5VCP
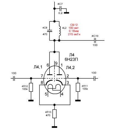
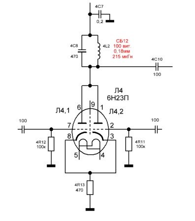
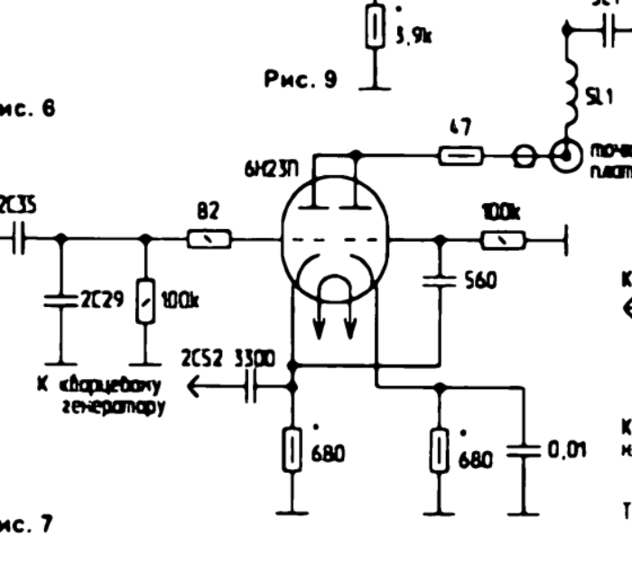
Пакетик з міксерами:

- Квазибалансный смеситель 6Н23П.jpg (31.51 Кіб) Переглянуто 143710 разів
Re: Вузли та блоки трансиверів
Додано: Вів червня 20, 2023 8:37 pm
UR5VCP
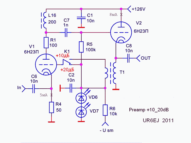
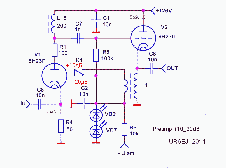
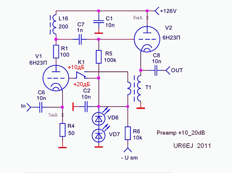
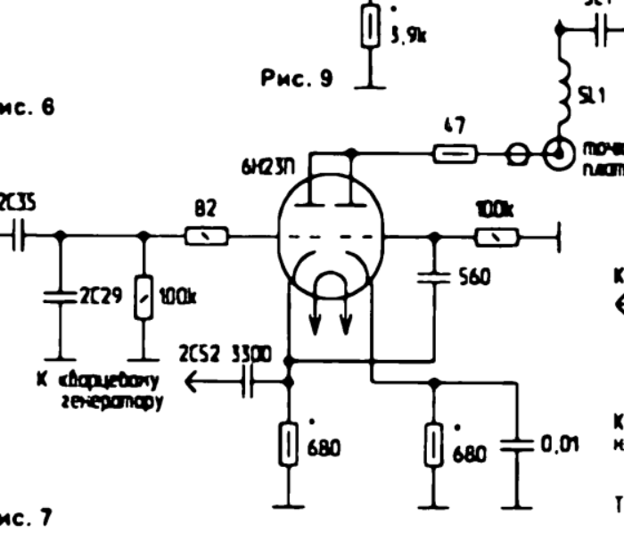
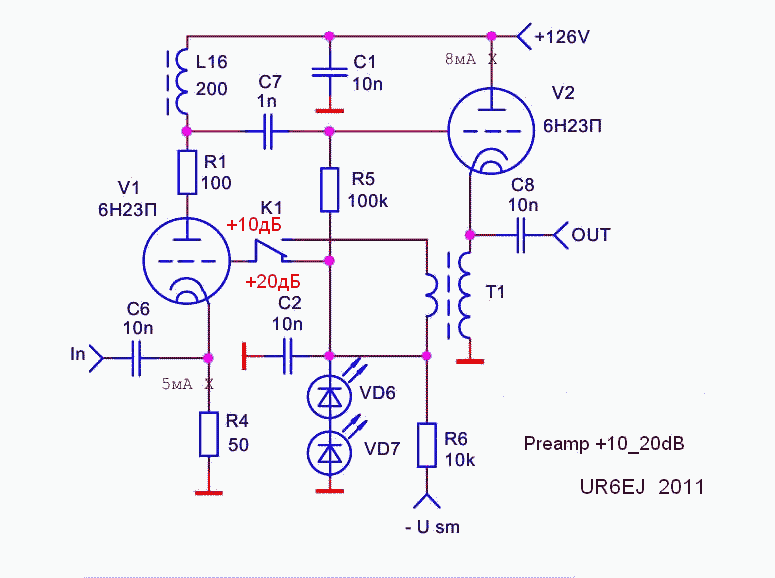
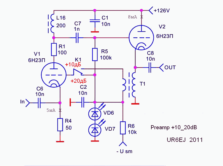
ПВЧ:

- УВЧ UR6EJ.gif (17.61 Кіб) Переглянуто 143708 разів
і архів:
Re: Вузли лампових схем
Додано: Вів червня 20, 2023 8:42 pm
UR5VCP
Re: Вузли лампових схем
Додано: Вів червня 20, 2023 8:45 pm
UR5VCP
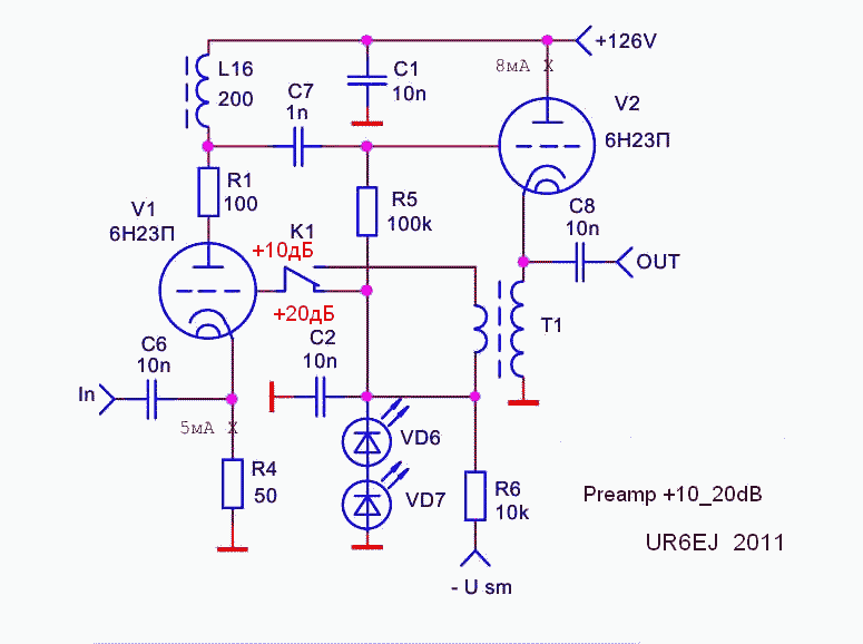
АРУ в третю сітку на пентодах 6Ж2П, 6Ж10П
Приклад реалізації
Re: Вузли лампових схем
Додано: П'ят червня 23, 2023 9:05 pm
UR5VFT
коли немає обмотки. а потрібен мінус.
Re: Вузли лампових схем
Додано: Суб липня 01, 2023 6:08 pm
UR5VFT
- два в одному..
Re: Вузли лампових схем
Додано: Сер липня 19, 2023 7:44 pm
UR5FFR
Змішувачі

- Смеситель FET ООС 2.jpg (123.4 Кіб) Переглянуто 143548 разів

- Смеситель 6Н23П Bun 1.png (91.67 Кіб) Переглянуто 143548 разів
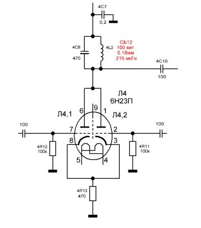
Квазібалансний на подвійному тріоді

- Квазибалансный смеситель 6Н23П 2.jpg (18.46 Кіб) Переглянуто 143548 разів
Re: Вузли лампових схем
Додано: Сер липня 19, 2023 7:47 pm
UR5FFR
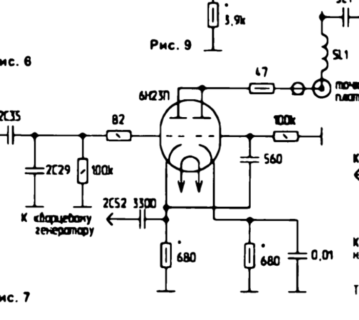
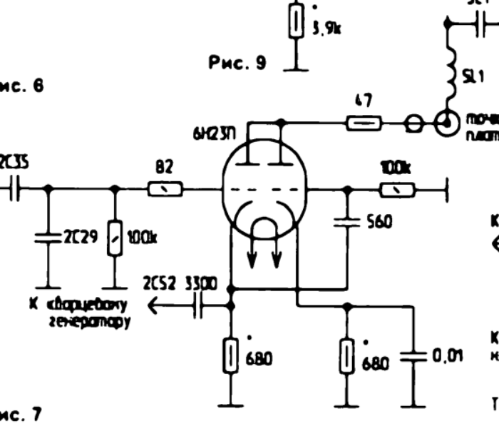
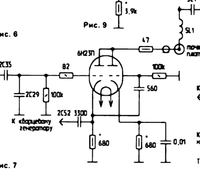
Каскодний ППЧ на 6Ф12П.
Не зовсім зрозуміло навіщо робити каскод з пентодом, бо він і так має малу прохідну ємність. Зазвичай каскоди роблять з тріодів для великого підсилення на ВЧ, а пентод сам по собі вже є "каскодом".
Re: Вузли лампових схем
Додано: Сер липня 19, 2023 9:07 pm
Пенсіонер