Трансивер на надмініатюрних лампах
-
UR5VCP
- Повідомлень: 447
- З нами з: Пон вересня 12, 2022 6:14 pm
- Звідки: KN48wi
- Позивний: UR5VCP
- Has thanked: 83 times
- Been thanked: 9 times
- Контактна інформація:
Трансивер на надмініатюрних лампах
Оскільки робота з ГСС вже майже закінчена (з деяких причин трішки затягується, але не надовго), маю намір найближчим часом зібрати ламповий апарат. Транзистори і синтезатори вже трошки приїлося.
Отже, виходжу з наступного:
- я страшно ліниве створіння, і робити нормальне шасі під пальчикові або октальні лампи я не буду.
- основна мета - просто порозважатися, отримати досвід в роботі з радіолампами
- ну і звісно - радіоаматорство - то є творчість, чому б і да?
Відповідно я собі бачу наступну конструкцію:
- лампи виключно надмініатюрні, або нувистори, або лампи з накалом 6 вольт, не стерженькові (в них параметри ну ніяк)
- модульна конструкція, кожен блок в вигляді функціонально закінченого модуля.
- все "житиме" на основній платі, з можливістю легкої модифікації і зміни схеми.
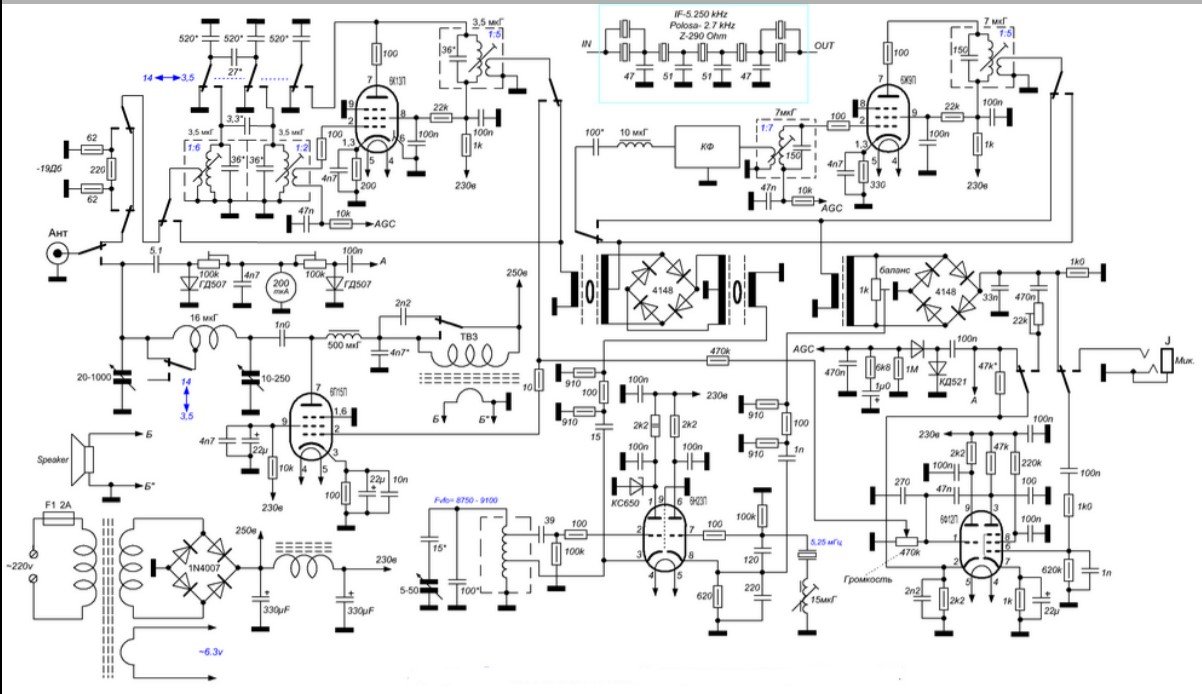
Окрім "Альбатроса" придивився наступну схему: Хотів би почути думку колег, якщо розбити схему на блоки, звісно УНЧ та УМ розділити, УМ зробити двотактним, ну там ще деякі зміни внести можна, варто звертати увагу?
А також, які аналоги з надмініатюрних ламп існують в природі до вказаних на схемі?
Особливо цікавить чи є в природі аналог 6К13П.
Не ставлю за мету зібрати новий УВ3ДІ, все простіше, просто поекспериментувати та послухати "теплий ламповий звук" ))) (Я вже забув як "Крот" звучить... або УВ3ДІ).
Отже, виходжу з наступного:
- я страшно ліниве створіння, і робити нормальне шасі під пальчикові або октальні лампи я не буду.
- основна мета - просто порозважатися, отримати досвід в роботі з радіолампами
- ну і звісно - радіоаматорство - то є творчість, чому б і да?
Відповідно я собі бачу наступну конструкцію:
- лампи виключно надмініатюрні, або нувистори, або лампи з накалом 6 вольт, не стерженькові (в них параметри ну ніяк)
- модульна конструкція, кожен блок в вигляді функціонально закінченого модуля.
- все "житиме" на основній платі, з можливістю легкої модифікації і зміни схеми.
Окрім "Альбатроса" придивився наступну схему: Хотів би почути думку колег, якщо розбити схему на блоки, звісно УНЧ та УМ розділити, УМ зробити двотактним, ну там ще деякі зміни внести можна, варто звертати увагу?
А також, які аналоги з надмініатюрних ламп існують в природі до вказаних на схемі?
Особливо цікавить чи є в природі аналог 6К13П.
Не ставлю за мету зібрати новий УВ3ДІ, все простіше, просто поекспериментувати та послухати "теплий ламповий звук" ))) (Я вже забув як "Крот" звучить... або УВ3ДІ).
-
UR5FFR
- Повідомлень: 1355
- З нами з: Пон вересня 12, 2022 4:04 pm
- Has thanked: 120 times
- Been thanked: 756 times
Re: Трансивер на надмініатюрних лампах
Ця схема вже обговорювалась на форумі. Ось оригінальна схема від IW9HJV та IW9AROПосилання на оригінальна схема. Там є багато інформації та параметри.
Блокування теж фігове. -50..-46дбм це десь 0,5..1мв, або S9+20..S9+30. Тобто приймач буде затикатися якщо на діапазоні є потужна станція
На мій погляд 64дб динамічного діапазону по imd це дуже замало. 64дб означає що два сигнали з рівнем на 64дб більш ніж noise floor будуть створювати завади прийманню на рівні noise floor. А щоб ті ці завади почув з S+N/N=10дб то рівень буде на 3-4дб більший. -66дбм+3дб=-63дбм~=145мкв=S9+10дб.Noise Floor: ~70nV (-130dBm)@3dB S+N/N
Sensitivity: 0.14uV (-124dBm)@10dB S+N/N
Blocking (deltaF=±50KHz): -46dBm
Blocking (deltaF=±10KHz): -50dBm
3rd order IMD (deltaF=±25KHz): -66dBm
3rd order IMD (deltaF=±100KHz): -66dBm
IMD dynamic range: 64dB
Calculated IPC (ARRL method): -34dBm
2nd order IMD (8+6=14MHz): -26dBm
2nd order IMD (22-8=14MHz): -16dBm
IF rejection: 92dB
Image rejection: 96dB
S9 reading: 50uV
Блокування теж фігове. -50..-46дбм це десь 0,5..1мв, або S9+20..S9+30. Тобто приймач буде затикатися якщо на діапазоні є потужна станція
-
UR5VCP
- Повідомлень: 447
- З нами з: Пон вересня 12, 2022 6:14 pm
- Звідки: KN48wi
- Позивний: UR5VCP
- Has thanked: 83 times
- Been thanked: 9 times
- Контактна інформація:
Re: Трансивер на надмініатюрних лампах
Андрію, моє крайнє спілкування з радіолампами будо в епоху ТВ "Рубін" (кольороволампових), та "вротБьєрозка" (монохромнолампових). Зараз я хочу просто для початку погратися.
А більш конкретно:
ЗІЖ забув, максимальну кількість "крутілок" і "вертєлок" я однозначно добавлю, так, щоб регулювати кожен параметр кожного каскада. Такий собі радіоконструктор. Я не кажу щоб брати точно цю схему, вважаю, її можна трошки модифікувати. Але починати може з неї?
А більш конкретно:
Тобто я ніби то натякнув )) Якщо "зайде" то матиме можливість розвитку ця конструкція. А ні - то "в тумбочку".- модульна конструкція, кожен блок в вигляді функціонально закінченого модуля.
- все "житиме" на основній платі, з можливістю легкої модифікації і зміни схеми.
ЗІЖ забув, максимальну кількість "крутілок" і "вертєлок" я однозначно добавлю, так, щоб регулювати кожен параметр кожного каскада. Такий собі радіоконструктор. Я не кажу щоб брати точно цю схему, вважаю, її можна трошки модифікувати. Але починати може з неї?
-
UR5VCP
- Повідомлень: 447
- З нами з: Пон вересня 12, 2022 6:14 pm
- Звідки: KN48wi
- Позивний: UR5VCP
- Has thanked: 83 times
- Been thanked: 9 times
- Контактна інформація:
Re: Трансивер на надмініатюрних лампах
На даний момент дуже потребую підказки, чим замінити вказані на схемі лампочки, бо було сказано коротко і просто - "скажи, що тобі потрібно, і будем шукати". А я не знаю що потрібно )))
Маю на даний момент наступне:
нувістори 6С62Н = 2 шт == (думаю на ГПД з низьким анодним, дасть чистий спектр)
надмініатюрна 6Х7Б подвійний діод = 2 шт
стерженькова 1Ж24Б пентод - 2 шт
надмініатюрна 6Н16Б-И = подвійний тріод 1 шт
надмініатюрна 6Ж1Б-В пентод - 2шт
тут явно не вистачає лампочок для двотактного вихідного каскаду, хочу 2-3Вт,
і не вистачає аналога 6К13П або чого з крутизною >11 а не <5 мав.
Маю на даний момент наступне:
нувістори 6С62Н = 2 шт == (думаю на ГПД з низьким анодним, дасть чистий спектр)
надмініатюрна 6Х7Б подвійний діод = 2 шт
стерженькова 1Ж24Б пентод - 2 шт
надмініатюрна 6Н16Б-И = подвійний тріод 1 шт
надмініатюрна 6Ж1Б-В пентод - 2шт
тут явно не вистачає лампочок для двотактного вихідного каскаду, хочу 2-3Вт,
і не вистачає аналога 6К13П або чого з крутизною >11 а не <5 мав.
-
UR5FFR
- Повідомлень: 1355
- З нами з: Пон вересня 12, 2022 4:04 pm
- Has thanked: 120 times
- Been thanked: 756 times
Re: Трансивер на надмініатюрних лампах
Я тобі її параметри навів та їх розшифровку. На мій погляд дуже велике підсилення по ВЧ перед першим змішувачем.
Але "для погратися" то можна і з цієї конструкції почати
-
UR5FFR
- Повідомлень: 1355
- З нами з: Пон вересня 12, 2022 4:04 pm
- Has thanked: 120 times
- Been thanked: 756 times
Re: Трансивер на надмініатюрних лампах
До речі - АРП в ПВЧ - це повний триндець
Шо воно там буде регулювати? Це приклад як не треба робити. Таке працювало 50 років тому. А зараз - ніт. Я би зовсім викинув ПВЧ та з антени сигнал подав зразу на змішувач. Та переніс би цей ПВЧ після КФ по ПЧ
-
UR5VCP
- Повідомлень: 447
- З нами з: Пон вересня 12, 2022 6:14 pm
- Звідки: KN48wi
- Позивний: UR5VCP
- Has thanked: 83 times
- Been thanked: 9 times
- Контактна інформація:
Re: Трансивер на надмініатюрних лампах
змішувач не на діодах а на нувісторах! Вже цікавіше!з антени сигнал подав зразу на змішувач. Та переніс би цей ПВЧ після КФ по ПЧ
Маю тільки два, але думаю буде ще
Пока прикидуєм, так, аби було цікаво і не дарма потрачено час.
-
oldPsyho
- Повідомлень: 634
- З нами з: П'ят жовтня 14, 2022 4:13 pm
- Звідки: KO40ig
- Позивний: UR5XOU
- Has thanked: 183 times
- Been thanked: 70 times
Re: Трансивер на надмініатюрних лампах
я цю схему якраз помалу збираю, але на звичайних пальчикових лампах. На надмініатюрних лампах (6Ж5Б/6Ж9Б/6Ж10Б та 6Н16Б) бачив зібрану конструкцію альбатроса. На рахунок цієї конструкції - хз. Чим замінете лампу 6К13П ? або 6Ф12П? серед надмініатюрних їх навіть найближчих аналогів немає.UR5VCP писав: ↑Нед червня 11, 2023 11:27 am Оскільки робота з ГСС вже майже закінчена (з деяких причин трішки затягується, але не надовго), маю намір найближчим часом зібрати ламповий апарат. Транзистори і синтезатори вже трошки приїлося.
Отже, виходжу з наступного:
- я страшно ліниве створіння, і робити нормальне шасі під пальчикові або октальні лампи я не буду.
- основна мета - просто порозважатися, отримати досвід в роботі з радіолампами
- ну і звісно - радіоаматорство - то є творчість, чому б і да?
Відповідно я собі бачу наступну конструкцію:
- лампи виключно надмініатюрні, або нувистори, або лампи з накалом 6 вольт, не стерженькові (в них параметри ну ніяк)
- модульна конструкція, кожен блок в вигляді функціонально закінченого модуля.
- все "житиме" на основній платі, з можливістю легкої модифікації і зміни схеми.
Окрім "Альбатроса" придивився наступну схему:Screenshot_36.jpg
Хотів би почути думку колег, якщо розбити схему на блоки, звісно УНЧ та УМ розділити, УМ зробити двотактним, ну там ще деякі зміни внести можна, варто звертати увагу?
А також, які аналоги з надмініатюрних ламп існують в природі до вказаних на схемі?
Особливо цікавить чи є в природі аналог 6К13П.
Не ставлю за мету зібрати новий УВ3ДІ, все простіше, просто поекспериментувати та послухати "теплий ламповий звук" ))) (Я вже забув як "Крот" звучить... або УВ3ДІ).
-
oldPsyho
- Повідомлень: 634
- З нами з: П'ят жовтня 14, 2022 4:13 pm
- Звідки: KO40ig
- Позивний: UR5XOU
- Has thanked: 183 times
- Been thanked: 70 times
-
oldPsyho
- Повідомлень: 634
- З нами з: П'ят жовтня 14, 2022 4:13 pm
- Звідки: KO40ig
- Позивний: UR5XOU
- Has thanked: 183 times
- Been thanked: 70 times