Сторінка 1 з 4
Петльовий вібратор та його узгодження
Додано: Сер квітня 26, 2023 12:15 pm
UR5FFR
Нещодавно у телеграм-чаті була викладена інфа про антену типу петльовий вібратор для УКХ діапазону 144МГц яка дуже широкосмугова та має підвищену ефективність. Антена має такий зовнішній вигляд

- vibrator1.jpg (123.32 Кіб) Переглянуто 96150 разів
Антена має діапазон роботи 136-174 МГц. Автор надав результати вимірювань векторним аналізатором
Антена привертає уваги ланцюгом узгодження імпедансів. Петльовий вібратор має опір біля 300ом. Зазвичай його узгоджують з кабелем 75ом за допомогою U-образного коліна

- 2023-04-26_11-40-47.png (23.16 Кіб) Переглянуто 96150 разів
Працює ця схема так - кожна половина вібратора має опір 150ом. Але вони у протифазі. U-коліно довжиною у пів-хвилі змінює фазу на 180 град. Далі підключаємо обидві половини по схемі складання струмів, тобто паралельно, та отримуємо вихідний імпеданс 150ом/2=75ом.
У мережі
знайшлась інформація по вимірюванню такого вібратора на 144МГц

- folded-dipole-75ohm-swr.png (12.78 Кіб) Переглянуто 96150 разів
Недоліком такого узгодження є те що на виході ми маємо 75ом замість потрібних 50ом. А це КСХ 1.5. Узгодити 75ом до 50ом можна за допомогою наступної схеми

- 2023-04-26_11-51-57.png (3.92 Кіб) Переглянуто 96150 разів
Результати вимірювання вібратора з U-образним коліном та такою схемою узгодження наступні

- folded-dipole-swr.png (14.42 Кіб) Переглянуто 96150 разів
Бачимо що смуга узгодження зменшилася. На мій погляд це сталося тому що і півхвюльовий фазоінвертор, і схема узгодження на лініях - резонансні.
З зовнішнього вигляду антени з початку топіка бачимо що U-образного коліна нема. Деталі конструкції антени автор не розкриває, бо це комерційна розробка, але надав інформацію що узгодження виконане на кабелі RG-63/U. Цій кабель має хвильовий опір 125ом та ідеально підходить для узгодження 300ом у 50ом за допомогою чвертьхвильового трансформатору.

- photo_2023-04-25_23-48-50.jpg (20.23 Кіб) Переглянуто 96150 разів
Цікавий конструктивний момент це те що кабель розташований усередині вібратору - це видно з фотографій.
Можливо що зменшення елементів у ланцюгу узгоджування приводить до меншого КСХ у більш широкій смузі частот.
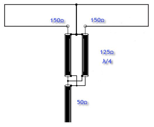
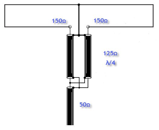
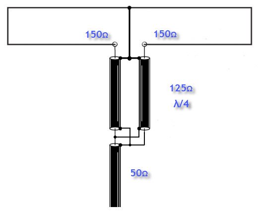
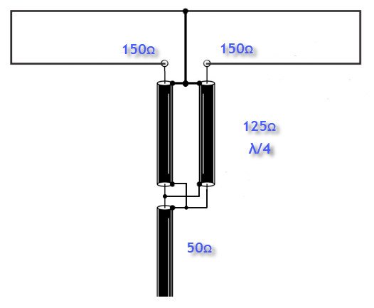
Є інша можливість узгодження, яка не потребує розташовувати кабель усередині вібратору. Схема на наступному малюнку

- 2023-04-26_12-42-15.jpg (15.72 Кіб) Переглянуто 96147 разів
Два чвертьхвильових трансформатора зроблені з кабелю 125ом трансформують опір кожної половини вібратора з 150ом до 125*125/150=104,2ом. Далі з'єднуємо їх паралельно, але перевертаємо фазу однієї з половинок на 180град. На виході отримуємо 104,2/2=52ом, тобто стандартний 50ти-омний кабель.
На схемі середня точка вібратора з'єднана з оплеткою кабеля. Але цього можна й не робити.
Наскільки така схема узгоджування буде працювати краще або гірше ніж один чвертьхвильовий трансформатор я не знаю. Треба моделювати та вимірювати.
Петльовий вібратор та його узгодження
Додано: Чет квітня 27, 2023 2:45 am
UR5FFR
Якщо нема 125омного кабелю то з двох відрізків кабелю 50 та 75 ом можна зробити еквівалент. Виглядати буде ось так

- vibrator-50-75-par.jpg (14.09 Кіб) Переглянуто 96024 разів
Варіант дещо несиметричний - оплетку кабелю нікуди не підключаємо
Більш симетричний варіант

- vibrator-50-75.jpg (19.67 Кіб) Переглянуто 96087 разів
Два чвертьхвильових трансформатора зроблених з кабелю 75ом трансформують кожне з пліч вібратора у 37.5ом. З'єднуємо їх послідовно з урахуванням фази та отримуємо 75ом. Двома кусками кабелю 50 та 75ом довжиною 1/12 хвилі узгоджуємо до 50ом.
Якщо подивитися уважно на схему підключення чвертьхвильових трансформаторів то вони утворюють симетричну лінію з опором 2*75=150ом яка трансформує імпеданс вібратора 300ом у 150*150/300=75ом.
Якщо брати куски кабелю довжиною яка не кратна чверті хвилі то вилазить реактивка. Але її можна компенсувати іншим трансформатором на лінії з підібраною довжиною. Трохи дописав свою програму для розрахунків узгодження та получив ще декілька цікавих схем.
Перша ось така

- vibrator-50-75-2.jpg (22.21 Кіб) Переглянуто 96087 разів
Кожне плече трансформує 150ом у 100ом. З'єднуємо їх паралельно - отримуємо необхідні 50ом. RFSim99 каже що усе гаразд

Якщо окрім кусків кабелю ми можемо використовувати ємності або індуктивності то кількість варіантів суттєво збільшується

- vibrator-50-75-4-rfsim.png (17.99 Кіб) Переглянуто 96087 разів

- vibrator-50-75-5-rfsim.png (18.8 Кіб) Переглянуто 96087 разів

- vibrator-50-75-6-rfsim.png (17.99 Кіб) Переглянуто 96087 разів
Останні чотири схеми узгодження мають різну добротність - це видно з графіку return loss. Як ми знаємо чим більша добротність - тім вужча смуга пропускання. Третя схема з ємністю 26пф має найбільшу добротність. Остання схема з індуктивністю - найменшу.
Re: Петльовий вібратор та його узгодження
Додано: П'ят квітня 28, 2023 5:30 am
ur5ffc
гарна робота!
і реальні антени і ваш аналіз.
Re: Петльовий вібратор та його узгодження
Додано: Сер травня 03, 2023 9:35 am
UR5FFR
ur5ffc писав: ↑П'ят квітня 28, 2023 5:30 am
гарна робота!
і реальні антени і ваш аналіз.
Дякую!
Займався "допілінгом" своєї програми для розрахунку ланцюгів узгодження імпедансів. При розрахунках необхідно враховувати згасання у лінії бо це суттєво впливає на результат. RFSim99 не дає можливості це зробити - в ньому лінії ідеальні - задається лише довжина та коефіцієнт укорочення. Довелося розібратися з моделюванням згасання у кабелях та зробити в програмі базу розповсюджених кабелів з можливістю редагування.
Ось варіанти схем узгодження для реальних кабелів. Окрім RG58 та RG59 наведені схеми для "подвійних кабелів". Тобто коли у двох кабелів з'єднуємо екрани і використовуємо лише центральні жили.

- 145MHz 300R to 50R impedance matching by UR5FFR.jpg (58.08 Кіб) Переглянуто 96011 разів
Як побічний результат програма може розраховувати параметри кабелів на основі моделі для любої частоти та довжини.
Наприклад для частоти 14.2МГц, 12 метрів фідер з КСВ 1.5

- TL manager.png (29.99 Кіб) Переглянуто 96011 разів
Для порівняння ось результат розрахунку узгодження за допомогою GAL-ANA (це комерційна версія MMANA) узяті
звідси

- 80m 4500 RG58 GAL-ANA.png (39.06 Кіб) Переглянуто 96011 разів
А ось мій варіант

- 80m 4500 RG58 UR5FFR.png (23.94 Кіб) Переглянуто 96011 разів
Бачимо, що незважаючи на ідеальне узгодження втрати дуже великі - до антени доходить 20% потужності. Чому? Тому що в лінії дуже великий КСХ
Re: Петльовий вібратор та його узгодження
Додано: Нед листопада 05, 2023 3:19 pm
uw5rr
Секрету немає, все досить просто по узгодженню. Вібратор має опір не 300 Ом на практиці, а десь 200, і при наближенні до щогли опір падає, робили конструкцію з 4 вібраторів то взагалі не використовували лінії узгодження, просто вивели відстанню до щогли опір кожного в 200 Ом, і потім напівхвильовими повторювачами підключили паралельно 4 антени, отримали 50 Ом, важливо щоб всі 4 напівхвильові повторювачі були однакової довжини. тобто якщо кабель 2,5 метри то всі мають бути по 2,5 метра.
Re: Петльовий вібратор та його узгодження
Додано: Вів листопада 07, 2023 5:40 pm
Пенсіонер
В MMANА спробував змоделювати описану ситуацію.
Нічого не вийшло. Опір петльового вібратора на зменшувався в декілька разів (повідомлялося про 4 рази).
Опір діполя починав змінюватися, якщо відстань до щоргли була 0,4 лямбда і менше.
Можливо досягти 50 омів, але для усунення реактансу необхідно змінювати довжину вібратора (про це не повідомлялося).
Чи можливо отримати більш детальну інформацію?
Re: Петльовий вібратор та його узгодження
Додано: Вів листопада 07, 2023 7:18 pm
Ut5lp
Пенсіонер писав: ↑Вів листопада 07, 2023 5:40 pm
В MMANА спробував змоделювати описану ситуацію.
Нічого не вийшло. Опір петльового вібратора на зменшувався в декілька разів (повідомлялося про 4 рази).
Він(опір) зменьшится з 240 до 200 Ом ,а чотири вібратора в паралель і буде 50...
Re: Петльовий вібратор та його узгодження
Додано: Вів листопада 07, 2023 7:46 pm
Пенсіонер
Тож яка відстань від щогли і як компенсували реактивку?
Re: Петльовий вібратор та його узгодження
Додано: Вів листопада 07, 2023 8:12 pm
Пенсіонер
В ідеалізованих умовах (у програмі) 200 ом вдалося отримати при відстані до щогли приблизно 10см і КСХ (200) 1,12; підсилення зменшилося на 0,5 дБ. Це для одного вібратора.
Якщо це не критично, то питання знімаю.
Re: Петльовий вібратор та його узгодження
Додано: Вів листопада 07, 2023 8:42 pm
Ut5lp
Якщо,навіть опір залишиться 300 Ом,то чотири в паралаль,це буде 75...КСХ 1,5 ніхт проблем.
А реактивка для петлевого вібратора не дуже актуальна,він же широкосмуговий.
В мене був виїздний петльовий GP на 20-ку де я його тільки не ставив,ні разу ні чого не підганяв.
За рахунок широкої смуги все було на місці.