Сторінка 1 з 5
Саморобні гібрідні мікросхеми
Додано: Суб серпня 23, 2025 12:37 pm
UR5FFR
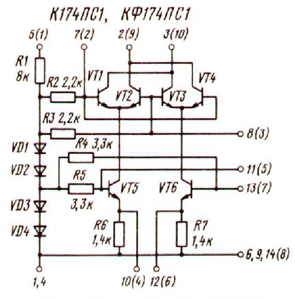
Свого часу були досить популярні такі мікросхеми як S042(174ПС1), MC1496 та CA3028. Перші дві - це повний помножувач Гілберта, третя - його половина. Їх можна використовувати не тільки як змішувачі, но і як каскади підсилення з його регулюванням (якщо потрібно). У деяких випадках це спрощує створення пристроїв, бо використовуються типові блоки.

- к174пс1.png (222.68 Кіб) Переглянуто 13169 разів

- ca3028.png (30.43 Кіб) Переглянуто 13169 разів
На жаль зараз ці мікросхеми не випускаються. Але в даташитах є їх схеми які зовсім нескладні та дозволяє зробити їх функціональні аналоги. Ідея не нова і в інтернеті можна знайти такі прожекти. Ось деякі посилання
Експерименти JG1EAD з CA3028 (
переклад з японського)
Recreate the CA3028 IC with Discrete Components
Mixer and IF amplifier with AGC on CA3028
Discreetly built mixer SO42P
Gilbert cell mixers intro by PA3FWM
Якщо робити на смд компонентах 0806/0403 та використовувати вертикальні корпуси типу SIP або як у К224 то буде досить компактно. Схеми цих гібрідок можуть бути будь якими - усе залежить тільки від фантазії
Якій профіт з усього цього? Якщо ми робимо схему з модулів які гарантовано працюють та не требують налаштувань то це спрощує наладку та запуск. Також можна досить швидко макетувати досить складні схеми на макетці для ардуіно
Re: Саморобні гібрідні мікросхеми
Додано: Суб серпня 23, 2025 3:12 pm
UR5FFR
Приклад схеми ППЧ з АРП на CA3028
Працює він на принципі розгалуження струмів (див. Радіо №11 1968 с.45). Коли рівень сигналу невеликий то Q1Q2 закриті, Q5Q3 та Q6Q4 працюють як каскодні підсилювачі та забезпечують досить велике підсилення. При збільшені рівня сигналу Q1Q2 відчиняються та починають шунтувати навантаження Q5Q6. Це зменшує підсилення. Важливий момент у тому що струм через "нижні" транзистори Q5Q6 залишається незмінним при будь якому підсиленні, і це в зменшує спотворення.
Інша популярна серед зарубіжних аматорів мікросхема для підсилювачів з регульованим коефіцієнтом підсилення - це MC1350. Вона забезпечує 50дб підсилення та 60дб діапазон регулювання. Має симетричні входи та виходи.
Її схема з даташиту

- mc1350.png (75.51 Кіб) Переглянуто 13144 разів
Принцип регулювання підсилення такий самий як і в ППЧ на CA3028 - розгалуження струмів. Але використовується не половина а повний помножувач Гілберта на виході якого встановлено допоміжний каскад підсилення на Q7Q8Q9Q10.
Re: Саморобні гібрідні мікросхеми
Додано: Суб серпня 23, 2025 6:03 pm
UR5VFT
Сергій теж застосовує таке рішення у приймачах навіть можна послухати звучання 73!
https://us5qbr.blogspot.com/2021/03/blog-post.html
Re: Саморобні гібрідні мікросхеми
Додано: Нед серпня 24, 2025 12:51 pm
UR5FFR
Колись років 50 тому фірма Plessey виробляла дуже чудовий набір мікросхем для приймально-передавальної апаратури. І це не якійсь ширпотреб на кшталт 174ї серії, це більш схоже на вітчизняні вояцкі серії типу К435 але дуже оптимізовано для мінімізації використовування додаткових компонент в обвязці. Ось наприклад як виглядає схема SSB трансивера
Re: Саморобні гібрідні мікросхеми
Додано: Нед серпня 24, 2025 3:30 pm
oldPsyho
UR5FFR писав: ↑Нед серпня 24, 2025 12:51 pm
Колись років 50 тому фірма Plessey виробляла дуже чудовий набір мікросхем для приймально-передавальної апаратури. І це не якійсь ширпотреб на кшталт 174ї серії, це більш схоже на вітчизняні вояцкі серії типу К435 але дуже оптимізовано для мінімізації використовування додаткових компонент в обвязці. Ось наприклад як виглядає схема SSB трансивераPlessey SSB TRX.png
У Рєда теж подібні використовувались, SL1610-SL1640, їх ще можна на алі знайти, правда цінник куди вище ніж у тих же ПС1 ))
P.S. Вищезгадані SL6xx трапляються на єбеї, але коштують геть немало))
Re: Саморобні гібрідні мікросхеми
Додано: Нед серпня 24, 2025 7:54 pm
Юрий
Ще була К140МА1
Re: Саморобні гібрідні мікросхеми
Додано: Нед серпня 24, 2025 8:49 pm
UR5FFR
Трохи поміркував та почав неспішно накидувати схемотехніку своєї серії "гібрідок". Таки собі кубіки для моделювання та конструювання виходять. Є досить великий шанс що трансивер буде виглядати як у Plessey - декілька мікросхем та купа ємностей між каскадами та по живленню.
oldPsyho писав: ↑Нед серпня 24, 2025 3:30 pm
У Рєда теж подібні використовувались, SL1610-SL1640, їх ще можна на алі знайти, правда цінник куди вище ніж у тих же ПС1 ))
P.S. Вищезгадані SL6xx трапляються на єбеї, але коштують геть немало))
Так вони і використовувались у 70-80х роках. Книжки Реда того ж часу. Зараз знайти можна лише по геть дурним цінам. Бо вони вже більш музейні експонати ніж компоненти.
Юрий писав: ↑Нед серпня 24, 2025 7:54 pm
Ще була К140МА1
Наскільки пам'ятаю це чотириквадрантний помножувач і досить низкочастотний
Re: Саморобні гібрідні мікросхеми
Додано: Пон серпня 25, 2025 10:35 am
oldPsyho
Юрий писав: ↑Нед серпня 24, 2025 7:54 pm
Ще була К140МА1
Ну, її досить легко знайти в продажу. Чув що це аналог МС1496
Re: Саморобні гібрідні мікросхеми
Додано: Пон серпня 25, 2025 10:36 am
oldPsyho
UR5FFR писав: ↑Нед серпня 24, 2025 8:49 pm
Трохи поміркував та почав неспішно накидувати схемотехніку своєї серії "гібрідок". Таки собі кубіки для моделювання та конструювання виходять. Є досить великий шанс що трансивер буде виглядати як у Plessey - декілька мікросхем та купа ємностей між каскадами та по живленню.
oldPsyho писав: ↑Нед серпня 24, 2025 3:30 pm
У Рєда теж подібні використовувались, SL1610-SL1640, їх ще можна на алі знайти, правда цінник куди вище ніж у тих же ПС1 ))
P.S. Вищезгадані SL6xx трапляються на єбеї, але коштують геть немало))
Так вони і використовувались у 70-80х роках. Книжки Реда того ж часу. Зараз знайти можна лише по геть дурним цінам. Бо вони вже більш музейні експонати ніж компоненти.
Юрий писав: ↑Нед серпня 24, 2025 7:54 pm
Ще була К140МА1
Наскільки пам'ятаю це чотириквадрантний помножувач і досить низкочастотний
Гібридки в двух варіантах, германій/кремній?))
Re: Саморобні гібрідні мікросхеми
Додано: Пон серпня 25, 2025 11:00 am
UR5FFR
oldPsyho писав: ↑Пон серпня 25, 2025 10:36 am
Гібридки в двух варіантах, германій/кремній?))
а на лампах слабо?