Сторінка 1 з 3
					
				Реверсивний змішувач
				Додано: Чет листопада 09, 2023 7:43 am
				 twskm
				Які  помилки і чи взагалі буде так працювати? 
  
			
					
				Re: Реверсивний змішувач
				Додано: Чет листопада 09, 2023 10:19 am
				 oldPsyho
				twskm писав: ↑Чет листопада 09, 2023 7:43 am
Які  помилки і чи взагалі буде так працювати? 
 
 
А навіщо так ускладнювати? Який сенс? Заради реверсу?
Якщо так, то гляньте на схему першого змішувача в схемі TRX від LY3BD з перетворенням вверх...
 
 
 
			
					
				Re: Реверсивний змішувач
				Додано: Чет листопада 09, 2023 12:08 pm
				 twskm
				Так ради реверсу. А такий знаю давно. Питання чи буде працювати і які помилки?
 
			 
			
					
				Re: Реверсивний змішувач
				Додано: Чет листопада 09, 2023 12:39 pm
				 UR5FFR
				Працювати буде. Але питання в тому - як. Треба пам'ятати що у тріода досить велика прохідна ємність. 6С51Н має 4пф катод-сітка та 2пф анод-сітка. Це не так вже й замало. Якщо ви лампу закрили негативною напругою то ці ємності нікуди не ділися. По сигналу ємність закритої лампи буде працювати як НЗЗ (негативний зворотній зв'язок). Це приведе до тому що впаде підсилення, особливо на ВЧ бендах. По гетеродину буде складно її збалансувати щоб були мінімальні пролази при реверсі.
Отже треба макетувати та вимірювати параметри
			 
			
					
				Re: Реверсивний змішувач
				Додано: П'ят листопада 10, 2023 12:10 am
				 Пенсіонер
				oldPsyho писав: ↑Чет листопада 09, 2023 10:19 am
А навіщо так ускладнювати?
 
 
 
UR5FFR писав: ↑Чет листопада 09, 2023 12:39 pm
Якщо ви лампу закрили негативною напругою то ці ємності нікуди не ділися. По сигналу ємність закритої лампи буде працювати як НЗЗ (негативний зворотній зв'язок). Це приведе до тому що впаде підсилення, особливо на ВЧ бендах. По гетеродину буде складно її збалансувати щоб були мінімальні пролази при реверсі.
Отже треба макетувати та вимірювати параметри
 
 
 Кожен художник має безумовне право на власне бачення, але що занадто, то не здраво.
Сприймаю Ваше баження творчості, проте розглянте, просто як можливий варіант, оце:
			
		
				
			 
- blok_vch_ru3xs.gif (40.56 Кіб) Переглянуто 17936 разів
 
 
  
			
					
				Re: Реверсивний змішувач
				Додано: П'ят листопада 10, 2023 2:00 am
				 UR5FFR
				Ось як варіант така схема. Перемикачі в положенні коли сигнал йде зліва на право. Фішка схеми в тому, що коли тріод запертий то його сітка по ВЧ заземлена і сигнал через нього не проходить. Схема чернова бо тут ще треба узгодити опори - на катоди сигнал подавати з частини витків.
PS Реверс дуже ускладнює схему. До того ж це лампи з високим вхідним опором - є ризик зловити пролази та возбуди. На мій погляд це усе невиправдано - краще зробити два окремих змішувача ніж городити усе до кучі з купою реле.
			
		
				
			 
- reversible mixer.png (90.42 Кіб) Переглянуто 17932 разів
 
  
			
					
				Re: Реверсивний змішувач
				Додано: П'ят листопада 10, 2023 7:42 am
				 twskm
				Змішувач RU3XS не на нувісторах, давно ці схеми знаю. Суть в повному реверсі.
 
 
			 
			
					
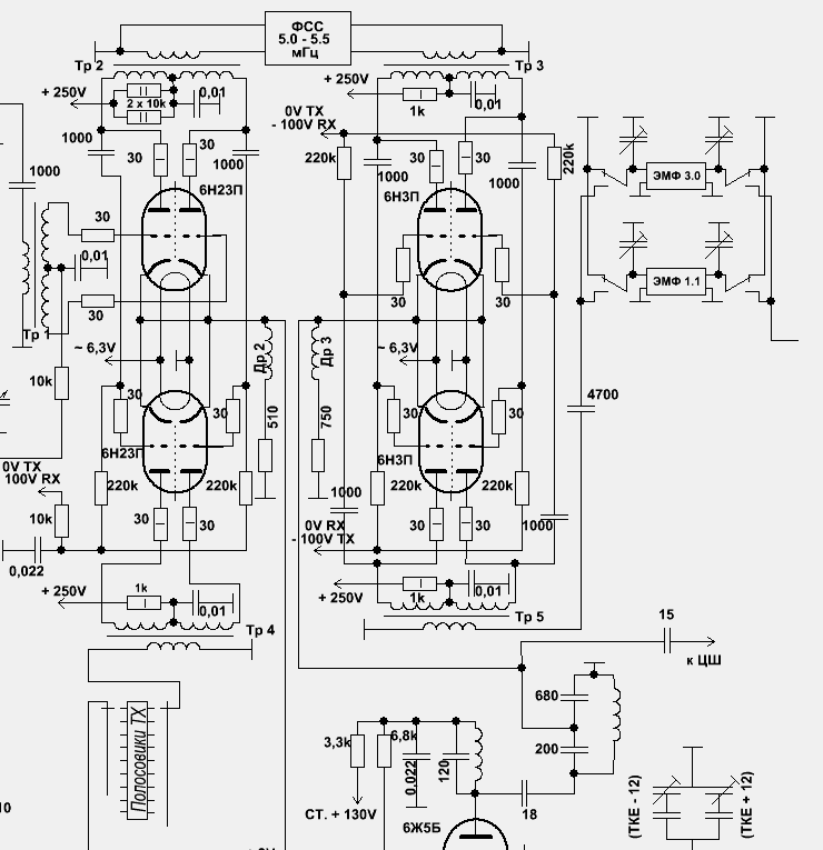
				Re: Реверсивний змішувач
				Додано: П'ят листопада 10, 2023 8:46 pm
				 twskm
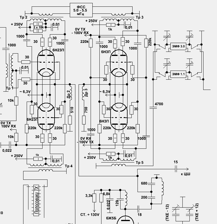
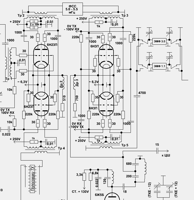
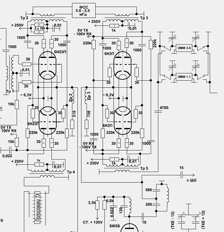
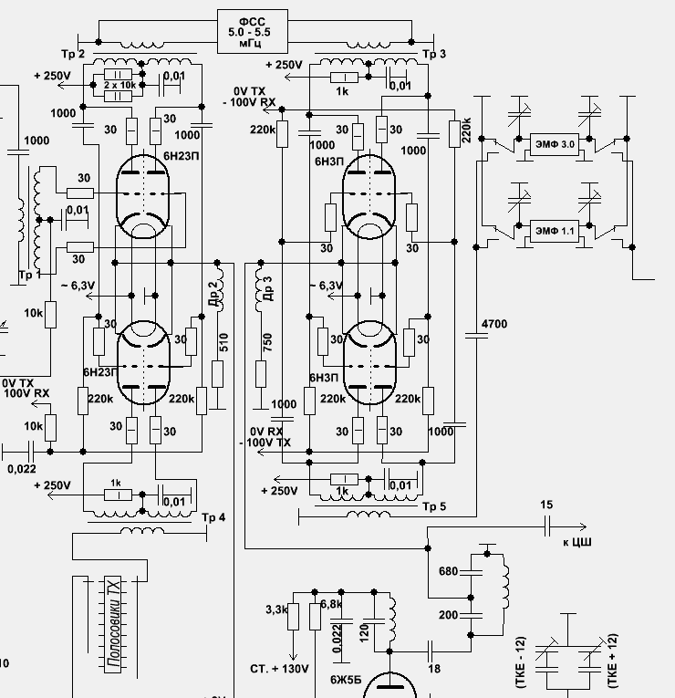
				А як такий варіант, ніби робоча схема?
			 
			
					
				Re: Реверсивний змішувач
				Додано: П'ят листопада 10, 2023 9:04 pm
				 UR5FFR
				А навіщо вам таке велике підсилення у змішувачі? Воно ж динамічний діапазон знижує
			 
			
					
				Re: Реверсивний змішувач
				Додано: П'ят листопада 10, 2023 9:28 pm
				 Пенсіонер
				Подібне було у RT2000:
			
		
				
			 
- RT2000 mixers.gif (27.35 Кіб) Переглянуто 17906 разів