Купив колись такі чудові радіатори з встановленими КТ819
Чекали вони свого часу та дочекалися

Вирішив зібрати на них підсилювач для літа, щоб не дуже грівся. Тим паче давно вже хотів випробувати одну специфічну схему з однаковими транзисторами у вихідному каскаді.
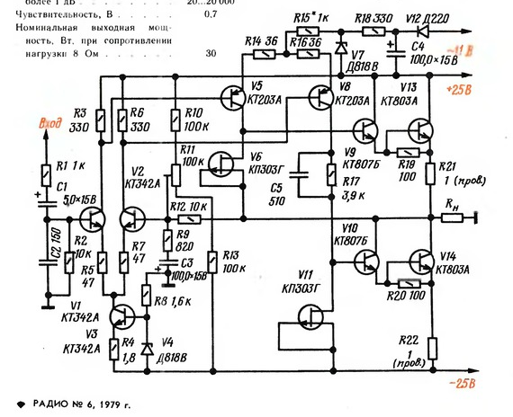
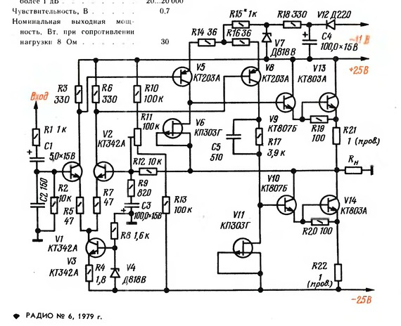
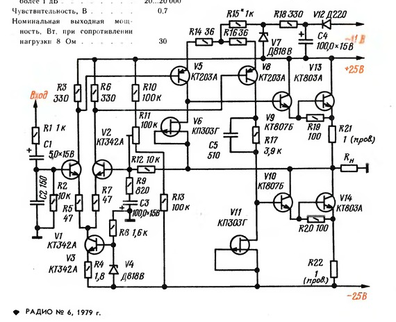
Перша публікація яка мені відома мабуть наступна

- radio 6 1979.png (194.12 Кіб) Переглянуто 37984 разів
Потім була дуже відома схема Акулінічева у журналі Радіо №3/1980

- aku 3 1980.png (170.34 Кіб) Переглянуто 37984 разів
Я впевнений що така реалізація скоріше за все була скопійована з зарубіжних розробок, але не колупав це питання.
Як на мій погляд то на обох схема багато зайвих деталей

Тому я їх прибрав. Результат - дуже мінімалістична схема підсилювача с чудовими параметрами

- quasi-7 draft.jpg (99.66 Кіб) Переглянуто 37984 разів
Частотний діапазон по рівню 3дб - 100кГц. Зменшувати його можна збільшивши ємність С138, але не треба, бо негативний зворотній зв'язок працює саме у широкій смузі. Струм спокою виставляється R407 на рівні 70-80мА. R413 керує постійною напругою на виході. Підбираємо щоб було половина живлення.
Схема була дуже швидко накидана на ардуїнівській макетці та запрацювала з першого разу.
Буде час - буду переносити на друковану плату