Каталог схем трансиверів.

UR5VCP
Повідомлень: 447
З нами з: Пон вересня 12, 2022 6:14 pm
Звідки: KN48wi
Позивний: UR5VCP
Has thanked: 83 times
Been thanked: 8 times
Контактна інформація:

Каталог схем трансиверів.

Повідомлення UR5VCP »

Друзі, буду помаленько викладати схеми трансиверів. Різні, всякі. Принцип пропоную простий:
- ніякого обговорення тут! Обговорювати тільки в інших або нових топіках!
- одне повідомлення - одна схема (ну вже якщо так картинок багато - то відповідно і заголовок повідомлення ч1 ч2 ч3)
- приєднуйтесь!
 
UR5VFT
Повідомлень: 473
З нами з: Вів січня 17, 2023 6:22 pm
Позивний: UR5VFT
Has thanked: 452 times
Been thanked: 97 times

Re: Каталог схем трансиверів.

Повідомлення UR5VFT »

UR5FFR писав: Сер жовтня 01, 2025 10:29 am
Ігор писав:Чет січня 01, 1970 4:22 amламп транс.JPG
Досить цікава та продумана схема. Звідки вона? Є десь опис на неї?
На мій погляд на схемі є помилка - С28 не потрібно з'єднувати з другою сіткоюScreenshot_2025_10_01-1.pngЦікаве включення 6Ж2П у змішувачах - гетеродин на першу сітку, а сигнал на третю хоча начебто повинно бути навпакопис тут 
 
 - опис тут      - http://ur0vs.atwebpages.com/?page_id=592
 - Бунимович  Яйленко    Техника любительской однополосной связи
Пенсіонер
Повідомлень: 188
З нами з: Пон липня 10, 2023 9:39 pm
Has thanked: 9 times
Been thanked: 91 time

Re: Каталог схем трансиверів.

Повідомлення Пенсіонер »

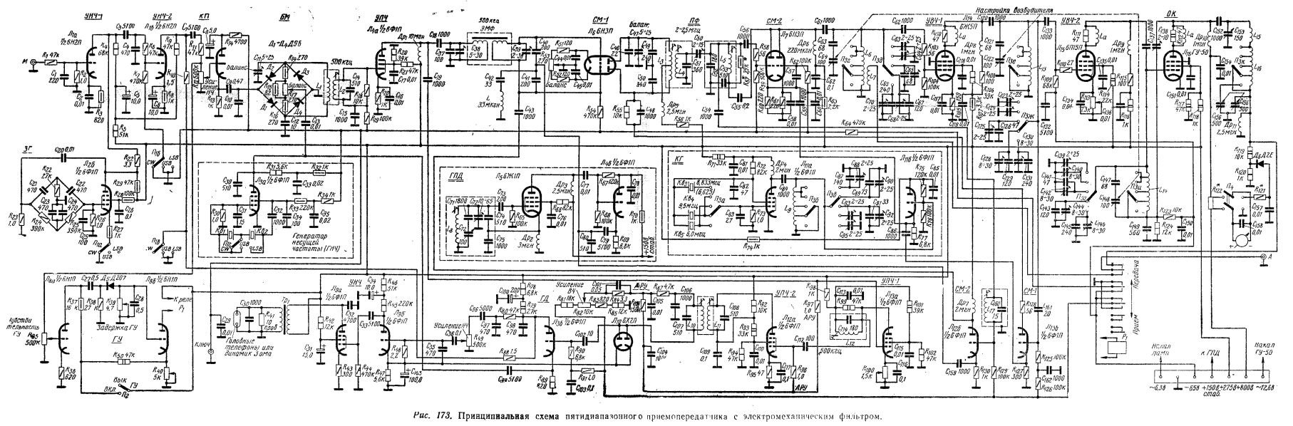
Ця схема з додатку до книги "Техника однополосной радиосвязи" 1970 р. видання.
Стислий опис з книги.
Опис трансівера 1.png
 
Опис трансівера 2.png
Таке саме використання 6Ж2П наведено в схемі іншого трансівера того ж автора (UB5UN) на сторінці 1 теми у пості UR5VCP від 20 червня 2023.
 
 
 
 
Ігор Віт.
Повідомлень: 42
З нами з: Вів червня 18, 2024 6:44 pm
Has thanked: 4 times
Been thanked: 9 times

Re: Каталог схем трансиверів.

Повідомлення Ігор Віт. »

UR5FFR писав: Сер жовтня 01, 2025 10:29 am
Ігор писав:Чет січня 01, 1970 4:22 amламп транс.JPG
Досить цікава та продумана схема. Звідки вона? Є десь опис на неї?
На мій погляд на схемі є помилка - С28 не потрібно з'єднувати з другою сіткоюScreenshot_2025_10_01-1.pngЦікаве включення 6Ж2П у змішувачах - гетеродин на першу сітку, а сигнал на третю хоча начебто повинно бути навпаки



 
Як уже було зазначено, це схема з книги С. Бунімовича та Л. Яйленко "Техника любительской однополосной связи", 1970 рік. 
Але стосовно помилок на схемі- я тут пас....
 
 
Ігор Віт.
Повідомлень: 42
З нами з: Вів червня 18, 2024 6:44 pm
Has thanked: 4 times
Been thanked: 9 times

Re: Каталог схем трансиверів.

Повідомлення Ігор Віт. »

Стосовно авторства схем UB5UN. 
С. Г. Бунін (UB5UN) та Л. П. Яйленко (UT5AA) опублікували ще дві книги, дуже добре відомі всім аматорам, дотичним до коротких хвиль.

Це "Справочник радиолюбителя коротковолновика", видання 1978 та 1984 років.
Так, так- С. Бунін, це той самий С. Г. Бунімович. Він просто був змінив прізвище на Бунін.
Так от, на декількох форумах неодноразово читав, що Бунімович (Бунін) займався оформленням книг, питанням тиражів та відносинами з видавництвами. 
А більшість схем з цих книг належать перу Леоніда Петровича Яйленка (UT5AA) . Якось так...
 Ще пара схем з видання 1970 року:
ламп транс емф.JPG
 


Та ламповий передавач:
 В цій схемі доволі незвичне схемне рішення балансного модулятора. Ніколи більше ніде не бачив. Цікаво,наскільки ефективно він працював?
лапм пердатчик.JPG
 
 
 
Відповісти