ГСС "дешево та сердито"

UR5VCP
Повідомлень: 447
З нами з: Пон вересня 12, 2022 6:14 pm
Звідки: KN48wi
Позивний: UR5VCP
Has thanked: 83 times
Been thanked: 9 times
Контактна інформація:

Re: ГСС "дешево та сердито"

Повідомлення UR5VCP »

Давай звернемося до "класики".
Ось схема шматочка того ж самого Г4-18:
Screenshot_62.jpg
 Вважатимемо, що вихід з котушок у нас 50 Ом, тоді детектор ввімкнено ПЕРЕД АТТ. 
Якщо перенести на нашу схему, то детектор таки потрібно садити на узгоджену точку, там де 50 Ом вже? Нє?
І зверни увагу, паралельно виходу, котушці зв*язку, постійно втикнуте навантаження! Як бт ти не крутанув АТТ. Може й тут варто пригрузити вихід?


Ось більш якісна схема, та перелік номіналів резисторів.
Screenshot_63.jpg
 

Код: Виділити все

R1   82к                              С1   1200   КСО-2-500-Б 10%     
R2   130                              С2   4/15   КПК-1   
R3   5,1к                             С3   0,047  К40П-2а-400 10%
R4   390                              С4   4 мкФ  МБГП-1-1000 
R5   82к                              С5   0,022  КБП-Р-250   20% 
R6   27к                              С6   330    КТП-2а-К    10%   
R7   15к                              С7   0,022  КБП-Р-250   20%
R8   6,2к                             С8   2/7    КПК-1    
R9   47к                              С9   100    КСО-1-250-Б 10%
R10  30к                              С10  0,047  К40П-2а-400 10%  
R11  10к                              С11  1000   КСО-2-500-Б 10%
R12  100к  IIСП-I-1-В-20% ОС-3-20     С12  0,01   К40П-2б-400 10%
R13  51к                              С13  4/15   КПК-1
R14  20к                              С14  20 мкФ К50-3-350-20 
R15  1к                               С15  0,022  КБП-Р-250   20%
R16  20к                              С16  330    КТП-2а-К    10%
R17  62к                              С17  0,022  КБП-Р-250   20%
R18  12к                              С18  20 мкФ К50-3-350-20
R20  30к                              С19  2/7    КПК-1
R21  51к                              С20  510    КСО-2-500-Б 10%
R22  560                              С21  4/15   КПК-1
R23  30к                              С22  270    КСО-2-500-Б 10%
R24  51к                              С23  330    КТП-2а-К    10%
R27  47к   IIСП-I-1-А-20% ОС-3-20     С24  0,1    КБГ-М2-600  10% 
R28  12к                              С25  330    КТП-2а-К    10%
R29  179,4 Ом      БЛП-0,1-1%         С26  330    КТП-2а-К    10%
R30  7,5к                             С27  330    КТП-2а-К    10%
R31  46,5 Ом       БЛП-0,1-1%         С28  0,5    МБГП-2-400-I
R32  3,6к                             С29  4/15   КПК-1
R33  872 Ом        БЛП-0,1-1%         С30  180    КСО-2-500-Б  2%
R34  46,5 Ом       БЛП-0,1-1%         С31  15/520 КПЕ
R35  1 МОм                            С32  330    КТП-2а-К    10%
R36  4,7к  IIСП-II-1-А-20%            С33  0,047  К40П-2а-400 10% 
R37  3,3 МОм                          С34  15/520 КПЕ
R38  872 Ом        БЛП-0,1-1%         С35  1000   КСО-2-500-Б 10%
R39  46,5 Ом       БЛП-0,1-1%         С36  1300   КСО-2-500-Б 10%
R40  365 Ом   проволочное             С38  0,047  К40П-2а-400 10% 
R41  872 Ом        БЛП-0,1-1%         С39  10 мкФ ЭМ-15-Н
R42  91,5 Ом       БЛП-0,1-1%         С40  4/15   КПК-1
R43  46,5 Ом       БЛП-0,1-1%         С41  330    КТП-2а-К    10%
R44  372 Ом        БЛП-0,1-1%         С42  330    КТП-2а-К    10%
R45  67,5 Ом       БЛП-0,1-1%         С43  330    КТП-2а-К    10%
R46  16к                              С44  36     КТ-2б-П33   10%
R47  2400 Ом       БЛП-0,1-1%         С45  180    КСО-2-500-Б  2% 
R48  16к                              С46  0,05   МБМ-160-II
R49  872 Ом        БЛП-0,1-1%         С47  5,1 пФ КД-2а-М700   5%
R50  45,75 Ом      БЛП-0,1-1%         С48  0,25   МБМ-160-II
R51  46,5 Ом       БЛП-0,1-1%         С49  0,05   МБМ-160-II    
R52  372 Ом        БЛП-0,1-1%         С50  4/15   КПК-1
R53  7,5 Ом        БЛП-0,1-1%         С51  1000   КСО-2-500-Б  5%
R54  6,2к                             С52  270    КСО-2-500-Б  2%
R55  872 Ом        БЛП-0,1-1%         С53  0,25   МБМ-160-II
R56  45,75 Ом      БЛП-0,1-1%         С55  2/7    КПК-1
R57  1 МОм                            С56  0,05   МБМ-160-II
R58  16к                              С57  0,05   МБМ-160-II
R59  46,5 Ом       БЛП-0,1-1%         С58  0,05   МБМ-160-II
R60  372 Ом        БЛП-0,1-1%         С60  4/15   КПК-1
R61  82к                              С61  6800   КСО-2-500-Б 10%
R62  872 Ом        БЛП-0,1-1%         С63  4/15   КПК-1
R63  45,75 Ом      БЛП-0,1-1%         С64  6800   КСО-2-500-Б 10%
R64  82к                              С65  4/15   КПК-1
R65  4,7к  IIСП-I-1-А-20% ОС-3-20     С66  0,25   МБМ-160-II
R66  46,5 Ом       БЛП-0,1-1%         С67  10 мкФ ЭМ-15-Н
R67  372 Ом        БЛП-0,1-1%         С68  10 мкФ ЭМ-15-Н
R68  20к                              С69  0,5    МБМ-160-II
R69  872 Ом        БЛП-0,1-1%         С70  33     КТ-1а-П33    5% 
R70  41,2 Ом       БЛП-0,1-1%
R71  47к   IIСП-I-1-А-20% ОС-3-20     L1   700 мкГ         L19  200  
R72  46,5 Ом       БЛП-0,1-1%         L2   5240            L20  200  
R73  337,5 Ом      БЛП-0,1-1%         L3   160             L21  50 мГ
R74  1 МОм                            L4   580             L22  200
R75  1,5к          ПП3-43-10%         L5   1 (дроссель)    L23  200
R76  872 Ом        БЛП-0,1-1%         L6   10 (дроссель)   L24  0,14
R77  1 МОм                            L7   10 (дроссель)   L25  0,36
R78  46,5 Ом       БЛП-0,1-1%         L8   28              L26  0,27
R80  344 Ом        БЛП-0,1-1%         L9   55              L27  1,48
R81  150к                             L10  2,5             L28  1,95  
R82  8,2к          БЛП-0,1-1%         L11  5,88            L29  6,28
R83  560                              L12  200 (дроссель)  L30  3,9
R84  2,2к  СПО-0,5-1-20%-ОС-3-12      L13  200 (дроссель)  L31  54,2
R85  820                              L14  0,92            L32  10,5
R86  12к                              L15  1,5             L33  580
R115 750                              L16  0,38            L34  82
R116 750                              L17  0,45            L35  5240
 
 
 
UR5FFR
Повідомлень: 1449
З нами з: Пон вересня 12, 2022 4:04 pm
Has thanked: 132 times
Been thanked: 845 times

Re: ГСС "дешево та сердито"

Повідомлення UR5FFR »

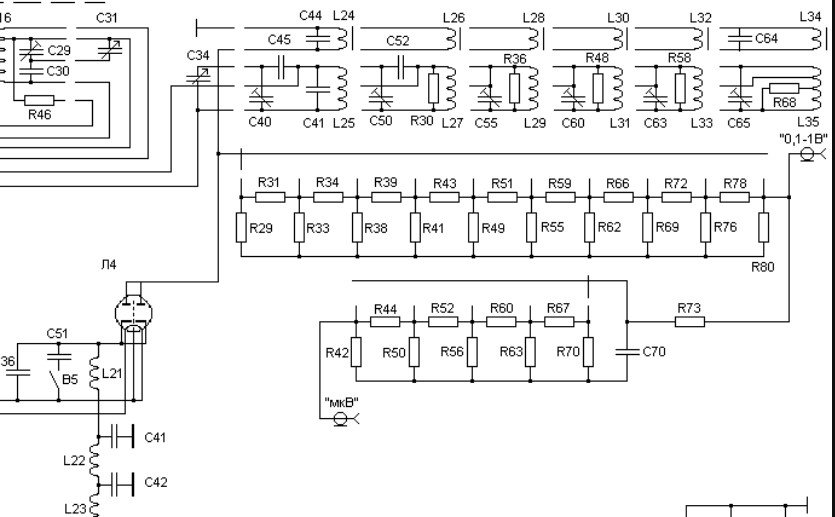
Щось ти таке викопав з часів динозаврів блін :) Беремо олдскульну классику - Г4-102. Ось тобі фрагмент вихідного підсилювача і шматок атенюатора - дивись куди діод детектора підключено. Усе так як я говорив
g4-102.png
g4-102.png (183.77 Кіб) Переглянуто 27665 разів
 
UR5VCP
Повідомлень: 447
З нами з: Пон вересня 12, 2022 6:14 pm
Звідки: KN48wi
Позивний: UR5VCP
Has thanked: 83 times
Been thanked: 9 times
Контактна інформація:

Re: ГСС "дешево та сердито"

Повідомлення UR5VCP »

ухти. а також 33 ом, а не 300, і ще й два в паралель транзистори. Прийнято!
UR5VCP
Повідомлень: 447
З нами з: Пон вересня 12, 2022 6:14 pm
Звідки: KN48wi
Позивний: UR5VCP
Has thanked: 83 times
Been thanked: 9 times
Контактна інформація:

Re: ГСС "дешево та сердито"

Повідомлення UR5VCP »

словом виходний каскад треба робити як треба, там два кт325 в пару стоять, це 0,25вт на кожен. Я так думаю, що треба поставити кт610 (або кт606а), тому що ну 9018 не витягне такого режима, ні як повторювач, ні як каскад з ОЕ. Попробував ставити кт603 - ну майже, але спотворює форму, і при підключенні навантаження напруга падає не в 2 а в 3 рази.
Або відмовитися від нормального рівня в 0,6-0,7в. Просто +60 по сметру воно видає без проблем...попробую прикрутити кт610, десь готовий каскадик був, платка підсилення. 

 
UR5FFR
Повідомлень: 1449
З нами з: Пон вересня 12, 2022 4:04 pm
Has thanked: 132 times
Been thanked: 845 times

Re: ГСС "дешево та сердито"

Повідомлення UR5FFR »

А скільки ти хочеш по максимуму на виході мати? Розклад такий - каскад працює у класі А. ККД десь 30-40%. Тому він повинен розсіювати в тепло вдвічі більш потужність ніж тобі потрібно на виході. Тобто якщо наприклад тобі потрібен вихід 5в rms/50ом то же 5*5/50=500мВт, каскад повинен розсіювати 1Вт, при 12в живлення це 1/12=80мА струм колектора (вважаємо що в колекторі стоїть дросель як навантаження а не резистор).
UR5VCP
Повідомлень: 447
З нами з: Пон вересня 12, 2022 6:14 pm
Звідки: KN48wi
Позивний: UR5VCP
Has thanked: 83 times
Been thanked: 9 times
Контактна інформація:

Re: ГСС "дешево та сердито"

Повідомлення UR5VCP »

ну 5 то трошки багато, 2В норм, але ж не 200-300мв ((
робити на кт606а? з дроселем і в режим А...
UR5FFR
Повідомлень: 1449
З нами з: Пон вересня 12, 2022 4:04 pm
Has thanked: 132 times
Been thanked: 845 times

Re: ГСС "дешево та сердито"

Повідомлення UR5FFR »

КТ606 або КТ610 - пробуй, щось буде працювати. Струм колектора десь 70-100мА, транзистор на радіатор
 
UR5VCP
Повідомлень: 447
З нами з: Пон вересня 12, 2022 6:14 pm
Звідки: KN48wi
Позивний: UR5VCP
Has thanked: 83 times
Been thanked: 9 times
Контактна інформація:

Re: ГСС "дешево та сердито"

Повідомлення UR5VCP »

UR5FFR писав: Суб червня 24, 2023 9:48 pm КТ606 або КТ610 - пробуй, щось буде працювати. Струм колектора десь 70-100мА, транзистор на радіатор
 

 
та тут корпус дюраль, не проблема, а ні то так зроблю.

Розкачувати його від 998 я думаю вистачить? В стокові резистор на 680 Ом.
Screenshot_64.jpg
Screenshot_64.jpg (121.15 Кіб) Переглянуто 27648 разів
 
UR5FFR
Повідомлень: 1449
З нами з: Пон вересня 12, 2022 4:04 pm
Has thanked: 132 times
Been thanked: 845 times

Re: ГСС "дешево та сердито"

Повідомлення UR5FFR »

Я б ще один каскад додав на 9018
UR5VCP
Повідомлень: 447
З нами з: Пон вересня 12, 2022 6:14 pm
Звідки: KN48wi
Позивний: UR5VCP
Has thanked: 83 times
Been thanked: 9 times
Контактна інформація:

Re: ГСС "дешево та сердито"

Повідомлення UR5VCP »

UR5FFR писав: Суб червня 24, 2023 10:07 pm Я б ще один каскад додав на 9018


 
з ОЕ? В колектор резистор, режим А 
Screenshot_65.jpg
Screenshot_65.jpg (179.78 Кіб) Переглянуто 27640 разів
 

Воно?
ЗІЖ я трошки збрехав, живлення 9В але то фігня ))
Відповісти