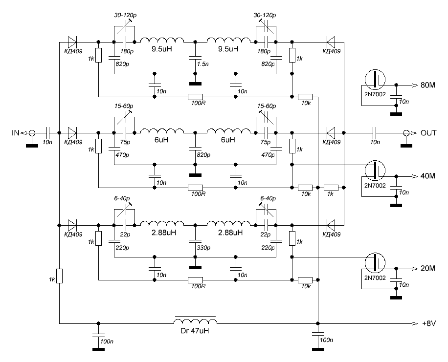
Приймач RX998.
-
Weezerspoon
- Повідомлень: 76
- З нами з: Нед березня 31, 2024 8:00 pm
- Has thanked: 16 times
- Been thanked: 27 times
Re: Приймач RX998.
Пробував і Д310 і 311, згасання в районі 7-8дб як і з 1n4148.В ДПФі використав стандартні дроселя. На макеткі накидав полосовивик на 20м діпазон так з тими дроселями згасання 2дб.
-
UR5FFR
- Повідомлень: 1282
- З нами з: Пон вересня 12, 2022 4:04 pm
- Has thanked: 104 times
- Been thanked: 677 times
Re: Приймач RX998.
Д310/311 - це германій, їх сюди не треба ставити. 4148 не можуть давати таке велике згасання. Перевірте номінали резисторів - струм через діоди повинен бути десь 5-6мА. Можливо зайвий польовий транзистор відкритий або пробитий.Weezerspoon писав: ↑Нед травня 05, 2024 9:34 pm Пробував і Д310 і 311, згасання в районі 7-8дб як і з 1n4148.В ДПФі використав стандартні дроселя. На макеткі накидав полосовивик на 20м діпазон так з тими дроселями згасання 2дб.
-
Weezerspoon
- Повідомлень: 76
- З нами з: Нед березня 31, 2024 8:00 pm
- Has thanked: 16 times
- Been thanked: 27 times
Re: Приймач RX998.
Струм через діоди 4.5мА в мене. Можливо я не вірно міряю. На 20м пробував через ДПФ що на макетці без діодів і з діодами то по показометру станція тихіше на 2-3 бали виходить а так то радіво працює норм. Транзистори цілі номінали як на схемі.
-
Андрій_UR3ILF
- Повідомлень: 88
- З нами з: Суб жовтня 01, 2022 6:36 pm
- Звідки: Царичанка
- Позивний: UR3ILF
- Has thanked: 18 times
- Been thanked: 62 times
- Контактна інформація:
Re: Приймач RX998.
Можна просто перевірити втрати діодів.
Потрібно замість фільтра перемкнути конденсатором 100н і подивитися "наною". Побачите згасання і у відкритому та закритому стані. З двома КД409 було близько півтора децибела, для 4148 трохи більше двох.
Потрібно замість фільтра перемкнути конденсатором 100н і подивитися "наною". Побачите згасання і у відкритому та закритому стані. З двома КД409 було близько півтора децибела, для 4148 трохи більше двох.
-
Weezerspoon
- Повідомлень: 76
- З нами з: Нед березня 31, 2024 8:00 pm
- Has thanked: 16 times
- Been thanked: 27 times
Re: Приймач RX998.
Тобто ввімкнуий полосовик перемкнути конденсатором між його входом і виходом до діодів, щоб на проходженні сигналу були тільки діоди з тим конденсатором і вся інша обв'язка?Якщо так то вийшло -5 з копійками.
-
Андрій_UR3ILF
- Повідомлень: 88
- З нами з: Суб жовтня 01, 2022 6:36 pm
- Звідки: Царичанка
- Позивний: UR3ILF
- Has thanked: 18 times
- Been thanked: 62 times
- Контактна інформація:
Re: Приймач RX998.
Може "нана" не калiбрована перед вимiрюваннями як повинно буди?
А якщо наприклад один діод перемкути які будуть втрати? -2.5дБ? Цiкаво деж там той собака сховався
А якщо наприклад один діод перемкути які будуть втрати? -2.5дБ? Цiкаво деж там той собака сховався
-
Weezerspoon
- Повідомлень: 76
- З нами з: Нед березня 31, 2024 8:00 pm
- Has thanked: 16 times
- Been thanked: 27 times
Re: Приймач RX998.
Ось така картина з перемкинутим фільтром. Доречі плата в лайоті не зовсім відповідає схемі.
-
Андрій_UR3ILF
- Повідомлень: 88
- З нами з: Суб жовтня 01, 2022 6:36 pm
- Звідки: Царичанка
- Позивний: UR3ILF
- Has thanked: 18 times
- Been thanked: 62 times
- Контактна інформація:
Re: Приймач RX998.
Перемістіть +8 на лівий вивiд дроселя і збігається. Це на роботу не впливає аж ні як.
Ось як треба перевіряти скiльки на діодах втрачається.
-
Weezerspoon
- Повідомлень: 76
- З нами з: Нед березня 31, 2024 8:00 pm
- Has thanked: 16 times
- Been thanked: 27 times
Re: Приймач RX998.
Ну з тим + я так і зрозумів що різниця не принципова. А конденсатор я саме так і підпаював в схему щоб перемкнути фільтр, звісно сам фільтр залишається на платі.
-
Weezerspoon
- Повідомлень: 76
- З нами з: Нед березня 31, 2024 8:00 pm
- Has thanked: 16 times
- Been thanked: 27 times
Re: Приймач RX998.
Я вже мабуть дістав 
. Крутив я того ДПФа вздовж і в поперек і дійшов висновку що косяків з тим згасанням таки нема. На макетці згасання поменше але танцює в межах -2..-3.5дб в залежності як підстоєчними конденсаторами накрутиш. На 1 діоді втрати я наміряв в районі -1..-1.2. На самій платі той же фільтр горб ачх має гостріший (повужче він виходить )і згасання більші так як мабуть тут вже ємність самого монтажу дається в знаки і остальна обв'язка яка висить на ньому. У вас Андрій вийшло менше мабуть так як у вас котушки мотані на кільцях і добротність у них вища ніж у моїх полосатих дроселів і ще хто зна з якої китайської глини у мене конденсатори. Но то таке, воно працює задовільно і грець із ним.
Буде в мене прохання до вас, можна на цій схемці номінали понаписувати для діапазонів 15-12-10 метрів. Доїде з китаю перемикач добавлю ще ці діапазони в приймач.
. Крутив я того ДПФа вздовж і в поперек і дійшов висновку що косяків з тим згасанням таки нема. На макетці згасання поменше але танцює в межах -2..-3.5дб в залежності як підстоєчними конденсаторами накрутиш. На 1 діоді втрати я наміряв в районі -1..-1.2. На самій платі той же фільтр горб ачх має гостріший (повужче він виходить )і згасання більші так як мабуть тут вже ємність самого монтажу дається в знаки і остальна обв'язка яка висить на ньому. У вас Андрій вийшло менше мабуть так як у вас котушки мотані на кільцях і добротність у них вища ніж у моїх полосатих дроселів і ще хто зна з якої китайської глини у мене конденсатори. Но то таке, воно працює задовільно і грець із ним.
Буде в мене прохання до вас, можна на цій схемці номінали понаписувати для діапазонів 15-12-10 метрів. Доїде з китаю перемикач добавлю ще ці діапазони в приймач.