Трансивер на надмініатюрних лампах

UR5VCP
Повідомлень: 447
З нами з: Пон вересня 12, 2022 6:14 pm
Звідки: KN48wi
Позивний: UR5VCP
Has thanked: 83 times
Been thanked: 9 times
Контактна інформація:

Re: Трансивер на надмініатюрних лампах

Повідомлення UR5VCP »

да є трошки більший з прямим валом, а океан на пконтур піде.
Ut5lp
Повідомлень: 119
З нами з: Суб вересня 17, 2022 3:34 pm
Позивний: UT5LP
Has thanked: 11 times
Been thanked: 32 times

Re: Трансивер на надмініатюрних лампах

Повідомлення Ut5lp »

UR5VCP писав: Нед червня 18, 2023 11:52 am Хто пробував переробити кпэ від океана, так щоб вивести напряму вал? Тому що якось не то буде, коли частота "навпаки" мінятиметься, вліво вище, вправо нижче. Чи взяти інший мабудь....

 
Все залежить від того,який вєнєрічний пристрій буде використовуватись,як що Р311,326 і т.п. тоді краще другий.
а як що з тросиком і шкала а-ля 60-70 тоді кінематичною схемою як завгодно...хоч круть-верть хоч верть-круть.
Але океановський КПЗ треба доопрацювати US5MSQ • Просмотр темы - Приёмник коротковолновика с низкочастотным ЭМФ
 
UR5VCP
Повідомлень: 447
З нами з: Пон вересня 12, 2022 6:14 pm
Звідки: KN48wi
Позивний: UR5VCP
Has thanked: 83 times
Been thanked: 9 times
Контактна інформація:

Re: Трансивер на надмініатюрних лампах

Повідомлення UR5VCP »

Ut5lp писав: Нед червня 18, 2023 3:13 pm
UR5VCP писав: Нед червня 18, 2023 11:52 am Хто пробував переробити кпэ від океана, так щоб вивести напряму вал? Тому що якось не то буде, коли частота "навпаки" мінятиметься, вліво вище, вправо нижче. Чи взяти інший мабудь....


 
Все залежить від того,який вєнєрічний пристрій буде використовуватись,як що Р311,326 і т.п. тоді краще другий.
а як що з тросиком і шкала а-ля 60-70 тоді кінематичною схемою як завгодно...хоч круть-верть хоч верть-круть.
Але океановський КПЗ треба доопрацювати US5MSQ • Просмотр темы - Приёмник коротковолновика с низкочастотным ЭМФ
 

 
вернєр що на фото вище. Так що поставлю другий кпє. Океан піде на вихід. і треба буде ще одного знайти океанського. Думаю для 6П15П одної чи двох не прийдеться проріджувати... Хоча можна і прорідити. Пока не бачу як воно буде...
Ut5lp
Повідомлень: 119
З нами з: Суб вересня 17, 2022 3:34 pm
Позивний: UT5LP
Has thanked: 11 times
Been thanked: 32 times

Re: Трансивер на надмініатюрних лампах

Повідомлення Ut5lp »

UR5VCP писав: Нед червня 18, 2023 3:44 pm  
Він доречний у "холодному "кінці ,а у гарячому...там однієї секциї вистачить!
Такі КЗЄ бувають і двох секційні. 
 
 
UR5VCP
Повідомлень: 447
З нами з: Пон вересня 12, 2022 6:14 pm
Звідки: KN48wi
Позивний: UR5VCP
Has thanked: 83 times
Been thanked: 9 times
Контактна інформація:

Re: Трансивер на надмініатюрних лампах

Повідомлення UR5VCP »

Ut5lp писав: Нед червня 18, 2023 4:00 pm
UR5VCP писав: Нед червня 18, 2023 3:44 pm
 
Він доречний у "холодному "кінці ,а у гарячому...там однієї секциї вистачить!
Такі КЗЄ бувають і двох секційні. 
 
 

 
підберемо, то не так вже нагально.
UR5VCP
Повідомлень: 447
З нами з: Пон вересня 12, 2022 6:14 pm
Звідки: KN48wi
Позивний: UR5VCP
Has thanked: 83 times
Been thanked: 9 times
Контактна інформація:

Re: Трансивер на надмініатюрних лампах

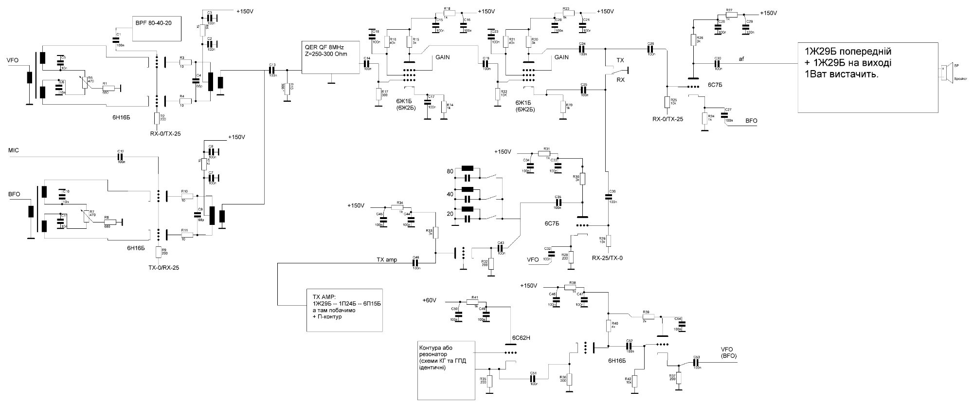
Повідомлення UR5VCP »

tube_trx.JPG
 ніби трошки номінали вказав.... Де я напоров?
Не важливі частини не вказую. Там унч та на педерачу каскади то потом.
 
oldPsyho
Повідомлень: 634
З нами з: П'ят жовтня 14, 2022 4:13 pm
Звідки: KO40ig
Позивний: UR5XOU
Has thanked: 184 times
Been thanked: 70 times

Re: Трансивер на надмініатюрних лампах

Повідомлення oldPsyho »

UR5VCP писав: Нед червня 18, 2023 4:09 pm tube_trx.JPG
 ніби трошки номінали вказав.... Де я напоров?
Не важливі частини не вказую. Там унч та на педерачу каскади то потом.
 

 
А перед С13 не треба перемикач? 6С7Б досить шумна, краще вже 6С6Б.
UR5VCP
Повідомлень: 447
З нами з: Пон вересня 12, 2022 6:14 pm
Звідки: KN48wi
Позивний: UR5VCP
Has thanked: 83 times
Been thanked: 9 times
Контактна інформація:

Re: Трансивер на надмініатюрних лампах

Повідомлення UR5VCP »

oldPsyho писав: Нед червня 18, 2023 4:13 pm
UR5VCP писав: Нед червня 18, 2023 4:09 pm tube_trx.JPG
 ніби трошки номінали вказав.... Де я напоров?
Не важливі частини не вказую. Там унч та на педерачу каскади то потом.
 


 
А перед С13 не треба перемикач? 6С7Б досить шумна, краще вже 6С6Б.

 
а нашо він там, там критична ВЧ цепочка, а лампочки запираються по -25В на сітку. Хай собі живе так.
6С6Б нема. Можу пентода на 1вольт поставити, але катодний повторювач, ізольований накал треба.
 
Ut5lp
Повідомлень: 119
З нами з: Суб вересня 17, 2022 3:34 pm
Позивний: UT5LP
Has thanked: 11 times
Been thanked: 32 times

Re: Трансивер на надмініатюрних лампах

Повідомлення Ut5lp »

UR5VCP писав: Нед червня 18, 2023 4:09 pm  Де я напоров?
 

 
Ой-о-йоЙ(с)
При такій архетектурі з міксера ТХ ,крім запирання,потрібно знімати  сигнал BFO (навіть через закриті лампи він пролізе! ППЧ має КУ!)
Сигнал на мікс ТХ ,слід брати з першого каскада ППЧ.
А тепер mixTX i driver .Тут два варіанти: 
1.або брати на катод драйверу з відводу котушок(цей варіант буде з недостатньою смугою)
2.П,або Г ланцюги узгоджування(між анодом міксера і ікатодом драйвера)вони  легко вираховуються в RFsim99.
Буде не три реле...а шість  :?
 
oldPsyho
Повідомлень: 634
З нами з: П'ят жовтня 14, 2022 4:13 pm
Звідки: KO40ig
Позивний: UR5XOU
Has thanked: 184 times
Been thanked: 70 times

Re: Трансивер на надмініатюрних лампах

Повідомлення oldPsyho »

UR5VCP писав: Нед червня 18, 2023 4:09 pm tube_trx.JPG
 ніби трошки номінали вказав.... Де я напоров?
Не важливі частини не вказую. Там унч та на педерачу каскади то потом.
 

 
Напруги на схемі орієнтовно вказані? Чи такі й будуть?
Відповісти