можна й відключаємий, можна й аттенюратор плавний на вхід причепити...
Трансивер на надмініатюрних лампах
-
- Повідомлень: 447
- З нами з: Пон вересня 12, 2022 3:14 pm
- Звідки: KN48wi
- Позивний: UR5VCP
- Has thanked: 83 times
- Been thanked: 8 times
- Контактна інформація:
Re: Трансивер на надмініатюрних лампах
а сметр як буде? як показометр?можна й відключаємий, можна й аттенюратор плавний на вхід причепити...
-
- Повідомлень: 1204
- З нами з: Пон вересня 12, 2022 1:04 pm
- Has thanked: 82 times
- Been thanked: 634 times
Re: Трансивер на надмініатюрних лампах
Зазвичай на S-метрі потрібні відмітки S9 та S9+20

-
- Повідомлень: 585
- З нами з: П'ят жовтня 14, 2022 1:13 pm
- Звідки: KO40ig
- Позивний: UR5XOU
- Has thanked: 169 times
- Been thanked: 57 times
-
- Повідомлень: 585
- З нами з: П'ят жовтня 14, 2022 1:13 pm
- Звідки: KO40ig
- Позивний: UR5XOU
- Has thanked: 169 times
- Been thanked: 57 times
Re: Трансивер на надмініатюрних лампах
звичайно, навіщо він потрібен? ото теліпається ота стрілка... ))
-
- Повідомлень: 585
- З нами з: П'ят жовтня 14, 2022 1:13 pm
- Звідки: KO40ig
- Позивний: UR5XOU
- Has thanked: 169 times
- Been thanked: 57 times
Re: Трансивер на надмініатюрних лампах
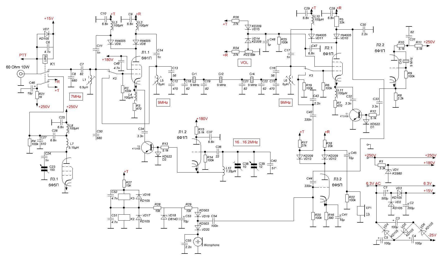
Є ще такий вариант малолампового... думаю, його простіше буде на надмініатюрні переробити... Хоча, автор, на скільки я розумію, так і не встиг його довести до ладу.
-
- Повідомлень: 447
- З нами з: Пон вересня 12, 2022 3:14 pm
- Звідки: KN48wi
- Позивний: UR5VCP
- Has thanked: 83 times
- Been thanked: 8 times
- Контактна інформація:
Re: Трансивер на надмініатюрних лампах
так, теж зустрічав цю схему! Будем думати. В мене в актив добавилось 5 штук 6Ж1Б, треба поїхати забрати, та ще й разом з керамічними модулями ))
Буде ще, пока можна зайнятися блоком живлення ))
Мотатиму транс, 6,3, 1,2, 2,4, постоянок для накала (з запасом по варіантах)
-24
+60
+80
+120
думаю вистачить ))
Буде ще, пока можна зайнятися блоком живлення ))
Мотатиму транс, 6,3, 1,2, 2,4, постоянок для накала (з запасом по варіантах)
-24
+60
+80
+120
думаю вистачить ))
-
- Повідомлень: 585
- З нами з: П'ят жовтня 14, 2022 1:13 pm
- Звідки: KO40ig
- Позивний: UR5XOU
- Has thanked: 169 times
- Been thanked: 57 times
Re: Трансивер на надмініатюрних лампах
А не простіше використати якийсь ТАН (наприклад тан-72) або ТС-180 від лампового телевізора?UR5VCP писав: ↑Пон червня 12, 2023 7:08 am так, теж зустрічав цю схему! Будем думати. В мене в актив добавилось 5 штук 6Ж1Б, треба поїхати забрати, та ще й разом з керамічними модулями ))
Буде ще, пока можна зайнятися блоком живлення ))
Мотатиму транс, 6,3, 1,2, 2,4, постоянок для накала (з запасом по варіантах)
-24
+60
+80
+120
думаю вистачить ))
P.S. на рахунок ПЧ. знаходив програму, для вибору частоти пч (вона ще й спури показує), якщо не помиляюсь, за авторством UR5FFR, незрозуміло в ній тільки одне, який порядок спурів, можна вважати більш-меньш не вартим уваги?
-
- Повідомлень: 447
- З нами з: Пон вересня 12, 2022 3:14 pm
- Звідки: KN48wi
- Позивний: UR5VCP
- Has thanked: 83 times
- Been thanked: 8 times
- Контактна інформація:
Re: Трансивер на надмініатюрних лампах
його треба ще мати )))) Низьковольтні у мене є, а такого щоб було на 100в нема. Та й як на мене то простіше намотати, завести стабілізацію по накалу (сама відповідальна напруга) та й все. Ділов то...
Так прога є така. В мене два варіанти: або жменя резонаторів на 8, або фем на 500, але фем у мене С, а резонатора на 501500 нема. Взагалі ніякого нема )))) Так що пч буде 8мгц однозначно. Ну можна замовити на 4,4хх резонаторів, від декодерів телевізора... але вже є на 8 ))
Спури... ну якщо не заважає то можна не звертати увагу
Так прога є така. В мене два варіанти: або жменя резонаторів на 8, або фем на 500, але фем у мене С, а резонатора на 501500 нема. Взагалі ніякого нема )))) Так що пч буде 8мгц однозначно. Ну можна замовити на 4,4хх резонаторів, від декодерів телевізора... але вже є на 8 ))
Спури... ну якщо не заважає то можна не звертати увагу

-
- Повідомлень: 585
- З нами з: П'ят жовтня 14, 2022 1:13 pm
- Звідки: KO40ig
- Позивний: UR5XOU
- Has thanked: 169 times
- Been thanked: 57 times
Re: Трансивер на надмініатюрних лампах
Я б накал би геть не стабілізував. У вас що, лампи прямонакальні? А замість того, зробив би стабілізатор анодної напруги. Якщо є вже готовий КФ, і відомі його параметри, то це дуже добре... В мене є КФ на 8863, його думаю використати. ЄМФ один є, нижній, але кварцу нема. Та й сильно він не потрібен, бо поставлю синтез. Можна ще спробувати мостовий фільтр, на двух або чотирьох кварцах. Десь читав, що він меньше послаблює сигнал...UR5VCP писав: ↑Пон червня 12, 2023 8:06 am його треба ще мати )))) Низьковольтні у мене є, а такого щоб було на 100в нема. Та й як на мене то простіше намотати, завести стабілізацію по накалу (сама відповідальна напруга) та й все. Ділов то...
Так прога є така. В мене два варіанти: або жменя резонаторів на 8, або фем на 500, але фем у мене С, а резонатора на 501500 нема. Взагалі ніякого нема )))) Так що пч буде 8мгц однозначно. Ну можна замовити на 4,4хх резонаторів, від декодерів телевізора... але вже є на 8 ))
Спури... ну якщо не заважає то можна не звертати увагу