Сторінка 3 з 16
Re: Германій? Германій!
Додано: П'ят вересня 13, 2024 3:39 pm
UR5FFR
Якось завумно дуже - я не розумію як тут зворотній зв'язок в каскадах працює - у тебе ж сигнал подається в емітер та частково на базу. Та й контуров дофіга. Треба окремі тракти робити, бо фігня виходить.
АРП в бази подавати це моветон. А якщо каскад охоплено НЗЗ (негативним зворотнім зв'язком) то така АРП працювати не буде, по підсилення каскаду задається саме НЗЗ. Тобто каскад до останнього буде намагатися держати рівень підсилення а потім дуже різко впаде до нуля бо транзистор закриється.
Для ЧМ АРП не потрібно - там підсилення на максимум робимо. Навіть корисно сигнал обмежувати до прямокутника щоб давити паразитну АМ.
Для ЧМ потрібно більше підсилення - два каскаду як ті намалював буде мало.
Я спробував намалювати АМ-ЧМ тракт. Ось таке вийшло. В режимі ЧМ АРП відключається. Дещо забагато комутації як на мій погляд. Але працювати повинно.
Все ж таки я вважаю що треба окремо робити АМ від ЧМ.
Re: Германій? Германій!
Додано: П'ят вересня 13, 2024 3:45 pm
UR5FFR
І ще - каскади с загальною базою використовують на частотах 10МГц та більше. На ПЧ 465кГц це непотрібно - тут краще працює каскод
Re: Германій? Германій!
Додано: П'ят вересня 13, 2024 4:06 pm
oldPsyho
UR5FFR писав: ↑П'ят вересня 13, 2024 3:39 pm
Якось завумно дуже - я не розумію як тут зворотній зв'язок в каскадах працює - у тебе ж сигнал подається в емітер та частково на базу. Та й контуров дофіга. Треба окремі тракти робити, бо фігня виходить.
АРП в бази подавати це моветон. А якщо каскад охоплено НЗЗ (негативним зворотнім зв'язком) то така АРП працювати не буде, по підсилення каскаду задається саме НЗЗ. Тобто каскад до останнього буде намагатися держати рівень підсилення а потім дуже різко впаде до нуля бо транзистор закриється.
Для ЧМ АРП не потрібно - там підсилення на максимум робимо. Навіть корисно сигнал обмежувати до прямокутника щоб давити паразитну АМ.
Для ЧМ потрібно більше підсилення - два каскаду як ті намалював буде мало.
Я спробував намалювати АМ-ЧМ тракт. Ось таке вийшло. В режимі ЧМ АРП відключається. Дещо забагато комутації як на мій погляд. Але працювати повинно.
Все ж таки я вважаю що треба окремо робити АМ від ЧМ.2024-09-13_15-35-37.png
Так там ПЧ АМ 465кгц, а ПЧ ЧМ - 10.7мгц, от і виходить, що в режимі АМ працюють нижні контура, і транзистори будуть ввімкнені ОЄ, а режимі ЧМ - верхні контура, транзюки виходять ввімкнені з ОБ
Re: Германій? Германій!
Додано: П'ят вересня 13, 2024 8:37 pm
UR5FFR
oldPsyho писав: ↑П'ят вересня 13, 2024 4:06 pm
Так там ПЧ АМ 465кгц, а ПЧ ЧМ - 10.7мгц, от і виходить, що в режимі АМ працюють нижні контура, і транзистори будуть ввімкнені ОЄ, а режимі ЧМ - верхні контура, транзюки виходять ввімкнені з ОБ
Так - да, буде працювати. Але сенсу робити другу ПЧ 10.7МГц нема ніякого. Тим паче що фільтри для ЧМ на 465кГц коштують копійки
Re: Германій? Германій!
Додано: П'ят вересня 13, 2024 9:24 pm
Ut5lp
Перед війною я робив подібне на германіі.АРП на переподілі струмів,тільки в змішувачі.Замітив одну особливість,глибина АРП помітно
залежить від прохідної ємності транзисторів.Найращими виявились ГТ322,гірше ГТ308,ще гірше П416.
На жаль схема збереглась,тільки другої ПЧ.
Як що вимкнути живлення ОГ,детектор нормально детектує АМ.
Re: Германій? Германій!
Додано: П'ят вересня 13, 2024 10:23 pm
UR5FFR
Ut5lp писав: ↑П'ят вересня 13, 2024 9:24 pm
Перед війною я робив подібне на германіі.АРП на переподілі струмів,тільки в змішувачі.Замітив одну особливість,глибина АРП помітно
залежить від прохідної ємності транзисторів.Найращими виявились ГТ322,гірше ГТ308,ще гірше П416.
На жаль схема збереглась,тільки другої ПЧ.
Як що вимкнути живлення ОГ,детектор нормально детектує АМ.
Так, якщо заводити АРП у змішувач таким чином то її глибина буде суттєво залежати від ємностей транзистора, бо навіть якщо він закрит сигнал ПЧ буде "пролазити" через ці ємності. ГТ322 взагалі хвалять для каскадів ПЧ і не тільки.
Жаль що нема повної схеми. Можливо пам'ятаєте яким був перший змішувач та підсилювач по першій ПЧ?
Re: Германій? Германій!
Додано: П'ят вересня 13, 2024 11:09 pm
Ut5lp
UR5FFR писав: ↑П'ят вересня 13, 2024 10:23 pm
Звісно пам'яаю

Спочатку був такий самий,як і другий.Подавати на нього АРП виявилось занадто...АРП зняв.
Але інколи приймач "підспівував" про піднебесну.Викинув.Дуже не погано працював змішувач на чотирох 322 по схемі Дроздова(з передавача RA3AO)
але мені здалось,що схема занадто громіздка,з купою бубликів...Хотілось простіше.
Скінчилось усе,звичайним діодним змішувачем на КД503 з широкосмуговим підсилювачем на 3-х ГТ322 впаралель.
Перша ПЧ була змінна,ГПД і ФСС перелаштовувався КПЕ з Океана,перший гетеродин кварцований(завжди вище)
Re: Германій? Германій!
Додано: П'ят вересня 13, 2024 11:40 pm
UR5FFR
Ut5lp писав: ↑П'ят вересня 13, 2024 11:09 pmЗвісно пам'яаю

Спочатку був такий самий,як і другий.Подавати на нього АРП виявилось занадто...АРП зняв.
Але інколи приймач "підспівував" про піднебесну.Викинув.Дуже не погано працював змішувач на чотирох 322 по схемі Дроздова(з передавача RA3AO)
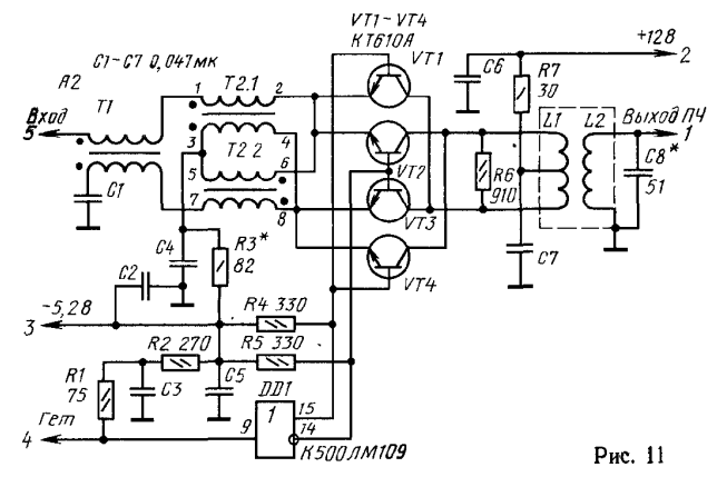
Ось такий?

- Screenshot_2024_09_13-2.png (70.16 Кіб) Переглянуто 10274 разів
Ut5lp писав: ↑П'ят вересня 13, 2024 11:09 pmале мені здалось,що схема занадто громіздка,з купою бубликів...Хотілось простіше.
Скінчилось усе,звичайним діодним змішувачем на КД503 з широкосмуговим підсилювачем на 3-х ГТ322 впаралель.
Перша ПЧ була змінна,ГПД і ФСС перелаштовувався КПЕ з Океана,перший гетеродин кварцований(завжди вище)
То це виходить був а-ля UW3DI в германії?

Re: Германій? Германій!
Додано: Суб вересня 14, 2024 10:23 am
Ut5lp
Так,він.тільки в базах був ще один бублик,а в середню точку резестивний поділювач.
струм був,десь 0,5-1 мА без сигналу гетеродину.
В єміттерах резистори шунтовані 0,1мкф.
Я б сказав а-ля ДЛ79 на германіі

Там ФСС првильний а в ДІ ніхт!
Re: Германій? Германій!
Додано: Суб вересня 14, 2024 11:35 am
oldPsyho
знайшов таку концепцію DI