Сторінка 3 з 9
Re: "Народний" Трансивер на базі ESP32-A1S
Додано: Вів жовтня 04, 2022 10:02 am
UR5FFR
LM386 застаріла IC. Може щось більш сучасне застосувати?
Re: "Народний" Трансивер на базі ESP32-A1S
Додано: Вів жовтня 04, 2022 10:24 am
Almaro1741
UR5FFR писав: ↑Вів жовтня 04, 2022 10:02 am
LM386 застаріла IC. Може щось більш сучасне застосувати?
Можна й іншу. Думаю бутербродом зробити, на окремій платі. 386 є в наявності. І TDA якісь мають бути. То вже по бажанню) а може й на основній платі буде. Концепція максимальної модульності. Більше цікавить fst3253. Чи оптимальним буде таке включення. Теоретично можна обійтись без 74АС і їм подібних. І також теоретично зменшити фазові зсуви.
Re: "Народний" Трансивер на базі ESP32-A1S
Додано: Вів жовтня 04, 2022 10:26 am
Almaro1741
І також теоретично підняти частоту прийому/передачі до 110мгц
Re: "Народний" Трансивер на базі ESP32-A1S
Додано: Вів жовтня 04, 2022 11:23 am
UR5FFR
Тільки TDA2822 - не ставте. Дуже чутлива до живлення.
Схему дайте у нормальної якості, а то багато вільного місця, а сама схема дуже маленька
PS 110МГц - забудьте. Максимум це 50-60МГц
Re: "Народний" Трансивер на базі ESP32-A1S
Додано: Вів жовтня 04, 2022 11:50 am
Almaro1741
UR5FFR писав: ↑Вів жовтня 04, 2022 11:23 am
Тільки TDA2822 - не ставте. Дуже чутлива до живлення.
Схему дайте у нормальної якості, а то багато вільного місця, а сама схема дуже маленька
PS 110МГц - забудьте. Максимум це 50-60МГц
Та я й не мріяв про 110мгц) а от 6м діапазон було б добре. Схему маю в PDF, але форум не дозволяє додавати пдф документ.
Re: "Народний" Трансивер на базі ESP32-A1S
Додано: Вів жовтня 04, 2022 11:58 am
UR5FFR
В EasyEDA є експорт у png
Re: "Народний" Трансивер на базі ESP32-A1S
Додано: Вів жовтня 04, 2022 12:25 pm
Almaro1741
UR5FFR писав: ↑Вів жовтня 04, 2022 11:58 am
В EasyEDA є експорт у png
Re: "Народний" Трансивер на базі ESP32-A1S
Додано: Вів жовтня 04, 2022 12:39 pm
UR5FFR
Нема нічого в архіві - якісь каталоги. Може простіше разшарити проект на EasyEDA?
Re: "Народний" Трансивер на базі ESP32-A1S
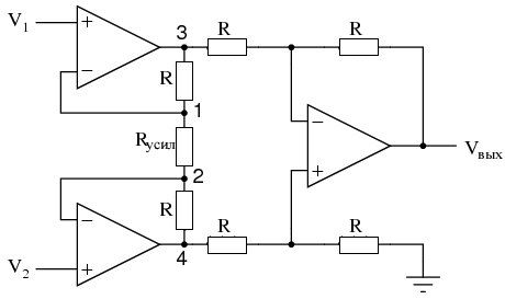
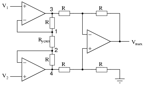
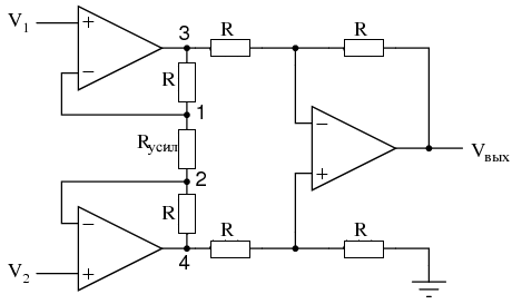
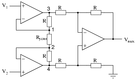
Додано: Вів жовтня 04, 2022 2:22 pm
UR5FFR
Після квадратурного детектора я би рекомендував поставити інструментальний підсилювач. Наприклад класичної схеми

- instrumental amplifier 1.png (10.92 Кіб) Переглянуто 20739 разів
Або такої

- instrumental amplifier 2.gif (7.06 Кіб) Переглянуто 20739 разів
Бо у тому підсилювачі який у вас на схемі дуже відрізняються вхідні опори.
Re: "Народний" Трансивер на базі ESP32-A1S
Додано: Вів жовтня 04, 2022 3:40 pm
Almaro1741
На оригінальній схемі використовується на виході з підсилювача дільники. І подають опорну напругу. Не зовсім зрозумів для чого. Я так розумію, для того щоб перенести весь сигнал в верхню частину. Цікаво як там досягли балансу по входах?