Сторінка 2 з 5
					
				Re: Блок живлення з електронного трансформатору
				Додано: Суб лютого 11, 2023 12:40 pm
				 master_yogurt
				oldPsyho писав: ↑Суб січня 07, 2023 9:30 pm
Давай мені))
Може вийде зробити ВВ блок живлення
 
 
 
Доброго дня! Залиште адресу, я Вам відправлю!
 
 
 
			 
			
					
				Re: Блок живлення з електронного трансформатору
				Додано: Чет лютого 06, 2025 5:44 pm
				 oldPsyho
				Внєзапно намутились кілька електронних трансформаторів))
Вирішив апнути тему, є пару питаннь:
1. Чи можна ввімкнути в мережу паралельно два цих блочка, та вторички з'єднати послідовно?
2. Як варіант, ввімкнути обмотки паралельно, та підключити до ще одно трансформатора (мотаний на кільці, підвищуючий)?
3. У цих блочків, мінімальне навантаження 35вт, це можна якось обійти? Бо є інфа, що блок склеїть ласти без навантаження...
 
			 
			
					
				Re: Блок живлення з електронного трансформатору
				Додано: Чет лютого 06, 2025 6:05 pm
				 UR5FFR
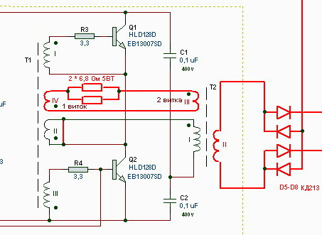
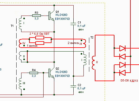
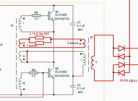
				Я скептично відношусь до заявленої потужності у 160Вт. Зазвичай 150+Вт це 4 транзистори по два у паралель. Тут більш схоже на 75-80Вт.
Без навантаження ці блоки не працюють. Їх 
обов'язково треба переробляти
			
		
				
			
 
						- 43223.png (127.93 Кіб) Переглянуто 42648 разів
 
		
		
		
			 Резистор десь 2-3ом. Треба підібрати щоб при максимальному навантаженні не було сильної просадки напруги (не більш 10%)
Фазіровка додаткових обмоток має значення - якщо невірно то не буде працювати
 
			 
			
					
				Re: Блок живлення з електронного трансформатору
				Додано: Суб лютого 08, 2025 10:27 pm
				 oldPsyho
				UR5FFR писав: ↑Чет лютого 06, 2025 6:05 pm
Я скептично відношусь до заявленої потужності у 160Вт. Зазвичай 150+Вт це 4 транзистори по два у паралель. Тут більш схоже на 75-80Вт.
Без навантаження ці блоки не працюють. Їх 
обов'язково треба переробляти43223.pngРезистор десь 2-3ом. Треба підібрати щоб при максимальному навантаженні не було сильної просадки напруги (не більш 10%)
Фазіровка додаткових обмоток має значення - якщо невірно то не буде працювати
 
 
ну, додав дві додаткові обмотки, на соплі повісив резюк 2.2 ома 10вт, також на той самий клей два кондюка 100мкф 400в. Вроді працює...
от, прикинув варіат бж, щоб не ліпити 3 таких трансформатора в купу:
P.S. В оригінальній схемі стояли КТ812 (яких в мене нема, і радіаторів теж) та КТ315...
 
 
 
			 
			
					
				Re: Блок живлення з електронного трансформатору
				Додано: Нед лютого 09, 2025 4:12 pm
				 UR5VFT
				- прикинув варіат бж, щоб не ліпити 3 таких трансформатора в купу:-                             
де збираєтеся застосувати бж..
 
			 
			
					
				Re: Блок живлення з електронного трансформатору
				Додано: Нед лютого 09, 2025 4:33 pm
				 oldPsyho
				UR5VFT писав: ↑Нед лютого 09, 2025 4:12 pm
- прикинув варіат бж, щоб не ліпити 3 таких трансформатора в купу:-                             
де збираєтеся застосувати бж..
 
 
 
В ламповому трансивері, Анодні напргуги + автоматика на ІБЖ, накал на маленькому ТН або ТПП
 
P.S. по розрахункам, трансивер потребує 5.5А по 6.3в, та 90-100мА по +150в, десь 300-350мА по +650в (пара ГУ-29), та 1А по +27в (купка реле та синтез).
 
 
 
			 
			
					
				Re: Блок живлення з електронного трансформатору
				Додано: П'ят лютого 14, 2025 12:29 am
				 UR5VFT
				-друг застосував у доопрацьованому тр. Альбатрос подібний ібж. на виході гу32 якщо у вас вийде чудова ідея ..73!                     
- 
https://www.youtube.com/watch?v=ImX4sR_4ZRI
 
  
			 
			
					
				Re: Блок живлення з електронного трансформатору
				Додано: П'ят лютого 14, 2025 1:17 am
				 oldPsyho
				
Тут є над чим подумати...
Схема найпростіша, але вона дуже привередлива до підбору транзисторів і опору резюка R7. Також не любить похабного виготовлення GTD та основного трансформатора. А ще екстріму додає випрямляч +650в, там якщо обмотку намотати як небудь, та погано зробити міжобмоточну ізоляцію, то побачимо гарний коронний розряд і чарівний дим...
 
 
			 
			
					
				Re: Блок живлення з електронного трансформатору
				Додано: Сер лютого 19, 2025 11:28 pm
				 oldPsyho
				Значить так, нарешті приїхали кільця, почав потроху строїти макєта, але з'явились деякі труднощі, бо треба перерахувати трансформатор під інше кільце. В оригіналі використовується пара кілець М2000НН К31х18,5х7, а в мене в планах використати М4000 К63х38х6.
Тобто, треба перерахувати первичну обмотку під це кільце.
В coil32 порахував індуктивність первичної обмотки (провід товщиною 0.5мм, 82 витки) під оригінальне кільце, вийшло 19.45mH, для моїх кілець, при цій же індуктивності треба 63 витки.
P.S. Частота перетворення 27кгц... Є ще кільця М2000НН К40, але туди не влізе анодна, з нормальною ізоляцією...
			 
			
					
				Re: Блок живлення з електронного трансформатору
				Додано: Суб лютого 22, 2025 2:09 pm
				 Freddy
				Як рахували кількість витків ?