Визначення вихідного опору ділянки тракта

serge_m
Повідомлень: 121
З нами з: Пон лютого 17, 2025 8:10 pm
Has thanked: 55 times
Been thanked: 50 times

Re: Визначення вихідного опору ділянки тракта

Повідомлення serge_m »

Якось так? Якщо він мене знову не намахав то в точці L16-C109-C68 на частоті 6 МГц буде приблизно 630 Ом. Хотілось би 560, але індуктивність 4.3 мкГн - поза рядами стандартних номіналів, тому 4.7
Узгодження_1.png
Узгодження_1.png (77.07 Кіб) Переглянуто 13809 разів
 
 
 
Андрій_UR3ILF
Повідомлень: 101
З нами з: Суб жовтня 01, 2022 6:36 pm
Звідки: Царичанка
Позивний: UR3ILF
Has thanked: 21 time
Been thanked: 75 times
Контактна інформація:

Re: Визначення вихідного опору ділянки тракта

Повідомлення Андрій_UR3ILF »

Так, вiно. Тiльки 150р забагато для 6МГц. 100+39р якраз. Двi позицii на платi зробiть. Так краще буде пiдiбрати або один на один конденсатори запаювати теж можливо.
serge_m
Повідомлень: 121
З нами з: Пон лютого 17, 2025 8:10 pm
Has thanked: 55 times
Been thanked: 50 times

Re: Визначення вихідного опору ділянки тракта

Повідомлення serge_m »

По розрахунках 145 пФ та 4.38 мкГн. Місце під додаткові посадочні місця і так вигризаю як можу. Другий конденсатор простіше бутербродом.
UR5FFR
Повідомлень: 1429
З нами з: Пон вересня 12, 2022 4:04 pm
Has thanked: 130 times
Been thanked: 826 times

Re: Визначення вихідного опору ділянки тракта

Повідомлення UR5FFR »

serge_m писав: Чет березня 05, 2026 9:19 pm По розрахунках 145 пФ та 4.38 мкГн. Місце під додаткові посадочні місця і так вигризаю як можу. Другий конденсатор простіше бутербродом.


 
Ланцюги узгодження зручно підбирати в RFSim. У вашому випадку індуктивність буде більша тому ємність треба зменшити, бо резонансна частота яка залежить від L*C повинна дорівнювати 6МГц з мінімальним відхиленням. Можна на калькуляторі ось так порахувати
С = 145*4,38/4,7 = 135пф
 
 
serge_m
Повідомлень: 121
З нами з: Пон лютого 17, 2025 8:10 pm
Has thanked: 55 times
Been thanked: 50 times

Re: Визначення вихідного опору ділянки тракта

Повідомлення serge_m »

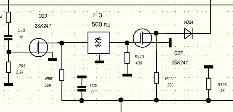
Розберемо ще один приклад?

Маємо телеграфний кварцовий фільтр з завідомо відомими вхідним і вихідним опорами по 430 Ом.
Цей фільтр в приймальному тракті:
CW_Filter.png
 По виходу фільтра бачимо навантаження 430 Ом, що дорівнює вихідному опору фільтра. Далі ізольований затвор польового транзистора який на узгодження не впливає. Тут все зрозуміло.
А от по входу фільтра польовий транзистор з навантаженням 560 Ом в стоці. Поясніть будь ласка чому не 430 Ом. Здогадуюсь що тут перераховується якось з урахуванням коеффіцієнта підсилення чи ще якогось коеффіцієнта. Дякую наперед.

Оновлено:
спробую частково сам відповісти на питання. По входу фільтра резистор 560 Ом до + живлення і привідкритий польовий транзистор на землю. По ВЧ вони включені паралельно. Лишилось порахувати опір польового транзистора - оттут вже точно допомагайте. Живлення 8 Вольт.

Оновлено 2:
Все зводиться до струму стоку транзистора. Знаючи струм, рахуємо напругу на стоці, відповідно знаємо яка напруга на стоці, знаючи струм і напругу рахуємо еквівалентний опір Rds

Оновлено 3:
Не втримався, заміряв напругу на стоці. +4.5В, значить на резисторі 560 Ом падіння 3.5В, що говорить нам про струм стоку 0.0625 Ампера.
Rds = 4.5В / 0.00625А = 720 Ом.
560 Ом || 720 Ом = 315 Ом. Виходить вхід кварцового фільтра трохи неузгоджений 315 Ом vs 430 Ом.

Питання: як я міг отримати напругу на стоці розрахунками, а не вимірюванням? 
 
 
 
 
UR5VFT
Повідомлень: 570
З нами з: Вів січня 17, 2023 6:22 pm
Позивний: UR5VFT
Has thanked: 565 times
Been thanked: 115 times

Re: Визначення вихідного опору ділянки тракта

Повідомлення UR5VFT »

для якого фільтру QER. сходового. мостового розраховуємо узгодження . схему можна ? 73!
serge_m
Повідомлень: 121
З нами з: Пон лютого 17, 2025 8:10 pm
Has thanked: 55 times
Been thanked: 50 times

Re: Визначення вихідного опору ділянки тракта

Повідомлення serge_m »

Ось схема фільтра:
photo_2026-03-10_11-32-40.jpg
Резистори, думаю зрозуміло, не є частиною власне фільтра
 
 
UR5FFR
Повідомлень: 1429
З нами з: Пон вересня 12, 2022 4:04 pm
Has thanked: 130 times
Been thanked: 826 times

Re: Визначення вихідного опору ділянки тракта

Повідомлення UR5FFR »

serge_m писав: Вів березня 10, 2026 11:49 am Оновлено:
спробую частково сам відповісти на питання. По входу фільтра резистор 560 Ом до + живлення і привідкритий польовий транзистор на землю. По ВЧ вони включені паралельно. Лишилось порахувати опір польового транзистора - оттут вже точно допомагайте. Живлення 8 Вольт.

Оновлено 2:
Все зводиться до струму стоку транзистора. Знаючи струм, рахуємо напругу на стоці, відповідно знаємо яка напруга на стоці, знаючи струм і напругу рахуємо еквівалентний опір Rds





 
Ніт, так воно не рахується. Транзистор (біполярний або польовий) це джерело струму. Він не ідеальний та має деякий вихідний опір. В даташитах часто наводять зворотну величину - вихідний адмітанс. Його виміряють у mS. 1mS = 1 / 1kOhm. Адмітанс має комплексну форму - тобто це вихідний опір (активний) та вихідна ємність які підключені паралельно. На низьких частотах вихідна ємність майже не впливає на вихідний опір. Але на ВЧ її треба враховувати.
Беремо з даташиту на 2SK241 графік
Screenshot_2026_03_10-1.png
Screenshot_2026_03_10-1.png (75.65 Кіб) Переглянуто 10844 разів
Gos - це активна компонента адмітансу, Bos - реактивна. Частоти 6МГц немає, тому рахуємо приблизно Gos=0,01mS, Bos=0,08mS
Але це для 10в drain-source. У нас навантаження резистор тому на драйні буде менше. Знайдемо струм та напругу на драйні графічним методом
Screenshot_2026_03_10-2.png
Screenshot_2026_03_10-2.png (51 Кіб) Переглянуто 10844 разів
Це корелює з тим що ви виміряли - 4,5в.
Далі дивимося як змінюється адмітанс від напруги на драйні
Screenshot_2026_03_11-1.png
Screenshot_2026_03_11-1.png (47.56 Кіб) Переглянуто 10384 разів
Реактивна компонента та активна збільшується приблизно у двічі. Тому будемо рахувати що Gos=0,02mS, Bos=0,16mS. Активна та реактивна частина підключені паралельно. Їх сумарний адмітанс просто дорівнює сумі адмітансів. Тобто Aos = Gos+Bos = 0.18mS. Тепер знайдемо вихідний опір транзистора Ros = 1/Aos = 5,5к
Повний вихідний опір складається з вихідного опору транзистора та резистора навантаження
Rout = Ros || Rload = 1/(1/5,5k+1/560) = 508ом
Тобто дещо вище ніж треба. Щоб отримати 430ом треба поставити навантаження
Rload = 1/(1/430-1/5,5к) = 466ом.
Я би поставив дещо більше - 470ом
 
 
 
serge_m
Повідомлень: 121
З нами з: Пон лютого 17, 2025 8:10 pm
Has thanked: 55 times
Been thanked: 50 times

Re: Визначення вихідного опору ділянки тракта

Повідомлення serge_m »

Вчергове дякую за розгорнуту відповідь, і в цілому за те що ділитесь цими знаннями. Думаю, цікаво не тільки мені.
Якщо підсумувати і спростити, то для такого каскада номінал резистора в сток беремо округленням в більшу сторону (або просто наступний номінал з стандартного ряду) від вхідного опору наступного кола.

PS:
Gemini мені вчора порахував приблизно те саме, але менш переконливо, без графіків з даташиту, то ж я подумав що він мене знову намахує )))
UR5FFR
Повідомлень: 1429
З нами з: Пон вересня 12, 2022 4:04 pm
Has thanked: 130 times
Been thanked: 826 times

Re: Визначення вихідного опору ділянки тракта

Повідомлення UR5FFR »

Взагалі якщо мова йде про КХ та низькоомне навантаження (менше 1к) то можна не морочитися - вихідний опір ПТ на цих частотах досить великий у порівнянні з навантаженням. Але якщо частота вища за 30-40МГц, або навантаження високоомне (наприклад резонансний контур) то це треба враховувати. 
PS там невелика помилка у розрахунках - поправив графіки та числа
Відповісти