Ламповий TRX без комутації гетеродинів

UR5VFT
Повідомлень: 503
З нами з: Вів січня 17, 2023 6:22 pm
Позивний: UR5VFT
Has thanked: 490 times
Been thanked: 100 times

Re: Ламповий TRX без комутації гетеродинів

Повідомлення UR5VFT »

73!
 
Вкладення
unnamed.JPG
unnamed.JPG (83.25 Кіб) Переглянуто 136612 разів
UR5VFT
Повідомлень: 503
З нами з: Вів січня 17, 2023 6:22 pm
Позивний: UR5VFT
Has thanked: 490 times
Been thanked: 100 times

Re: Ламповий TRX без комутації гетеродинів

Повідомлення UR5VFT »

oldPsyho писав: Сер жовтня 29, 2025 9:41 pm
UR5VFT писав: Вів жовтня 28, 2025 4:28 am
oldPsyho писав: Нед жовтня 26, 2025 5:44 pm Намалював схему, розвів платку. Ще закінчу платку з ДПФ, та й буду на чпу різати...
P.S. в якості фільтра ще схиляюся в бік ФП2П-307-11.5М-18-В, судячи з даташиту полоса там 9кгц, правда резистори R5 та R6 доведеться збільшити до 3.9к
 
 





 
 - Напевно при кліпуванні по пч бажано діоди д1-2 поставити між лампами л6-л7. до речі зможете регулювати рівень кліп і треба  додати другий кф після л7    73!
 
 



 
Гм, а навіщо там другий кф? там і так, перший на 8 кристалів, ще й друге перетворення.
 


 
- ось для прикладу правда з двома емф. але вам видніше 73!
 
 
Вкладення
UX4CZ.JPG
UX4CZ.JPG (113.72 Кіб) Переглянуто 136609 разів
03_2___826.gif
oldPsyho
Повідомлень: 623
З нами з: П'ят жовтня 14, 2022 4:13 pm
Звідки: KO40ig
Позивний: UR5XOU
Has thanked: 179 times
Been thanked: 70 times

Re: Ламповий TRX без комутації гетеродинів

Повідомлення oldPsyho »

UR5VFT писав: Чет жовтня 30, 2025 12:29 am
oldPsyho писав: Сер жовтня 29, 2025 9:41 pm
UR5VFT писав: Вів жовтня 28, 2025 4:28 am
oldPsyho писав: Нед жовтня 26, 2025 5:44 pm Намалював схему, розвів платку. Ще закінчу платку з ДПФ, та й буду на чпу різати...
P.S. в якості фільтра ще схиляюся в бік ФП2П-307-11.5М-18-В, судячи з даташиту полоса там 9кгц, правда резистори R5 та R6 доведеться збільшити до 3.9к
 
 






 
 - Напевно при кліпуванні по пч бажано діоди д1-2 поставити між лампами л6-л7. до речі зможете регулювати рівень кліп і треба  додати другий кф після л7    73!
 
 




 
Гм, а навіщо там другий кф? там і так, перший на 8 кристалів, ще й друге перетворення.
 



 
- ось для прикладу правда з двома емф. але вам видніше 73!
 
 

 
Тобто після L7 додати ще один кф, як його підчисточний? Теоретично можна, перший КФ зробити полосою десь в 4кгц, а другий з змінною полосою 2.4-2.7-3кгц...

P.S. Друга схема, на скільки я зрозумів з роздільними каскадами на прийом та передачу.
 
oldPsyho
Повідомлень: 623
З нами з: П'ят жовтня 14, 2022 4:13 pm
Звідки: KO40ig
Позивний: UR5XOU
Has thanked: 179 times
Been thanked: 70 times

Re: Ламповий TRX без комутації гетеродинів

Повідомлення oldPsyho »

oldPsyho писав: Сер жовтня 29, 2025 9:43 pm Платки розвів, зараз інша проблема. А саме - синтез.
Спробую зробити простий синтез на ESP32C3 Super Mini + Si5351. Індикація частоти на семисегментних, магнітний енкодер AS5600, перемикання діапазонів галетником. Тобто сервісу самий мінімум.
 


 
Щось таке виходить.

 
 
Вкладення
Screenshot_2025-10-30-11-36-40_3440x1440.png
oldPsyho
Повідомлень: 623
З нами з: П'ят жовтня 14, 2022 4:13 pm
Звідки: KO40ig
Позивний: UR5XOU
Has thanked: 179 times
Been thanked: 70 times

Re: Ламповий TRX без комутації гетеродинів

Повідомлення oldPsyho »

Варіант з двома КФ. Андрію, првильно другий кф поставив?
 
Вкладення
Screenshot_2025-10-31-13-13-58_3440x1440.png
UR5FFR
Повідомлень: 1343
З нами з: Пон вересня 12, 2022 4:04 pm
Has thanked: 118 times
Been thanked: 752 times

Re: Ламповий TRX без комутації гетеродинів

Повідомлення UR5FFR »

Другий КФ має сенс тільки коли одне перетворення, тобто без ЕМФ. Якщо два перетворення то сенсу нема.
UR5VFT
Повідомлень: 503
З нами з: Вів січня 17, 2023 6:22 pm
Позивний: UR5VFT
Has thanked: 490 times
Been thanked: 100 times

Re: Ламповий TRX без комутації гетеродинів

Повідомлення UR5VFT »

UR5FFR писав: П'ят жовтня 31, 2025 2:05 pm Другий КФ має сенс тільки коли одне перетворення, тобто без ЕМФ. Якщо два перетворення то сенсу нема.

 
цікаво. чим ви придушите зростання гармонік і комбінаційних частот, якщо сигнал не пропускають через другий ЕМФ або кф , ідентичний першому.   73!
oldPsyho
Повідомлень: 623
З нами з: П'ят жовтня 14, 2022 4:13 pm
Звідки: KO40ig
Позивний: UR5XOU
Has thanked: 179 times
Been thanked: 70 times

Re: Ламповий TRX без комутації гетеродинів

Повідомлення oldPsyho »

UR5VFT писав: П'ят жовтня 31, 2025 7:11 pm
UR5FFR писав: П'ят жовтня 31, 2025 2:05 pm Другий КФ має сенс тільки коли одне перетворення, тобто без ЕМФ. Якщо два перетворення то сенсу нема.


 
цікаво. чим ви придушите зростання гармонік і комбінаційних частот, якщо сигнал не пропускають через другий ЕМФ або кф , ідентичний першому.   73!

 
Як так? В режимі передачі, курликання оператора проходить через ЄМФ та КФ.
 
oldPsyho
Повідомлень: 623
З нами з: П'ят жовтня 14, 2022 4:13 pm
Звідки: KO40ig
Позивний: UR5XOU
Has thanked: 179 times
Been thanked: 70 times

Re: Ламповий TRX без комутації гетеродинів

Повідомлення oldPsyho »

oldPsyho писав: Сер жовтня 29, 2025 11:04 pm І ще питання. Зараз в мене бж виглядає ось так:
Треба ще додатково отримати +25 та +12в
Яким чином це можна зробити?
 
 
 
 

 
Такий варіант стабілізаторів.

 
Вкладення
tan.JPG
oldPsyho
Повідомлень: 623
З нами з: П'ят жовтня 14, 2022 4:13 pm
Звідки: KO40ig
Позивний: UR5XOU
Has thanked: 179 times
Been thanked: 70 times

Re: Ламповий TRX без комутації гетеродинів

Повідомлення oldPsyho »

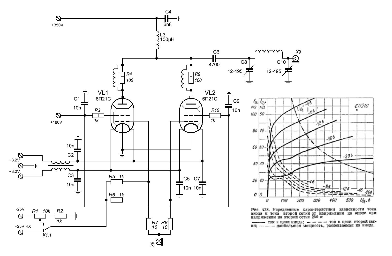
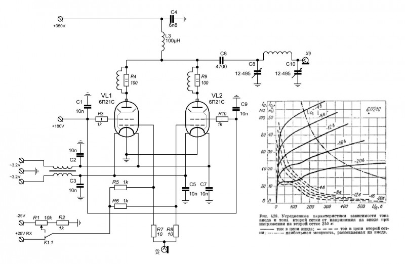
Отже, нове ммм.... загострення))
відкопав я в себе пару 6П21С (мелькала в інеті інфа, що вони є аналогами 6146b). Маленькі, гарненькі, але один мінус - прямонакальні.
Вирішив на них зробить вихід трансиверу, бо не треба там сильно високої анодної та великих струмів.

P.S. По одним даним, з пари можна зняти 10вт, по іншим - 40вт. Єдина конструкція про яку я знаю, де такі лампи використовувались це РСО-5М

Прикинув, щось виходить отаке...

 
 
 
 
 
 
Вкладення
2de8aaaf1e2b62921b8e9d95e71a4be6.jpg
6P21S.JPG
Відповісти