Антенний тюнер

UR5VFT
Повідомлень: 500
З нами з: Вів січня 17, 2023 6:22 pm
Позивний: UR5VFT
Has thanked: 476 times
Been thanked: 100 times

Re: Антенний тюнер

Повідомлення UR5VFT »

UT8AS писав: Пон грудня 29, 2025 8:38 pm Вітаю всіх! Тут є гарний тюнер від 4Z5KY, який я вже випробував як для антени так і для узгодження TRX і ПА...може кому стане у пригоді...катушки пробував різні, головне співвідношення витків між відводами...Вертикал из удочки и компактный “Z-match” антенный тюнер..pdf
 


 
антени ці ?
 
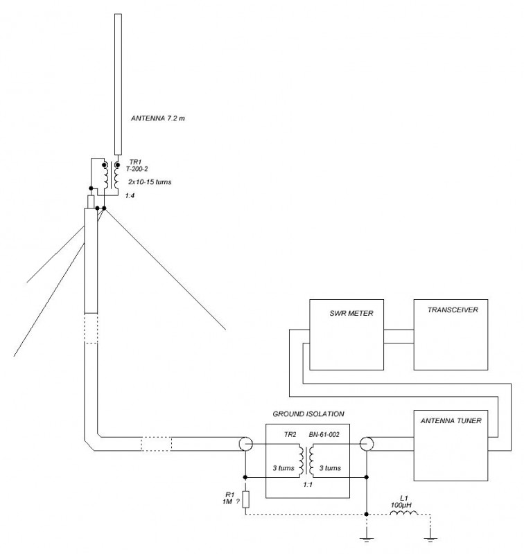
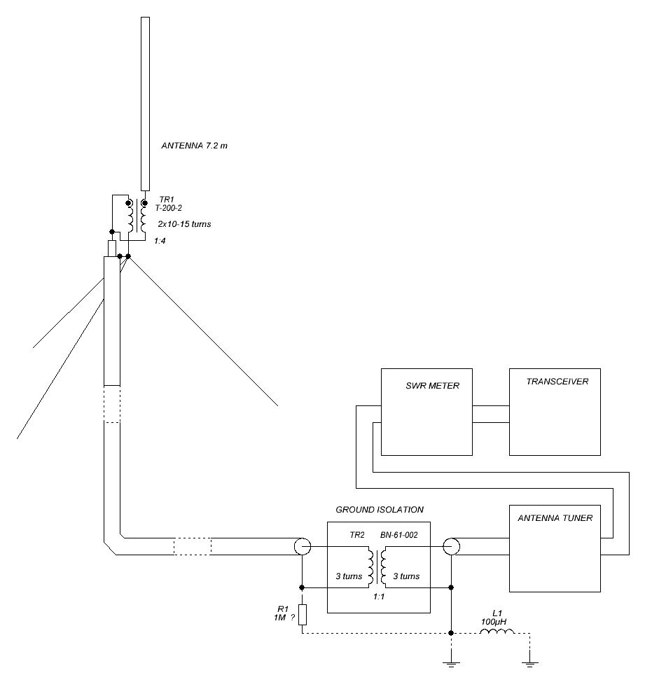
Вкладення
GROUND ISOLATION - копия.JPG
antenna - копия.JPG
UT8AS
Повідомлень: 99
З нами з: Сер вересня 14, 2022 8:37 am
Позивний: UT8AS
Has thanked: 50 times
Been thanked: 40 times

Re: Антенний тюнер

Повідомлення UT8AS »

UR5VFT писав: Пон січня 26, 2026 9:40 pm антени ці ?
 
Уявіть собі вертикал на 160м в рюкзаку для походу...мове йде саме про 160м діапазон, буде, швидше за все, який небудь несим.діполь або LW багатодіапазонні...від 10м до 40м діапазонів проблем немає з УП (СУ), а от про узгодження Z-матч або FRI-матч на 160м ніде немає опису...а хочеться активувати дипломи на всіх діапазонах...та й спробувати унів.пристрій для УП в системі TRX-ПА... 
 
UR5VFT
Повідомлень: 500
З нами з: Вів січня 17, 2023 6:22 pm
Позивний: UR5VFT
Has thanked: 476 times
Been thanked: 100 times

Re: Антенний тюнер

Повідомлення UR5VFT »

знайшов першоджерело. ці антени з цими тюнерами пропонував Сергій. спробую варіант з розв'язкою тр 1-1    73!
 
Вкладення
Z-tuner_80-10m_T-200-2_sch.JPG
Z-tuner_80-10m_T-200-2.JPG
UR5VFT
Повідомлень: 500
З нами з: Вів січня 17, 2023 6:22 pm
Позивний: UR5VFT
Has thanked: 476 times
Been thanked: 100 times

Re: Антенний тюнер

Повідомлення UR5VFT »

узгодження Z-матч або FRI-матч на 160м ніде немає опису...а хочеться активувати дипломи на всіх діапазонах...та й спробувати унів.пристрій для УП в системі TRX-ПА... 
 
- https://www.ahars.au/vk5br/ZMatch/Singl ... .8MHz.html
 - https://www.ahars.au/vk5br/index-2.html
Відповісти