Приймач спостерігача RX3308

US5MSQ
Повідомлень: 9
З нами з: Сер жовтня 18, 2023 8:21 am
Позивний: US5MSQ
Has thanked: 8 times
Been thanked: 17 times

Re: Приймач спостерігача RX3308

Повідомлення US5MSQ »

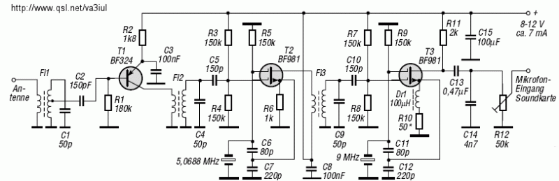
UR5FFR писав: Суб листопада 29, 2025 7:44 pm  Отже друга версіяRX3308v2_wm.pngДля спрощення схеми усі змішувачі виконані на BF998. 

 
Вітаю. На мій погляд VT3 тут зайвий. Простіше і дешевше (!) замінити його на дроссель 82-100 мкГн. Це, доречі, також трохи поліпшить работу ППЧ
 
 
UR5FFR
Повідомлень: 1388
З нами з: Пон вересня 12, 2022 4:04 pm
Has thanked: 122 times
Been thanked: 784 times

Re: Приймач спостерігача RX3308

Повідомлення UR5FFR »

US5MSQ писав: Нед листопада 30, 2025 10:42 am Вітаю. На мій погляд VT3 тут зайвий. Простіше і дешевше (!) замінити його на дроссель 82-100 мкГн. Це, доречі, також трохи поліпшить работу ППЧ
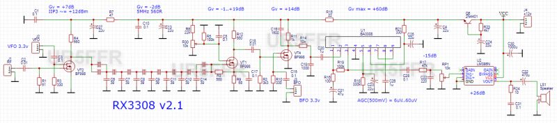
Мої вітання! Тут дросель не зовсім в тему. Річ у тому що максимальна напруга на виході детектора на VT4 становить десь 2Vrms. Далі починається компресія. Тому сильно розганяти підсилення по ВЧ-ПЧ не треба. У схемі яку я виклав воно становить 40дб. Тобто без спотворень будуть сигнали з рівнем 2Vrms-40dB = 20mVrms = 9 балів + 50dB.
Використання активного навантаження на VT3 дає десь на 1-2дб більше підсилення ніж навантаження цього каскаду на 560ом. Отже вирішив такі прибрати його. Схема з правками
RX3308v2.1_wm.png
На схемі є інформація про покаскадне підсилення (по напрузі) та рівень спрацьовування АРП .
Якщо замість R12 поставити дросель 100uH то буде додатково 15дб підсилення і сигнал буде спотворюватися вже при рівні 3mVrms = 9 балів + 35dB. При цьому треба буде зменшити підсилення BA3308 зменшив номінал R1 до 22k.
 
UR5VFT
Повідомлень: 537
З нами з: Вів січня 17, 2023 6:22 pm
Позивний: UR5VFT
Has thanked: 520 times
Been thanked: 107 times

Re: Приймач спостерігача RX3308

Повідомлення UR5VFT »

а може для спрощення на т4 зробити и оп генератор та детектор  для прикладу..   73!
Spoiler
14.070MHz_RX_PSK31_DL6FAP.gif
 
Clackamas-Schematic.png
 
 
 
UR5FFR
Повідомлень: 1388
З нами з: Пон вересня 12, 2022 4:04 pm
Has thanked: 122 times
Been thanked: 784 times

Re: Приймач спостерігача RX3308

Повідомлення UR5FFR »

А в чому спрощення полягає? Довбатися з пошуком та підгонкою кварців для опори? Зараз всюди синтезатори які генерують не тільки гетеродин а ще й потрібні частоти для демодуляції SSB. Епоха аналогових гетеродинів - це вже в минулому.
Тому цей приймач розраховано на роботу з синтезатором на SI5351 - це досить проста конструкція для початківців. Тому мінімум компонент, індуктивностей та налаштування - зібрав, включив - працює.
UR5FFR
Повідомлень: 1388
З нами з: Пон вересня 12, 2022 4:04 pm
Has thanked: 122 times
Been thanked: 784 times

Re: Приймач спостерігача RX3308

Повідомлення UR5FFR »

Freddy писав: Нед листопада 30, 2025 1:32 am А можна  залишити  біполярні транзистори  бо кількість 998 мене лякає . 

 
Не треба їх лякатися. Так - не досить великий корпус, але транзистор розповсюджений - підробок не роблять. Статики не боїться. Єдине що треба враховувати при покупці - він є у двох варіантах - BF998 та BF998R. Корпус однаковий але ноги розташовані по різному. Тут потрібно саме BF998 без букви R.
На біполярних робити вийде більше деталей та ускладнюється схемотехніка каскаду з регулюванням підсиленні - туди ще 2-3 транзистора потрібно буде поставити
Sergii
Повідомлень: 64
З нами з: Вів листопада 29, 2022 10:58 am
Has thanked: 46 times
Been thanked: 31 time

Re: Приймач спостерігача RX3308

Повідомлення Sergii »

Хіба однакові корпуси? Не дзеркальні?
UR5FFR
Повідомлень: 1388
З нами з: Пон вересня 12, 2022 4:04 pm
Has thanked: 122 times
Been thanked: 784 times

Re: Приймач спостерігача RX3308

Повідомлення UR5FFR »

Sergii писав: Пон грудня 08, 2025 12:36 pm Хіба однакові корпуси? Не дзеркальні?

 
Однакові - я мав на увазі що вони обидва в схожих смд корпусах та зовні їх досить легко сплутати якщо не знаєш на що дивитися. А так ви праві - дзеркальне відображення
UR5FFR
Повідомлень: 1388
З нами з: Пон вересня 12, 2022 4:04 pm
Has thanked: 122 times
Been thanked: 784 times

Re: Приймач спостерігача RX3308

Повідомлення UR5FFR »

Я давно хотів це зробити :) ЧМ фільтри на 10,7МГц коштують копійки. ЕМФ теж можна придбати якщо пошукати. Якщо їх поєднати з схемотехнікою на BA3308 то вийде приймач з двома перетвореннями. Ось такий
photo_2025-12-27_20-45-07.jpg
Схема трохи пізніше
Sergii
Повідомлень: 64
З нами з: Вів листопада 29, 2022 10:58 am
Has thanked: 46 times
Been thanked: 31 time

Re: Приймач спостерігача RX3308

Повідомлення Sergii »

В чим воно краще ніж одразу використання кф з полосою 3кгц?
UR5FFR
Повідомлень: 1388
З нами з: Пон вересня 12, 2022 4:04 pm
Has thanked: 122 times
Been thanked: 784 times

Re: Приймач спостерігача RX3308

Повідомлення UR5FFR »

Sergii писав: Нед грудня 28, 2025 12:48 pm В чим воно краще ніж одразу використання кф з полосою 3кгц?

 
КФ треба робити самому - відбирати кварци, підбирати ємність та знімати АЧХ. Для цього потрібен NWT бо інакше дуже муторно. У цій схемі обидва фільтри покупні - тому нічого відбирати не треба. Крім цього ЕМФ має більшу прямокутність ніж один КФ - буде краща селективність по сусідньому каналу. 
 
Відповісти