Друзі, буду помаленько викладати схеми трансиверів. Різні, всякі. Принцип пропоную простий:
- ніякого обговорення тут! Обговорювати тільки в інших або нових топіках!
- одне повідомлення - одна схема (ну вже якщо так картинок багато - то відповідно і заголовок повідомлення ч1 ч2 ч3)
- приєднуйтесь!
Каталог схем трансиверів.
-
UR5VFT
- Повідомлень: 473
- З нами з: Вів січня 17, 2023 6:22 pm
- Позивний: UR5VFT
- Has thanked: 452 times
- Been thanked: 97 times
Re: Каталог схем трансиверів.
- опис тут - http://ur0vs.atwebpages.com/?page_id=592UR5FFR писав: ↑Сер жовтня 01, 2025 10:29 amДосить цікава та продумана схема. Звідки вона? Є десь опис на неї?Ігор писав:Чет січня 01, 1970 4:22 amламп транс.JPG
На мій погляд на схемі є помилка - С28 не потрібно з'єднувати з другою сіткоюScreenshot_2025_10_01-1.pngЦікаве включення 6Ж2П у змішувачах - гетеродин на першу сітку, а сигнал на третю хоча начебто повинно бути навпакопис тут
- Бунимович Яйленко Техника любительской однополосной связи
-
Пенсіонер
- Повідомлень: 188
- З нами з: Пон липня 10, 2023 9:39 pm
- Has thanked: 9 times
- Been thanked: 91 time
Re: Каталог схем трансиверів.
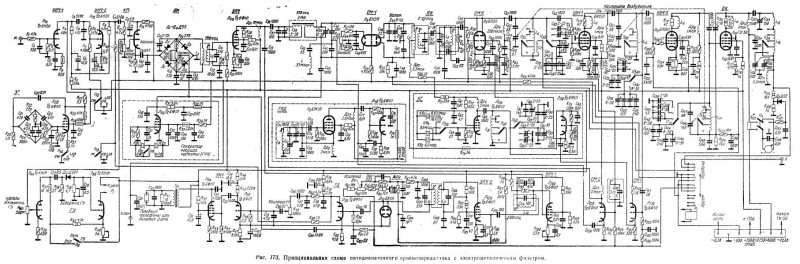
Ця схема з додатку до книги "Техника однополосной радиосвязи" 1970 р. видання.
Стислий опис з книги. Таке саме використання 6Ж2П наведено в схемі іншого трансівера того ж автора (UB5UN) на сторінці 1 теми у пості UR5VCP від 20 червня 2023.
Стислий опис з книги. Таке саме використання 6Ж2П наведено в схемі іншого трансівера того ж автора (UB5UN) на сторінці 1 теми у пості UR5VCP від 20 червня 2023.
-
Ігор Віт.
- Повідомлень: 42
- З нами з: Вів червня 18, 2024 6:44 pm
- Has thanked: 4 times
- Been thanked: 9 times
Re: Каталог схем трансиверів.
Як уже було зазначено, це схема з книги С. Бунімовича та Л. Яйленко "Техника любительской однополосной связи", 1970 рік.UR5FFR писав: ↑Сер жовтня 01, 2025 10:29 amДосить цікава та продумана схема. Звідки вона? Є десь опис на неї?Ігор писав:Чет січня 01, 1970 4:22 amламп транс.JPG
На мій погляд на схемі є помилка - С28 не потрібно з'єднувати з другою сіткоюScreenshot_2025_10_01-1.pngЦікаве включення 6Ж2П у змішувачах - гетеродин на першу сітку, а сигнал на третю хоча начебто повинно бути навпаки
Але стосовно помилок на схемі- я тут пас....
-
Ігор Віт.
- Повідомлень: 42
- З нами з: Вів червня 18, 2024 6:44 pm
- Has thanked: 4 times
- Been thanked: 9 times
Re: Каталог схем трансиверів.
Стосовно авторства схем UB5UN.
С. Г. Бунін (UB5UN) та Л. П. Яйленко (UT5AA) опублікували ще дві книги, дуже добре відомі всім аматорам, дотичним до коротких хвиль.
Це "Справочник радиолюбителя коротковолновика", видання 1978 та 1984 років.
Так, так- С. Бунін, це той самий С. Г. Бунімович. Він просто був змінив прізвище на Бунін.
Так от, на декількох форумах неодноразово читав, що Бунімович (Бунін) займався оформленням книг, питанням тиражів та відносинами з видавництвами.
А більшість схем з цих книг належать перу Леоніда Петровича Яйленка (UT5AA) . Якось так...
Ще пара схем з видання 1970 року:
Та ламповий передавач:
В цій схемі доволі незвичне схемне рішення балансного модулятора. Ніколи більше ніде не бачив. Цікаво,наскільки ефективно він працював?
С. Г. Бунін (UB5UN) та Л. П. Яйленко (UT5AA) опублікували ще дві книги, дуже добре відомі всім аматорам, дотичним до коротких хвиль.
Це "Справочник радиолюбителя коротковолновика", видання 1978 та 1984 років.
Так, так- С. Бунін, це той самий С. Г. Бунімович. Він просто був змінив прізвище на Бунін.
Так от, на декількох форумах неодноразово читав, що Бунімович (Бунін) займався оформленням книг, питанням тиражів та відносинами з видавництвами.
А більшість схем з цих книг належать перу Леоніда Петровича Яйленка (UT5AA) . Якось так...
Ще пара схем з видання 1970 року:
Та ламповий передавач:
В цій схемі доволі незвичне схемне рішення балансного модулятора. Ніколи більше ніде не бачив. Цікаво,наскільки ефективно він працював?