Підсилювач на двох ГУ-50 на 80, 40 та 20 м з імпульсним блоком живлення

UR5VFT
Повідомлень: 457
З нами з: Вів січня 17, 2023 6:22 pm
Позивний: UR5VFT
Has thanked: 437 times
Been thanked: 95 times

Re: Підсилювач на двох ГУ-50 на 80, 40 та 20 м з імпульсним блоком живлення

Повідомлення UR5VFT »

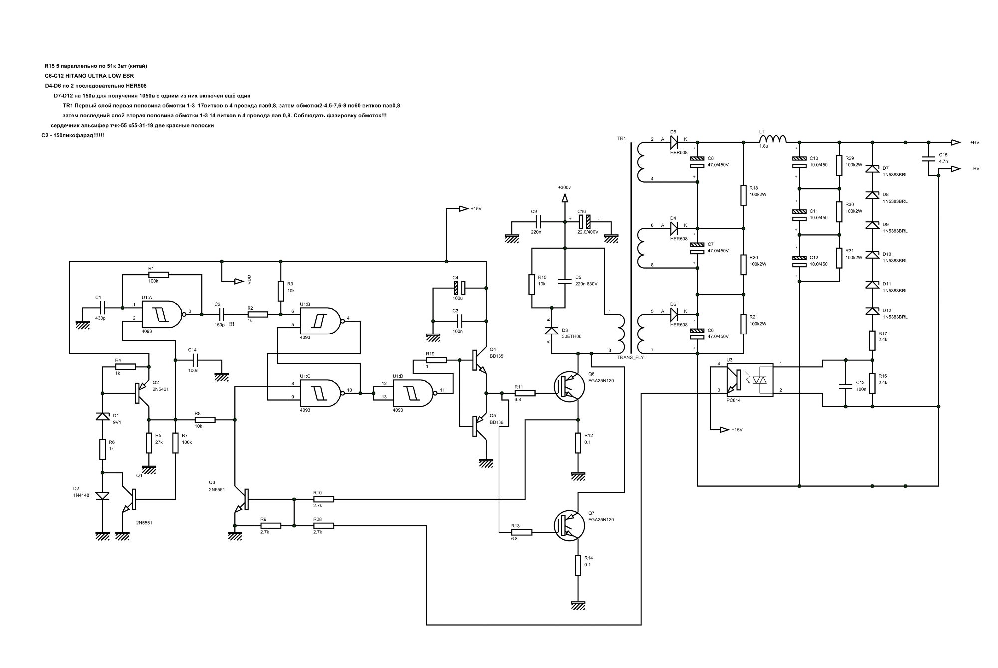
Freddy писав: П'ят лютого 21, 2025 10:39 pm .  Ви цю схему бачили  на одному відомому сайті який тут згадувався . 


 
це вона?
 
 
Вкладення
импульсный бп.rar
(2.35 МіБ) Завантажено 533 разів
bp_final_0011.jpg
Freddy
Повідомлень: 206
З нами з: П'ят лютого 10, 2023 7:00 pm
Has thanked: 17 times
Been thanked: 40 times

Re: Підсилювач на двох ГУ-50 на 80, 40 та 20 м з імпульсним блоком живлення

Повідомлення Freddy »

Так , вона . 
Freddy
Повідомлень: 206
З нами з: П'ят лютого 10, 2023 7:00 pm
Has thanked: 17 times
Been thanked: 40 times

Re: Підсилювач на двох ГУ-50 на 80, 40 та 20 м з імпульсним блоком живлення

Повідомлення Freddy »

Андрій_UR3ILF писав: Суб лютого 22, 2025 12:24 pm
oldPsyho писав: П'ят лютого 21, 2025 11:36 pm
 
Звісно. Цей модуль був розроблений моїм другом щє 10 років тому. ККД бiля 90%. Класичний зворотноходовик у яких потужність впирається в дросель та ключ. Кіловат і навіть два отримати можливо.  Трансформатор намотаний на альсифері.

Два таких блоки живлення кожен 1100 вольт 1 ампер живлять дві ГІ7Б. Відпрацьовано купу тестiв на ньому усіма видами модуляцій. На одному такому блоці зроблен лайнер для повсякденної роботи на одній ГІ7Б. Для ГУ50 то вже таке.

Часто кажуть що простіше взяти готовий зварювальник, перемотати вихідну обмотку але поки не бачив щоб хтось це зробив. Взагалі не бачив для тієї ж пари рогатих подібне в інетi. Наживо так, бачив  дві ГУ43Б живить без проблем, але топологія інша. Коректор потужності та резонансник. Не тому що зворотньохід не потяг би. Просто була другу цікава така топологія. 


 
Народу важко таке осягнути .  Силова вона відрізняється від радіо  і потребує трошки інших знань  а їх часто бракує. Кірогаз на 2х43 запустили ? 3 кг давить ?  Денис швидко працює , я довше деталі замовляю )
 
 
Freddy
Повідомлень: 206
З нами з: П'ят лютого 10, 2023 7:00 pm
Has thanked: 17 times
Been thanked: 40 times

Re: Підсилювач на двох ГУ-50 на 80, 40 та 20 м з імпульсним блоком живлення

Повідомлення Freddy »

oldPsyho писав: Суб лютого 22, 2025 11:37 am
Freddy писав: Суб лютого 22, 2025 6:47 am До побудови підсилювача в  мене не дійшло . На 600вт вантажив лампочками . Працює но гріється . Якщо не перегрівати то буде працювати . Ця схема працює в декількох людей . Знаю що  цю саму топологію з цією управою використовували в якомусь бж анодних кіл на 12кв  де було 12 блоків включено послідовно . А в чому скепсис ? 
 




 
Є впевненість в тому, що при повному навантаженні, дуже висока вірогідність того що виб'є обраткою ключ, не дивлячись навіть на клампер (а він по розрахункам, повинен бути потужним). В цьому сенсі напівміст (half bridge) набагато кращий, але й там є свої нюанси.

Ось наприклад розрахунок флайбека з ключем STW18NK80Z
P.S. При частоті перетворення 25кгц параметри майже не міняються, хіба що росте кількість витків обмоток та розмір сердечника.
 
 
 

 
Фігню ви там задали . Де розривність струму ? Зазор в 6 мм це перебор , міняйте матеріал . При 100 кгц вже треба літцендрат бо  звичайний  буде перегріватися .  Щільність струму можна і підняти  хоча це дасть виграш у діаметрі дроту . 
oldPsyho
Повідомлень: 606
З нами з: П'ят жовтня 14, 2022 4:13 pm
Звідки: KO40ig
Позивний: UR5XOU
Has thanked: 172 times
Been thanked: 65 times

Re: Підсилювач на двох ГУ-50 на 80, 40 та 20 м з імпульсним блоком живлення

Повідомлення oldPsyho »

Freddy писав: Суб лютого 22, 2025 1:51 pm
oldPsyho писав: Суб лютого 22, 2025 11:37 am
Freddy писав: Суб лютого 22, 2025 6:47 am До побудови підсилювача в  мене не дійшло . На 600вт вантажив лампочками . Працює но гріється . Якщо не перегрівати то буде працювати . Ця схема працює в декількох людей . Знаю що  цю саму топологію з цією управою використовували в якомусь бж анодних кіл на 12кв  де було 12 блоків включено послідовно . А в чому скепсис ? 
 





 
Є впевненість в тому, що при повному навантаженні, дуже висока вірогідність того що виб'є обраткою ключ, не дивлячись навіть на клампер (а він по розрахункам, повинен бути потужним). В цьому сенсі напівміст (half bridge) набагато кращий, але й там є свої нюанси.

Ось наприклад розрахунок флайбека з ключем STW18NK80Z
P.S. При частоті перетворення 25кгц параметри майже не міняються, хіба що росте кількість витків обмоток та розмір сердечника.
 
 
 


 
Фігню ви там задали . Де розривність струму ? Зазор в 6 мм це перебор , міняйте матеріал . При 100 кгц вже треба літцендрат бо  звичайний  буде перегріватися .  Щільність струму можна і підняти  хоча це дасть виграш у діаметрі дроту . 

 
0.57mm
 
Freddy
Повідомлень: 206
З нами з: П'ят лютого 10, 2023 7:00 pm
Has thanked: 17 times
Been thanked: 40 times

Re: Підсилювач на двох ГУ-50 на 80, 40 та 20 м з імпульсним блоком живлення

Повідомлення Freddy »

На фото 5.74 мм 
oldPsyho
Повідомлень: 606
З нами з: П'ят жовтня 14, 2022 4:13 pm
Звідки: KO40ig
Позивний: UR5XOU
Has thanked: 172 times
Been thanked: 65 times

Re: Підсилювач на двох ГУ-50 на 80, 40 та 20 м з імпульсним блоком живлення

Повідомлення oldPsyho »

UR5VFT писав: Суб лютого 22, 2025 1:33 pm
Freddy писав: П'ят лютого 21, 2025 10:39 pm .  Ви цю схему бачили  на одному відомому сайті який тут згадувався . 



 
це вона?
 
 

 
А от цікаво, кільця альсифер... А що нині із сучасного є? ТЧК-55 та ще такого розміру....
Freddy
Повідомлень: 206
З нами з: П'ят лютого 10, 2023 7:00 pm
Has thanked: 17 times
Been thanked: 40 times

Re: Підсилювач на двох ГУ-50 на 80, 40 та 20 м з імпульсним блоком живлення

Повідомлення Freddy »

ТЧК55  ще зустрічаються в продажу.  Аналоги є і розміри різні . Підбирати треба по проникності .  Ось  , але розмір трішки відрізняється  
https://radioelektro.prom.ua/ua/p100793 ... -tchk.html
 
oldPsyho
Повідомлень: 606
З нами з: П'ят жовтня 14, 2022 4:13 pm
Звідки: KO40ig
Позивний: UR5XOU
Has thanked: 172 times
Been thanked: 65 times

Re: Підсилювач на двох ГУ-50 на 80, 40 та 20 м з імпульсним блоком живлення

Повідомлення oldPsyho »

Freddy писав: Суб лютого 22, 2025 10:54 pm ТЧК55  ще зустрічаються в продажу.  Аналоги є і розміри різні . Підбирати треба по проникності . 

 
А по матеріалу? то ж не ферит.
 
Андрій_UR3ILF
Повідомлень: 80
З нами з: Суб жовтня 01, 2022 6:36 pm
Звідки: Царичанка
Позивний: UR3ILF
Has thanked: 18 times
Been thanked: 58 times
Контактна інформація:

Re: Підсилювач на двох ГУ-50 на 80, 40 та 20 м з імпульсним блоком живлення

Повідомлення Андрій_UR3ILF »

Freddy писав: Суб лютого 22, 2025 1:47 pm
 
Звісно. Легко віддає 3кг із однофазної мережі.
oldPsyho писав: Суб лютого 22, 2025 10:36 pm А що нині із сучасного є? 
Сендасти близькi по властивостi. Хоча  альсiфер продають ще багато де. Купував собі нещодавно для дроселів в інвертори чистої синусоїди на скайлотi. Та сентаст з розбiрки.
 
 
 
Відповісти