Германій? Германій!
-
UR5FFR
- Повідомлень: 1355
- З нами з: Пон вересня 12, 2022 4:04 pm
- Has thanked: 119 times
- Been thanked: 756 times
Re: Германій? Германій!
Якось завумно дуже - я не розумію як тут зворотній зв'язок в каскадах працює - у тебе ж сигнал подається в емітер та частково на базу. Та й контуров дофіга. Треба окремі тракти робити, бо фігня виходить.
АРП в бази подавати це моветон. А якщо каскад охоплено НЗЗ (негативним зворотнім зв'язком) то така АРП працювати не буде, по підсилення каскаду задається саме НЗЗ. Тобто каскад до останнього буде намагатися держати рівень підсилення а потім дуже різко впаде до нуля бо транзистор закриється.
Для ЧМ АРП не потрібно - там підсилення на максимум робимо. Навіть корисно сигнал обмежувати до прямокутника щоб давити паразитну АМ.
Для ЧМ потрібно більше підсилення - два каскаду як ті намалював буде мало.
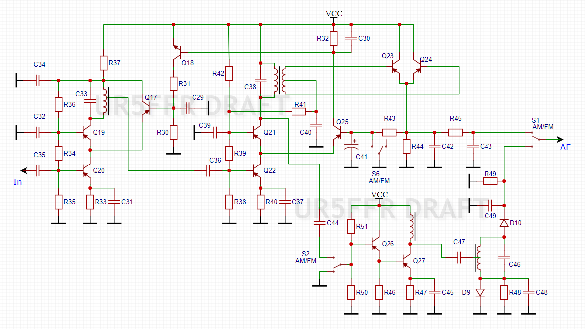
Я спробував намалювати АМ-ЧМ тракт. Ось таке вийшло. В режимі ЧМ АРП відключається. Дещо забагато комутації як на мій погляд. Але працювати повинно.
Все ж таки я вважаю що треба окремо робити АМ від ЧМ.
АРП в бази подавати це моветон. А якщо каскад охоплено НЗЗ (негативним зворотнім зв'язком) то така АРП працювати не буде, по підсилення каскаду задається саме НЗЗ. Тобто каскад до останнього буде намагатися держати рівень підсилення а потім дуже різко впаде до нуля бо транзистор закриється.
Для ЧМ АРП не потрібно - там підсилення на максимум робимо. Навіть корисно сигнал обмежувати до прямокутника щоб давити паразитну АМ.
Для ЧМ потрібно більше підсилення - два каскаду як ті намалював буде мало.
Я спробував намалювати АМ-ЧМ тракт. Ось таке вийшло. В режимі ЧМ АРП відключається. Дещо забагато комутації як на мій погляд. Але працювати повинно.
Все ж таки я вважаю що треба окремо робити АМ від ЧМ.
-
oldPsyho
- Повідомлень: 634
- З нами з: П'ят жовтня 14, 2022 4:13 pm
- Звідки: KO40ig
- Позивний: UR5XOU
- Has thanked: 183 times
- Been thanked: 70 times
Re: Германій? Германій!
Так там ПЧ АМ 465кгц, а ПЧ ЧМ - 10.7мгц, от і виходить, що в режимі АМ працюють нижні контура, і транзистори будуть ввімкнені ОЄ, а режимі ЧМ - верхні контура, транзюки виходять ввімкнені з ОБUR5FFR писав: ↑П'ят вересня 13, 2024 3:39 pm Якось завумно дуже - я не розумію як тут зворотній зв'язок в каскадах працює - у тебе ж сигнал подається в емітер та частково на базу. Та й контуров дофіга. Треба окремі тракти робити, бо фігня виходить.
АРП в бази подавати це моветон. А якщо каскад охоплено НЗЗ (негативним зворотнім зв'язком) то така АРП працювати не буде, по підсилення каскаду задається саме НЗЗ. Тобто каскад до останнього буде намагатися держати рівень підсилення а потім дуже різко впаде до нуля бо транзистор закриється.
Для ЧМ АРП не потрібно - там підсилення на максимум робимо. Навіть корисно сигнал обмежувати до прямокутника щоб давити паразитну АМ.
Для ЧМ потрібно більше підсилення - два каскаду як ті намалював буде мало.
Я спробував намалювати АМ-ЧМ тракт. Ось таке вийшло. В режимі ЧМ АРП відключається. Дещо забагато комутації як на мій погляд. Але працювати повинно.
Все ж таки я вважаю що треба окремо робити АМ від ЧМ.2024-09-13_15-35-37.png
-
UR5FFR
- Повідомлень: 1355
- З нами з: Пон вересня 12, 2022 4:04 pm
- Has thanked: 119 times
- Been thanked: 756 times
Re: Германій? Германій!
Так - да, буде працювати. Але сенсу робити другу ПЧ 10.7МГц нема ніякого. Тим паче що фільтри для ЧМ на 465кГц коштують копійки
-
Ut5lp
- Повідомлень: 115
- З нами з: Суб вересня 17, 2022 3:34 pm
- Позивний: UT5LP
- Has thanked: 10 times
- Been thanked: 30 times
Re: Германій? Германій!
Перед війною я робив подібне на германіі.АРП на переподілі струмів,тільки в змішувачі.Замітив одну особливість,глибина АРП помітно
залежить від прохідної ємності транзисторів.Найращими виявились ГТ322,гірше ГТ308,ще гірше П416.
На жаль схема збереглась,тільки другої ПЧ. Як що вимкнути живлення ОГ,детектор нормально детектує АМ.
залежить від прохідної ємності транзисторів.Найращими виявились ГТ322,гірше ГТ308,ще гірше П416.
На жаль схема збереглась,тільки другої ПЧ. Як що вимкнути живлення ОГ,детектор нормально детектує АМ.
-
UR5FFR
- Повідомлень: 1355
- З нами з: Пон вересня 12, 2022 4:04 pm
- Has thanked: 119 times
- Been thanked: 756 times
Re: Германій? Германій!
Так, якщо заводити АРП у змішувач таким чином то її глибина буде суттєво залежати від ємностей транзистора, бо навіть якщо він закрит сигнал ПЧ буде "пролазити" через ці ємності. ГТ322 взагалі хвалять для каскадів ПЧ і не тільки.Ut5lp писав: ↑П'ят вересня 13, 2024 9:24 pm Перед війною я робив подібне на германіі.АРП на переподілі струмів,тільки в змішувачі.Замітив одну особливість,глибина АРП помітно
залежить від прохідної ємності транзисторів.Найращими виявились ГТ322,гірше ГТ308,ще гірше П416.
На жаль схема збереглась,тільки другої ПЧ.
Як що вимкнути живлення ОГ,детектор нормально детектує АМ.
Жаль що нема повної схеми. Можливо пам'ятаєте яким був перший змішувач та підсилювач по першій ПЧ?
-
Ut5lp
- Повідомлень: 115
- З нами з: Суб вересня 17, 2022 3:34 pm
- Позивний: UT5LP
- Has thanked: 10 times
- Been thanked: 30 times
Re: Германій? Германій!
Звісно пам'яаю
Спочатку був такий самий,як і другий.Подавати на нього АРП виявилось занадто...АРП зняв.
Але інколи приймач "підспівував" про піднебесну.Викинув.Дуже не погано працював змішувач на чотирох 322 по схемі Дроздова(з передавача RA3AO)
але мені здалось,що схема занадто громіздка,з купою бубликів...Хотілось простіше.
Скінчилось усе,звичайним діодним змішувачем на КД503 з широкосмуговим підсилювачем на 3-х ГТ322 впаралель.
Перша ПЧ була змінна,ГПД і ФСС перелаштовувався КПЕ з Океана,перший гетеродин кварцований(завжди вище)
-
UR5FFR
- Повідомлень: 1355
- З нами з: Пон вересня 12, 2022 4:04 pm
- Has thanked: 119 times
- Been thanked: 756 times
Re: Германій? Германій!
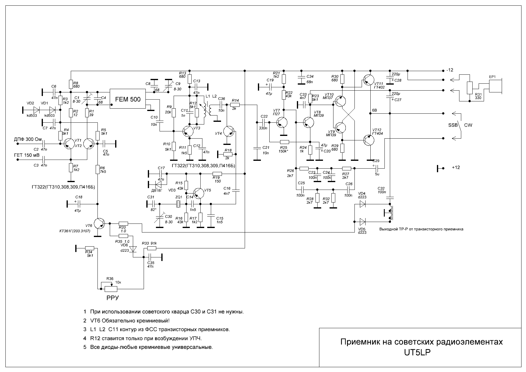
Ось такий?
То це виходить був а-ля UW3DI в германії?Ut5lp писав: ↑П'ят вересня 13, 2024 11:09 pmале мені здалось,що схема занадто громіздка,з купою бубликів...Хотілось простіше.
Скінчилось усе,звичайним діодним змішувачем на КД503 з широкосмуговим підсилювачем на 3-х ГТ322 впаралель.
Перша ПЧ була змінна,ГПД і ФСС перелаштовувався КПЕ з Океана,перший гетеродин кварцований(завжди вище)
-
Ut5lp
- Повідомлень: 115
- З нами з: Суб вересня 17, 2022 3:34 pm
- Позивний: UT5LP
- Has thanked: 10 times
- Been thanked: 30 times
Re: Германій? Германій!
Так,він.тільки в базах був ще один бублик,а в середню точку резестивний поділювач.
струм був,десь 0,5-1 мА без сигналу гетеродину.
В єміттерах резистори шунтовані 0,1мкф.
Я б сказав а-ля ДЛ79 на германіі
Там ФСС првильний а в ДІ ніхт!
струм був,десь 0,5-1 мА без сигналу гетеродину.
В єміттерах резистори шунтовані 0,1мкф.
Я б сказав а-ля ДЛ79 на германіі
Там ФСС првильний а в ДІ ніхт!