Підсилювач на 2-х ГК-71 з загальним катодом

UR5VFT
Повідомлень: 571
З нами з: Вів січня 17, 2023 6:22 pm
Позивний: UR5VFT
Has thanked: 566 times
Been thanked: 116 times

Re: Підсилювач на 2-х ГК-71 з загальним катодом

Повідомлення UR5VFT »

компенсація  С вихода 
 
UR5VFT
Повідомлень: 571
З нами з: Вів січня 17, 2023 6:22 pm
Позивний: UR5VFT
Has thanked: 566 times
Been thanked: 116 times

Re: Підсилювач на 2-х ГК-71 з загальним катодом

Повідомлення UR5VFT »

 - збираю підсилювач на 2-х ГК-71 по схемі з загальним катодом.
https://ve3kf.build2.ru/viewtopic.php?id=547
Boris_d
Повідомлень: 10
З нами з: П'ят жовтня 14, 2022 2:34 pm
Позивний: UT3UTJ
Has thanked: 2 times
Been thanked: 1 time

Re: Підсилювач на 2-х ГК-71 з загальним катодом

Повідомлення Boris_d »

Велике дякую!
UR5VFT
Повідомлень: 571
З нами з: Вів січня 17, 2023 6:22 pm
Позивний: UR5VFT
Has thanked: 566 times
Been thanked: 116 times

Re: Підсилювач на 2-х ГК-71 з загальним катодом

Повідомлення UR5VFT »

- ЩЕ 2 ГК 71
- chrome-extension://efaidnbmnnnibpcajpcglclefindmkaj/https://ok1amf.nagano.cz/TECHNIKA/OK2BNG/QRO2xGK71.pdf
 
Freddy
Повідомлень: 299
З нами з: П'ят лютого 10, 2023 7:00 pm
Has thanked: 26 times
Been thanked: 49 times

Re: Підсилювач на 2-х ГК-71 з загальним катодом

Повідомлення Freddy »

Для чого з'єднали екрану і керуючу сітки ? Зменшення ємності ? 
 
UR5VFT
Повідомлень: 571
З нами з: Вів січня 17, 2023 6:22 pm
Позивний: UR5VFT
Has thanked: 566 times
Been thanked: 116 times

Re: Підсилювач на 2-х ГК-71 з загальним катодом

Повідомлення UR5VFT »

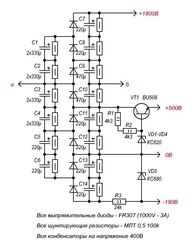
на прохання того, хто дзвонив схему з харчуванням від мережі .. 73!
 
 
Вкладення
-71_44.jpg
-71_44.jpg (24.25 Кіб) Переглянуто 296 разів
1040-1-f.jpg
Відповісти