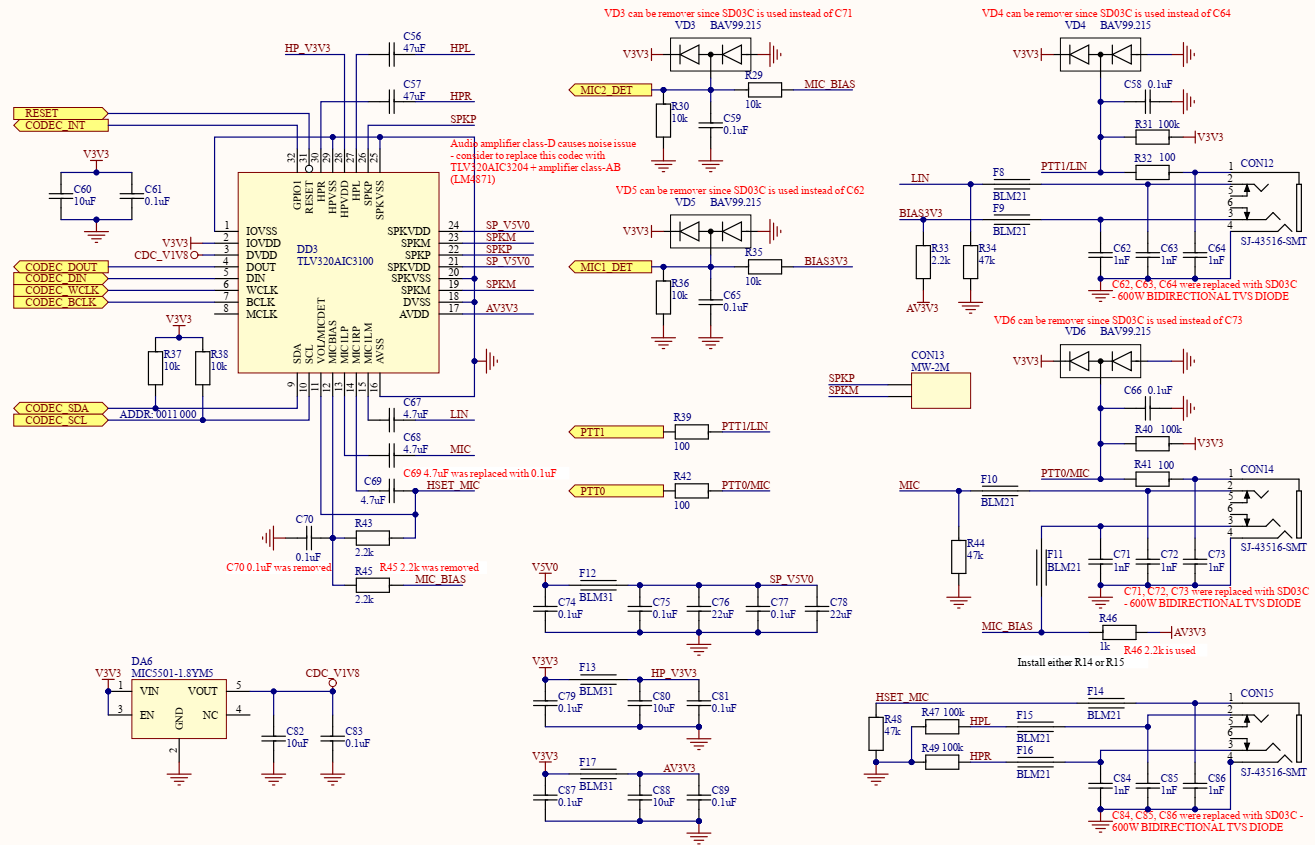
При налаштуванні підсилювача потужності виявив ще одну проблему: доволі великий рівень шуму йде від мікрофону. І знову цей клятий шум

. Використовую мікрофон BCM9765, підключаю екранованим проводом від енкодера. Схему кодека додаю.
Частково проблему вдалося вирішити за допомогою AGC, що міститься в самому кодеку. Там є можливість задавати рівень сигналу при якому AGC "відкривається" якщо рівень меньше то кодек видає 0. Але це не зовсім те чого б хотілось досягти хотілося б позбутися шумів )). Пробував підключати цей же мікрофон до комп'ютера і в налаштуваннях вимикав шумодав то так не шумить, навіть, при максимальному підсиленню.
То ж ймовірніше проблема в схемі. Буду вдячним якщо допоможете розібратися або запропонуєте ідеї як це можна виправити.