-
UR5FFR
- Повідомлень: 1360
- З нами з: Пон вересня 12, 2022 4:04 pm
- Has thanked: 120 times
- Been thanked: 763 times
Повідомлення
UR5FFR »
Принцип топіка - то же що в схемах трансиверів.
Не забуваємо - ніяких коментарів тут. Тут тільки бібліотека )
-
Пенсіонер
- Повідомлень: 193
- З нами з: Пон липня 10, 2023 9:39 pm
- Has thanked: 9 times
- Been thanked: 97 times
Повідомлення
Пенсіонер »

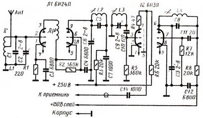
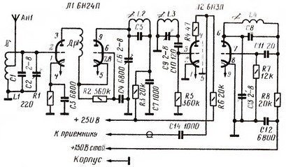
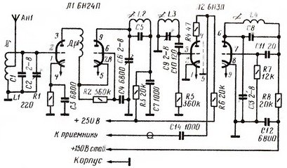
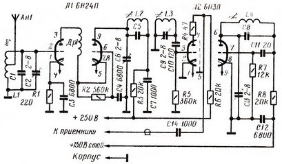
- f.1974-09.023 1.jpg (30.87 Кіб) Переглянуто 153774 разів
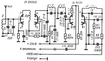
Це конвертор на базі ПТК (Р №9-1974).
-
UR5FFR
- Повідомлень: 1360
- З нами з: Пон вересня 12, 2022 4:04 pm
- Has thanked: 120 times
- Been thanked: 763 times
Повідомлення
UR5FFR »
Простий фільтр для телеграфу

- af cw filter.png (182.14 Кіб) Переглянуто 153688 разів