Все почалось з того, що з Аліекспрес прислали мені кодекі TLV320AIC3204. Знаю що че така собі лотерея то ж захотілося мені їх перевірити. Для цього знайшов перехідник QFN32 - DIP запаяв туди мікросхему і на макетній платі зібрав просту схему з виходом на навушники та на NS8002 і одним мікрофонним входом. В якості мікроконтролера використовую плату на ESP32. Після декількох днів програмування все запрацювало.
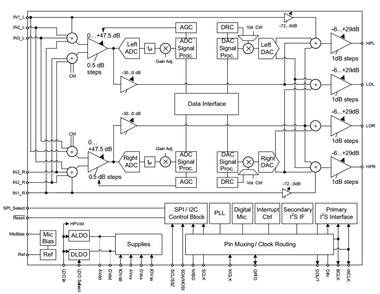
І тут потрібно сказати трохи про сам кодек. Він має таку структуру:

- codec.png (103.12 Кіб) Переглянуто 43610 разів
На вході АЦП стоять підсилювачі в яких програмно можна змінювати підсилення і вхідний опір (10кОм, 20кОм, 40кОм) також можна сконфігурувати для роботи з диференційними сигналами. То ж у мене з'явилась ідея додати на макетку ще модуль з Si5351 та змішувач на 3253 (бо є в наявності

). На схемі зображено в червоній рамці. В подібних схемах бачив, що після змішувача ставлять підсилювачі на ОП, але оскільки в кодека є такі підсилювачі то ідея полягає в тому щоб на пряму підключитися і до того ж я програмно можу керувати напругою зміщення на входах (0.9В або 0.75В), що в теорії дає можливість позбутися резистивних кіл зміщення.
Цікавить думка експертів на скільки моя ідея робоча і чи варто з таким підходом взагалі експериментувати?
То відносилось до приймача, а от стосовно передавача. Маємо на виході підсилювач який може працювати безпосередньо на навушники. В диференційному включенні мінімальний опір навантаження 32Ом у звичайному 16Ом. Клас В. Чи можливо його підключить безпосередню до змішувача без додаткових ОП?