Каталог схем трансиверів.

UR5VCP
Повідомлень: 447
З нами з: Пон вересня 12, 2022 6:14 pm
Звідки: KN48wi
Позивний: UR5VCP
Has thanked: 83 times
Been thanked: 9 times
Контактна інформація:

Каталог схем трансиверів.

Повідомлення UR5VCP »

Друзі, буду помаленько викладати схеми трансиверів. Різні, всякі. Принцип пропоную простий:
- ніякого обговорення тут! Обговорювати тільки в інших або нових топіках!
- одне повідомлення - одна схема (ну вже якщо так картинок багато - то відповідно і заголовок повідомлення ч1 ч2 ч3)
- приєднуйтесь!
 
UR5VCP
Повідомлень: 447
З нами з: Пон вересня 12, 2022 6:14 pm
Звідки: KN48wi
Позивний: UR5VCP
Has thanked: 83 times
Been thanked: 9 times
Контактна інформація:

Re: Каталог схем трансиверів.

Повідомлення UR5VCP »

Трёхламповый ППП.JPG
 
UR5VCP
Повідомлень: 447
З нами з: Пон вересня 12, 2022 6:14 pm
Звідки: KN48wi
Позивний: UR5VCP
Has thanked: 83 times
Been thanked: 9 times
Контактна інформація:

Re: Каталог схем трансиверів.

Повідомлення UR5VCP »

3_tube_trx.png
 Взято у https://us5msq.com.ua/, власне коментарі:

Код: Виділити все

Желание посостязаться в малоламповости привело вот к такой схеме. Это проект, в железе еще не воплощался. Буду рад критическим замечаниям как Сергея, так и остальных участников форума

На рисунке показана основная плата, без гетеродинов. Лампы те же самые, что и у прототипа - Трехлампового приемника - 6Ф12П. В качестве ФОС применен ЭМФ 500кГц. ДПФ - 2х-контурный с емкостной связью (П-контур + одиночный параллельный)

Изюмики данной схемы - не только в минимальном числе ламп, но и самодельных намоточных катушек - их всего 2 (в П-контуре, и в ДПФ). Еще одна фишка - у всех реле, через которые проходит слабый сигнал, подвижные контакты заземлены. Исключение только у реле выходного каскада, но там сигнал мощный.

Построение тракта совпадает с трактом Радио-76, но, в отличие от него, неиспользуемые в режиме приема или передачи входы замыкаются на землю контактами реле что улучшает помехоустойчивость.

На прием работают все лампы, на передачу - все, кроме триода. Выходной пентод (на его место можно поставить более мощный 6Ф5П) также работает как выходной УНЧ на прием и выходной УВЧ на передачу.

Подробное описание - в процессе

https://us5msq.com.ua/forum/viewtopic.php?f=8&t=444
UR5VCP
Повідомлень: 447
З нами з: Пон вересня 12, 2022 6:14 pm
Звідки: KN48wi
Позивний: UR5VCP
Has thanked: 83 times
Been thanked: 9 times
Контактна інформація:

Re: Каталог схем трансиверів.

Повідомлення UR5VCP »

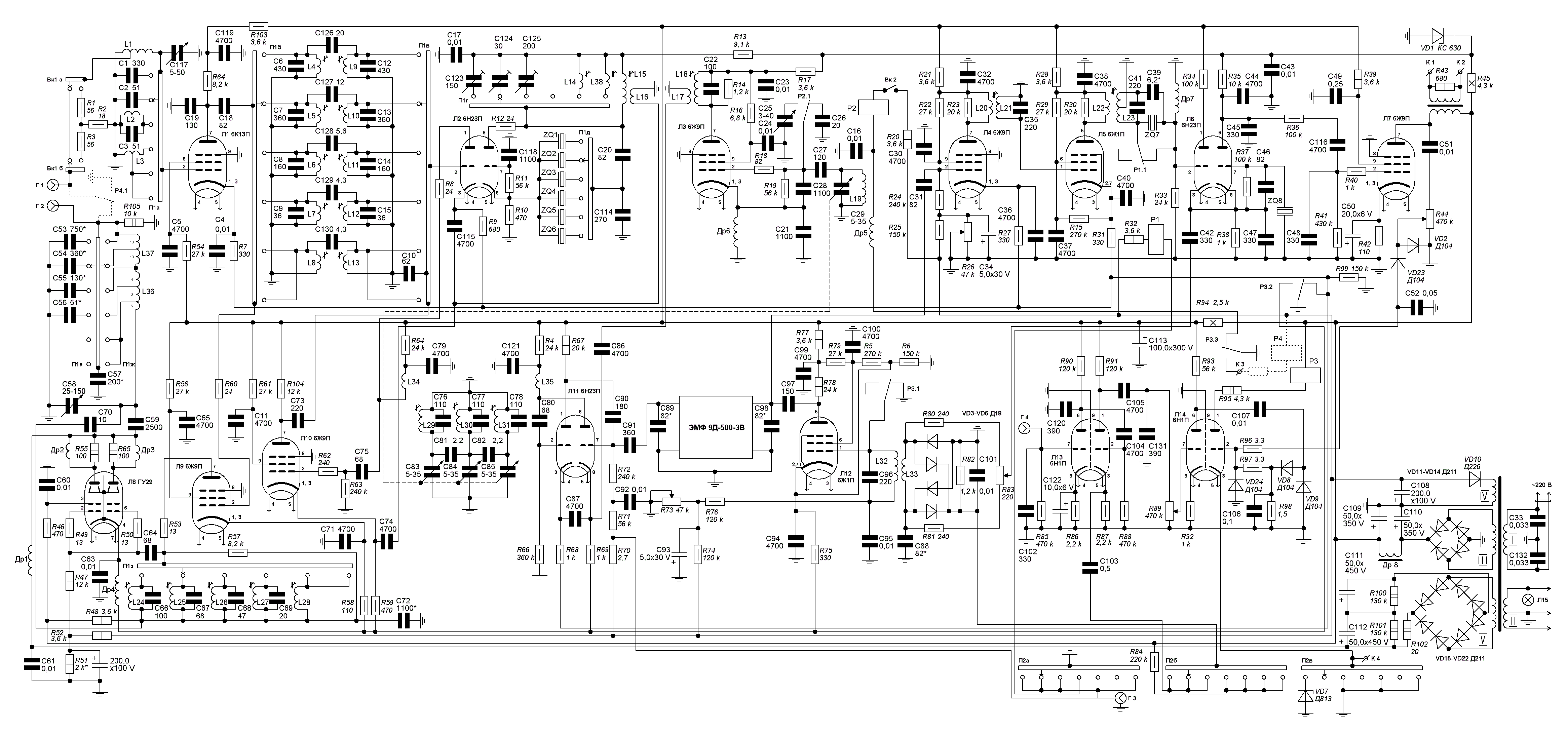
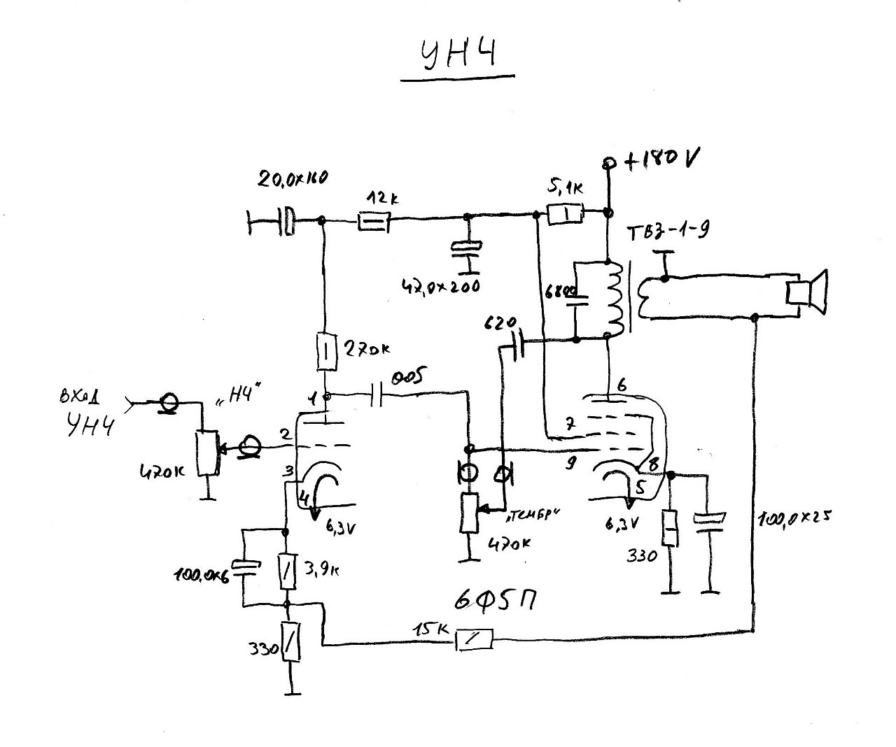
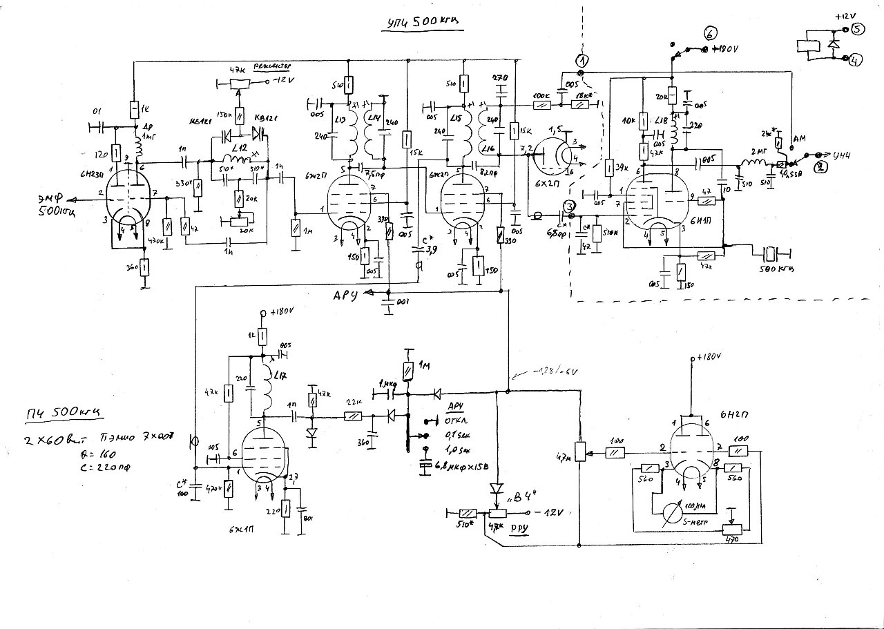
Трансивер від LY3BD з перетворенням вверх:
блок-схема.JPG
 
АТТ-ФНЧ.JPG
 
СМ-1.JPG
 
ПЧ500Кгц.JPG
 
СМ-2;СМ3.JPG
 
УНЧ.JPG
 
 
UR5VCP
Повідомлень: 447
З нами з: Пон вересня 12, 2022 6:14 pm
Звідки: KN48wi
Позивний: UR5VCP
Has thanked: 83 times
Been thanked: 9 times
Контактна інформація:

Re: Каталог схем трансиверів.

Повідомлення UR5VCP »

Стаби живлення:
hw stab 1.jpg
hw stab 1.jpg (26.95 Кіб) Переглянуто 64464 разів
 
hw stab 2.jpg
hw stab 2.jpg (19.48 Кіб) Переглянуто 64464 разів
 
UR5VCP
Повідомлень: 447
З нами з: Пон вересня 12, 2022 6:14 pm
Звідки: KN48wi
Позивний: UR5VCP
Has thanked: 83 times
Been thanked: 9 times
Контактна інформація:

Re: Каталог схем трансиверів.

Повідомлення UR5VCP »

Трансивер від UA9FNI
ДПФ.GIF
 
Увч-пр.GIF
 
См-пр-пер.GIF
 
Дет_унч_кв-ген_форм-дсб.GIF
 
ГПД.GIF
 
UR5VCP
Повідомлень: 447
З нами з: Пон вересня 12, 2022 6:14 pm
Звідки: KN48wi
Позивний: UR5VCP
Has thanked: 83 times
Been thanked: 9 times
Контактна інформація:

Re: Каталог схем трансиверів.

Повідомлення UR5VCP »

Ну, як же без класики! Дякую, Вовчику )
UW3DI_1.1.GIF
 
UR5VFT
Повідомлень: 571
З нами з: Вів січня 17, 2023 6:22 pm
Позивний: UR5VFT
Has thanked: 566 times
Been thanked: 116 times

Re: Каталог схем трансиверів.

Повідомлення UR5VFT »

простий
 
UR5VFT
Повідомлень: 571
З нами з: Вів січня 17, 2023 6:22 pm
Позивний: UR5VFT
Has thanked: 566 times
Been thanked: 116 times

Re: Каталог схем трансиверів.

Повідомлення UR5VFT »

з сайта автора US5QBR
 
UR5VFT
Повідомлень: 571
З нами з: Вів січня 17, 2023 6:22 pm
Позивний: UR5VFT
Has thanked: 566 times
Been thanked: 116 times

Re: Каталог схем трансиверів.

Повідомлення UR5VFT »

ще..
 
Пенсіонер
Повідомлень: 200
З нами з: Пон липня 10, 2023 9:39 pm
Has thanked: 9 times
Been thanked: 106 times

Re: Каталог схем трансиверів.

Повідомлення Пенсіонер »

LY3BBI.png
Приймач
 
Ламповый трансивер UP2NV вар. 1,7.GIF
Двохпасмовий варіант UP2NV.
 
Angor 75.jpg
 А як же без нього?
 
 
 
 
 
Відповісти