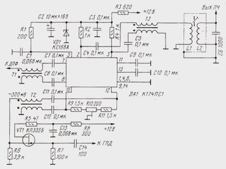
Змішувач на мікросхемі 174пс1

UR5FFR
Повідомлень: 1385
З нами з: Пон вересня 12, 2022 4:04 pm
Has thanked: 122 times
Been thanked: 782 times

Re: Змішувач на мікросхемі 174пс1

Повідомлення UR5FFR »

UR5VFT писав: Чет березня 12, 2026 12:54 am
Freddy писав: Сер березня 11, 2026 10:22 pm Де їх взяти отих 174пс1 та ще й таких щоб були нормальні а не брак ?
https://standart-pribor.com.ua/product/ ... kroskhema/
І скільки вони там коштують? Ви питали? Щось я сумніваюсь що там буде адекватна ціна
 
UR5VFT
Повідомлень: 534
З нами з: Вів січня 17, 2023 6:22 pm
Позивний: UR5VFT
Has thanked: 514 times
Been thanked: 106 times

Re: Змішувач на мікросхемі 174пс1

Повідомлення UR5VFT »

UR5FFR писав: Чет березня 12, 2026 10:17 am
UR5VFT писав: Чет березня 12, 2026 12:54 am
Freddy писав: Сер березня 11, 2026 10:22 pm Де їх взяти отих 174пс1 та ще й таких щоб були нормальні а не брак ?

 
https://standart-pribor.com.ua/product/ ... kroskhema/

 
І скільки вони там коштують? Ви питали? Щось я сумніваюсь що там буде адекватна ціна
 

 
ви праві брав тут до війни по 50 подзвонив 200 . друг брав тут. 73!
 - https://skylots.org/q-%D0%BA174%D0%BF%D1%811/
 
UR5FFR
Повідомлень: 1385
З нами з: Пон вересня 12, 2022 4:04 pm
Has thanked: 122 times
Been thanked: 782 times

Re: Змішувач на мікросхемі 174пс1

Повідомлення UR5FFR »

UR5VFT писав: Чет березня 12, 2026 12:54 pm ви праві брав тут до війни по 50 подзвонив 200 . друг брав тут. 73!
 - https://skylots.org/q-%D0%BA174%D0%BF%D1%811/
85грн за штуку? Не забагато?
 
UR5VFT
Повідомлень: 534
З нами з: Вів січня 17, 2023 6:22 pm
Позивний: UR5VFT
Has thanked: 514 times
Been thanked: 106 times

Re: Змішувач на мікросхемі 174пс1

Повідомлення UR5VFT »

UR5FFR писав: Чет березня 12, 2026 1:29 pm
UR5VFT писав: Чет березня 12, 2026 12:54 pm ви праві брав тут до війни по 50 подзвонив 200 . друг брав тут. 73!
 - https://skylots.org/q-%D0%BA174%D0%BF%D1%811/


 
85грн за штуку? Не забагато?
 


 
а пачка цигарок  мінімум 100-120 не забагато?
 
 
UR5VFT
Повідомлень: 534
З нами з: Вів січня 17, 2023 6:22 pm
Позивний: UR5VFT
Has thanked: 514 times
Been thanked: 106 times

Re: Змішувач на мікросхемі 174пс1

Повідомлення UR5VFT »

 73!
 
Вкладення
лл.jpg
лл.jpg (31.44 Кіб) Переглянуто 309 разів
UR5FFR
Повідомлень: 1385
З нами з: Пон вересня 12, 2022 4:04 pm
Has thanked: 122 times
Been thanked: 782 times

Re: Змішувач на мікросхемі 174пс1

Повідомлення UR5FFR »

UR5VFT писав: Чет березня 12, 2026 1:57 pm а пачка цигарок  мінімум 100-120 не забагато?
То не куріть - це шкідливо для здоров'я :) До речі більшість схем на ПС1 можна переробити на ТА3758 яка більш доступна. Оце було б корисно, бо ще через декілька років ПС1 можна буде знайти тільки у музеях :)
serge_m
Повідомлень: 76
З нами з: Пон лютого 17, 2025 8:10 pm
Has thanked: 30 times
Been thanked: 26 times

Re: Змішувач на мікросхемі 174пс1

Повідомлення serge_m »

UR5FFR писав: Чет березня 12, 2026 2:58 pm ТА3758 яка більш доступна
Та вже все... хто планує щось на TA7358 збирати - йдіть прямо зараз на сайт UR8LV до Володимира US5LDX і купіть наперед. Бо вже теж дефіцит. З Алі присилають вживані, перемарковані, частково неробочі, а ціна +- як у Володимира на нові оригінальні.
Знаю, у цієї мікросхеми багато аналогів, і навіть завідомо китайська CD7358GS, але навіть на неї ціна близько долара за штуку, та і її теж не дуже видно в продажу :(
 
 
 
Freddy
Повідомлень: 275
З нами з: П'ят лютого 10, 2023 7:00 pm
Has thanked: 23 times
Been thanked: 46 times

Re: Змішувач на мікросхемі 174пс1

Повідомлення Freddy »

UR5VFT писав: Чет березня 12, 2026 1:57 pm
UR5FFR писав: Чет березня 12, 2026 1:29 pm
UR5VFT писав: Чет березня 12, 2026 12:54 pm ви праві брав тут до війни по 50 подзвонив 200 . друг брав тут. 73!
 - https://skylots.org/q-%D0%BA174%D0%BF%D1%811/




 
85грн за штуку? Не забагато?
 




 
а пачка цигарок  мінімум 100-120 не забагато?
 
 


 
Якщо людина не палить то треба менше їсти ? Це все лірика але це явно завищена ціна за стару мікросхему з незрозумілою якістю . І головне , а який сенс її використовувати ? Що вона дає? Виграш в параметрах ? 
 
Відповісти