Трансивер SW2025
-
serge_m
- Повідомлень: 121
- З нами з: Пон лютого 17, 2025 8:10 pm
- Has thanked: 55 times
- Been thanked: 50 times
Трансивер SW2025
Технічна тема для спілкування на тему збирання, налаштування, користування трансивером SW2025.
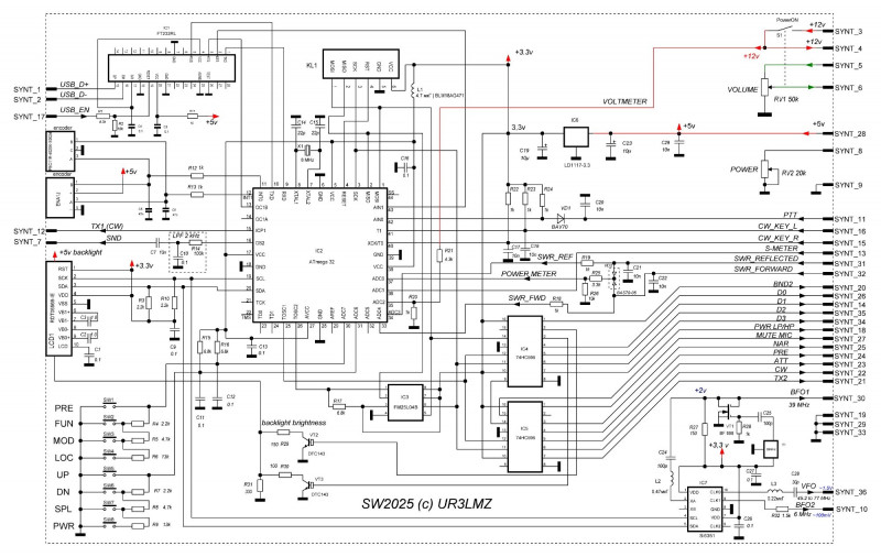
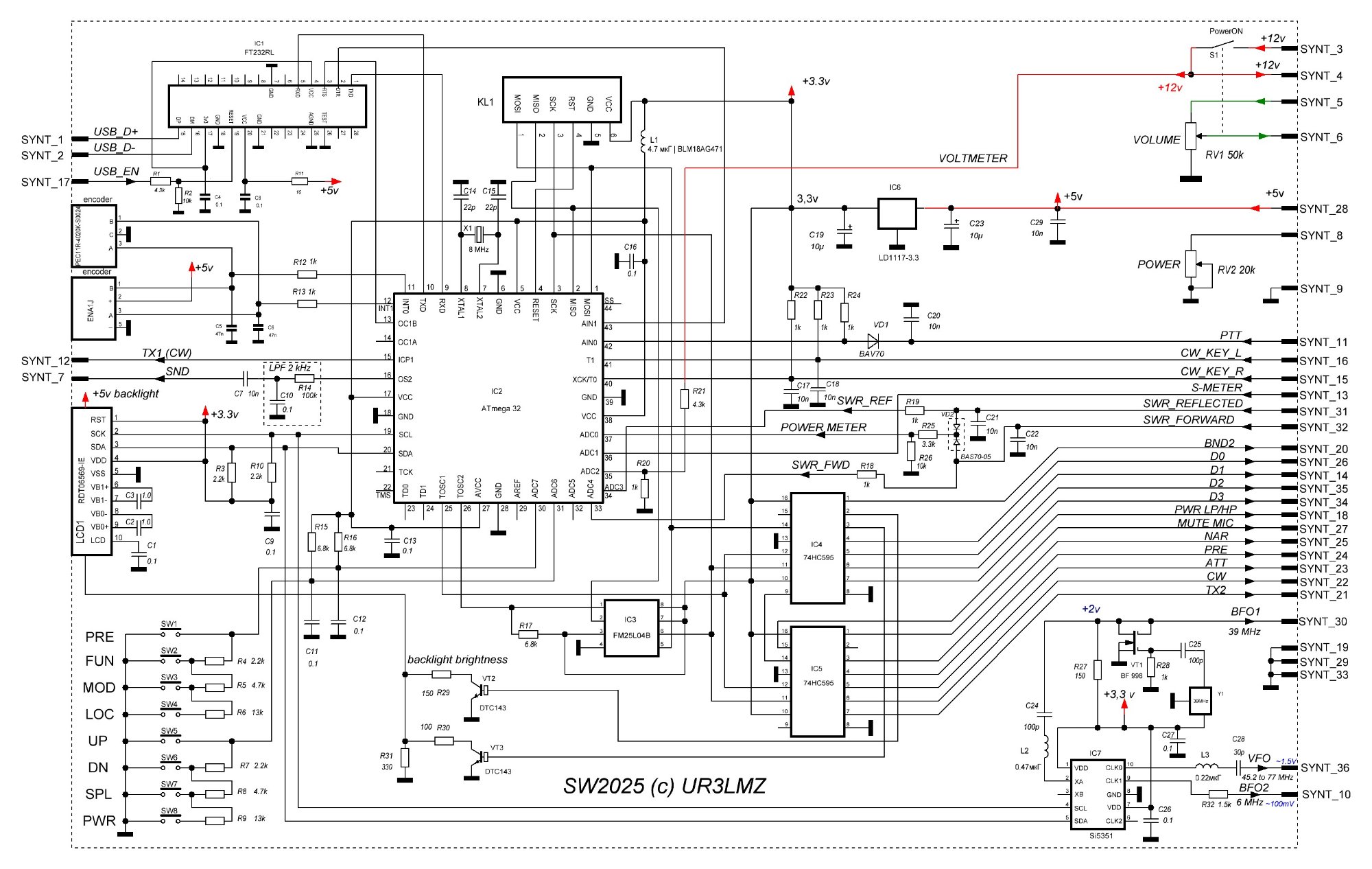
Схема, монтажки, прошивка, авторський опис - https://drive.google.com/drive/folders/ ... p412vsB2_M
Напевно на форумі було б зручно схему картинками опублікувати. З часом так зроблю, зараз схему трохи марафечу, уточнюю номінали, бо є деякі розбіжності з монтажками.
До адміністратора прохання - було б чудово топікстартеру мати постійний доступ до редагування першого поста теми. Так можна тримати всю актуальну інформацію в першому повідомленні.
Схема, монтажки, прошивка, авторський опис - https://drive.google.com/drive/folders/ ... p412vsB2_M
Напевно на форумі було б зручно схему картинками опублікувати. З часом так зроблю, зараз схему трохи марафечу, уточнюю номінали, бо є деякі розбіжності з монтажками.
До адміністратора прохання - було б чудово топікстартеру мати постійний доступ до редагування першого поста теми. Так можна тримати всю актуальну інформацію в першому повідомленні.
Re: Трансивер SW2025
Добрый день.
Хотелось бы узнать, как организована память для сохранения рабочей частоты в этой версии,
сохраняет любые частоты или только в пределах любительских диапазонов.
И второе, реально ли увеличивается мощность при увеличении напряжения питания выходного каскада, хватает ли "раскачки".
Приходилось собирать 2013, мощность возрастала на 10%
.
Хотелось бы узнать, как организована память для сохранения рабочей частоты в этой версии,
сохраняет любые частоты или только в пределах любительских диапазонов.
И второе, реально ли увеличивается мощность при увеличении напряжения питания выходного каскада, хватает ли "раскачки".
Приходилось собирать 2013, мощность возрастала на 10%
-
serge_m
- Повідомлень: 121
- З нами з: Пон лютого 17, 2025 8:10 pm
- Has thanked: 55 times
- Been thanked: 50 times
Re: Трансивер SW2025
Організація зберігання пам'яті не змінювалась з часів SW2013, наскільки мені відомо.
Серед "діапазонів", які тут мабуть коректніше було б назвати каналами пам'яті, є два "діапазони" в яких зберігається значення частоти якщо накрутили за межі аматорських діапазонів: один такий канал для частот нижче 10 МГц, один для частот вище 10 МГц. Зберігається як і раніше в FRAM FM25L04 | FM25L16
Потужність дійсно збільшується. На днях знімав показники потужності SW2025 на еквівалент 50 Ом по діапазонам, в якості вимірювача використовувався DIAMOND SX-200. Різниця LP/HP відчутна, явно більша ніж 10%. Заради 10 відсотків тим би ніхто не бавився. В цифрах свої заміри потужності давати поки не буду, бо маю великі сумніви в коректності замірів, в точності SX-200, який куплений вживаним, та і в якості кабелю RG-58 з якого зроблена перемичка від трансивера до КСХ-метра. Розкачки вистачало і раніше, а зараз з заміною в драйвері BFG591 на RD01 і поверненням живлення драйвера до 12В ситуація ще покращилась (зі слів Олександра Миколайовича). Маю старенький SW2013 який лежить в своїй коробочці як музейний експонат, якщо бажаєте - дістану і зроблю замір його потужності LP/HP на парі діапазонів.
Серед "діапазонів", які тут мабуть коректніше було б назвати каналами пам'яті, є два "діапазони" в яких зберігається значення частоти якщо накрутили за межі аматорських діапазонів: один такий канал для частот нижче 10 МГц, один для частот вище 10 МГц. Зберігається як і раніше в FRAM FM25L04 | FM25L16
Потужність дійсно збільшується. На днях знімав показники потужності SW2025 на еквівалент 50 Ом по діапазонам, в якості вимірювача використовувався DIAMOND SX-200. Різниця LP/HP відчутна, явно більша ніж 10%. Заради 10 відсотків тим би ніхто не бавився. В цифрах свої заміри потужності давати поки не буду, бо маю великі сумніви в коректності замірів, в точності SX-200, який куплений вживаним, та і в якості кабелю RG-58 з якого зроблена перемичка від трансивера до КСХ-метра. Розкачки вистачало і раніше, а зараз з заміною в драйвері BFG591 на RD01 і поверненням живлення драйвера до 12В ситуація ще покращилась (зі слів Олександра Миколайовича). Маю старенький SW2013 який лежить в своїй коробочці як музейний експонат, якщо бажаєте - дістану і зроблю замір його потужності LP/HP на парі діапазонів.
Re: Трансивер SW2025
Да, я тоже имею такой аппарат, но преобразователь (в этот экземпляр) не впаивал. Было бы интересно посмотреть на ваши замеры.Маю старенький SW2013 який лежить в своїй коробочці як музейний експонат, якщо бажаєте - дістану і зроблю замір його потужності LP/HP на парі діапазонів."
Это поможет мне понять, где я ошибся.
А в общем аппарат хороший, это самый (все семейство) технологичный любительский трансивер! В конструкции всего два проводка до динамика! Автор-молодец!
И еще, я тоже думаю, что замена драйвера на RD01 должна дать положительный результат, мне часто встречались "плохие 591е". будут интересны Ваши замеры.
-
serge_m
- Повідомлень: 121
- З нами з: Пон лютого 17, 2025 8:10 pm
- Has thanked: 55 times
- Been thanked: 50 times
Re: Трансивер SW2025
SW2013
Міряю осцилографом діюче значення напруги на еквіваленті 50 Ом
Частота 3,650 МГц
Режим LP - 32 Вольта = ~20 Ват
Режим HP - 44 Вольта = ~39 Ват
Частота 21,200 МГц
Режим LP - 28 Вольт = ~15 Ват
Режим HP - 44 Вольта = ~39 Ват
Частота 28,500 МГц
Режим LP - 24 Вольта = ~11,5 Ват
Режим HP - 38 Вольт = ~29 Ват
Міряю осцилографом діюче значення напруги на еквіваленті 50 Ом
Частота 3,650 МГц
Режим LP - 32 Вольта = ~20 Ват
Режим HP - 44 Вольта = ~39 Ват
Частота 21,200 МГц
Режим LP - 28 Вольт = ~15 Ват
Режим HP - 44 Вольта = ~39 Ват
Частота 28,500 МГц
Режим LP - 24 Вольта = ~11,5 Ват
Режим HP - 38 Вольт = ~29 Ват
-
serge_m
- Повідомлень: 121
- З нами з: Пон лютого 17, 2025 8:10 pm
- Has thanked: 55 times
- Been thanked: 50 times
Re: Трансивер SW2025
Як з'являться питання - запросимо. Що відбувається на тому форумі - я не слідкую.
Тим часом трохи причесав схему підсилювача потужності SW2025. Раніше на одному аркуші з підсилювачем була ще схема перетворювача напруги, але, оскільки перетворювач напруги фізично розташований не на платі підсилювача потужності, я виніс перетворювач на окремий аркуш щоб він впливав на нумерацію компонентів підсилювача потужності. Оновлений варіант схеми викладаю в графічному вигляді. Бачите неточності - пишіть, буду виправляти.