Підсилювач на двох ГУ-50 на 80, 40 та 20 м з імпульсним блоком живлення

UR5VFT
Повідомлень: 557
З нами з: Вів січня 17, 2023 6:22 pm
Позивний: UR5VFT
Has thanked: 546 times
Been thanked: 111 times

Підсилювач на двох ГУ-50 на 80, 40 та 20 м з імпульсним блоком живлення

Повідомлення UR5VFT »

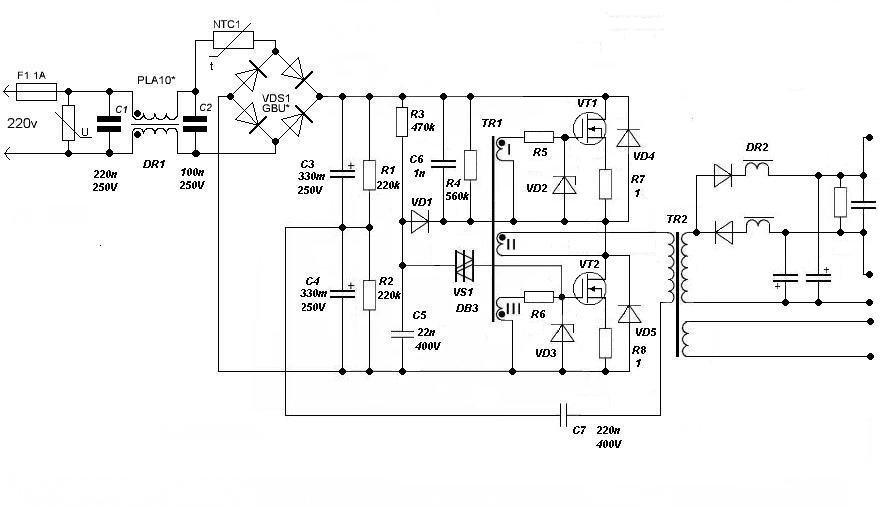
- Може когось зацікавить або хтось робив імпульсні блоки живлення для підсилювачів зараз напевно простіше зробити такий бп. чим мотати на залізі схема в папці  поділіться ..73!
- https://www.youtube.com/watch?v=SyTXEuqvPUw
 
 
Вкладення
dPMN-_yOm0o.jpg
бп импульс на гу 50.rar
(2.86 МіБ) Завантажено 714 разів
oldPsyho
Повідомлень: 634
З нами з: П'ят жовтня 14, 2022 4:13 pm
Звідки: KO40ig
Позивний: UR5XOU
Has thanked: 184 times
Been thanked: 70 times

Re: Підсилювач на двох ГУ-50 на 80, 40 та 20 м з імпульсним блоком живлення

Повідомлення oldPsyho »

UR5VFT писав: Вів січня 28, 2025 12:19 am - Може когось зацікавить або хтось робив імпульсні блоки живлення для підсилювачів зараз напевно простіше зробити такий бп. чим мотати на залізі схема в папці  поділіться ..73!
- https://www.youtube.com/watch?v=SyTXEuqvPUw
 
 



 
Бачив я подібні схеми ІБЖ. Але вони паршиво працюють з потужними навантаженями  (300+ вт).
І ще одне. ВВ обмотка (+850в) при такій напрузі здатна до коронного розряду. ІМХО, краще зробити кілька меньших і з'єднати послідовно...
HER108 в випрямлячі та без кераміки... гмгм... і захисту ніякого нема. найменьший кз і хана ключам з діодним мостом.

ось схема з цієї ж опери.

 
 
 
Вкладення
78.JPG.e2e93817c94ead290d87c389cbdf575f.jpg
UR5VFT
Повідомлень: 557
З нами з: Вів січня 17, 2023 6:22 pm
Позивний: UR5VFT
Has thanked: 546 times
Been thanked: 111 times

Re: Підсилювач на двох ГУ-50 на 80, 40 та 20 м з імпульсним блоком живлення

Повідомлення UR5VFT »

- схеми і я можу викласти. цікавить практичне застосування
 
oldPsyho
Повідомлень: 634
З нами з: П'ят жовтня 14, 2022 4:13 pm
Звідки: KO40ig
Позивний: UR5XOU
Has thanked: 184 times
Been thanked: 70 times

Re: Підсилювач на двох ГУ-50 на 80, 40 та 20 м з імпульсним блоком живлення

Повідомлення oldPsyho »

UR5VFT писав: Сер січня 29, 2025 1:09 pm - схеми і я можу викласти. цікавить практичне застосування
 


 
Тобто? Саме в підсилювачах? чи в цілому?

Якщо в цілому, то наприклад SMPS використовують в саморобних лампових ПНЧ.
Стосовно кабанчика, то на одному кацапському форумі, є ціла тема про імпульсний БЖ для підсилювача КВ.
 
UR5VFT
Повідомлень: 557
З нами з: Вів січня 17, 2023 6:22 pm
Позивний: UR5VFT
Has thanked: 546 times
Been thanked: 111 times

Re: Підсилювач на двох ГУ-50 на 80, 40 та 20 м з імпульсним блоком живлення

Повідомлення UR5VFT »

- так на підсилювачах. поки знаю реально працюючий ДБЖ в підсилювачі на 2х гі 7б і в лампових підсилювачах нч.  але є бажання для поїздок зібрати невеликий та легкий  наприклад на гу72 з ібп 73!
 
 
 
UR5VFT
Повідомлень: 557
З нами з: Вів січня 17, 2023 6:22 pm
Позивний: UR5VFT
Has thanked: 546 times
Been thanked: 111 times

Re: Підсилювач на двох ГУ-50 на 80, 40 та 20 м з імпульсним блоком живлення

Повідомлення UR5VFT »

- Вітаю. Вчора друг попросив зробити кв підсилювач на двох 6п45с для фт8 і хоче для анодного (вже замовив 300 воль 0.5 а) такий ібж - хтось застосовував?-        https://de.aliexpress.com/item/10050084 ... ry_from%3A
 
oldPsyho
Повідомлень: 634
З нами з: П'ят жовтня 14, 2022 4:13 pm
Звідки: KO40ig
Позивний: UR5XOU
Has thanked: 184 times
Been thanked: 70 times

Re: Підсилювач на двох ГУ-50 на 80, 40 та 20 м з імпульсним блоком живлення

Повідомлення oldPsyho »

Сумніваюсь, що вийде переробити LED бж. Простіше зробити з нуля.
UR5VFT
Повідомлень: 557
З нами з: Вів січня 17, 2023 6:22 pm
Позивний: UR5VFT
Has thanked: 546 times
Been thanked: 111 times

Re: Підсилювач на двох ГУ-50 на 80, 40 та 20 м з імпульсним блоком живлення

Повідомлення UR5VFT »

oldPsyho писав: П'ят лютого 21, 2025 2:23 pm Сумніваюсь, що вийде переробити LED бж. Простіше зробити з нуля.


 
- Переробляти бж цієї фірми не треба. ось наприклад працює в ламповому підсилювачі. до речі і розпалювання ламп теж. будемо пробувати думаю ват 80 отримаю 73!
 
Вкладення
img_20220727_204605_52504973467_o.jpg
Freddy
Повідомлень: 293
З нами з: П'ят лютого 10, 2023 7:00 pm
Has thanked: 25 times
Been thanked: 49 times

Re: Підсилювач на двох ГУ-50 на 80, 40 та 20 м з імпульсним блоком живлення

Повідомлення Freddy »

Робив імпульсний бж 1000в 1а.  До установки в підсилювач не дійшло . Великих проблем не було але не бюджетно . Для малих підсилювачів не дуже вигідно в економічному плані .
oldPsyho
Повідомлень: 634
З нами з: П'ят жовтня 14, 2022 4:13 pm
Звідки: KO40ig
Позивний: UR5XOU
Has thanked: 184 times
Been thanked: 70 times

Re: Підсилювач на двох ГУ-50 на 80, 40 та 20 м з імпульсним блоком живлення

Повідомлення oldPsyho »

Freddy писав: П'ят лютого 21, 2025 9:04 pm Робив імпульсний бж 1000в 1а.  До установки в підсилювач не дійшло . Великих проблем не було але не бюджетно . Для малих підсилювачів не дуже вигідно в економічному плані .

 
Цікаво, а яка топологія і який шим контролер? і дуже цікавить випрямляч на 1000в
 
Відповісти