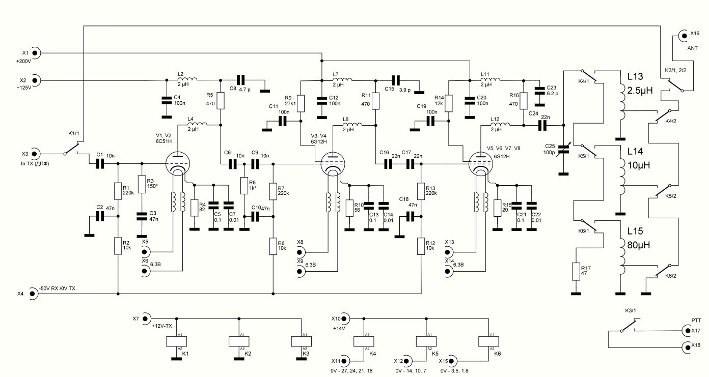
Це схема заживлення аперіодичного підсилювача, вона працює. Є в неті але на ру сайті. Інші методи заживлення не дають такої широкої полоси, 1,5-30 МГц. С6 R6 C9 можно просто одним С6 обійтись
Пошук дав 37 результатів
- Нед квітня 06, 2025 6:29 pm
- Форум: Лампова техніка
- Тема: Реверсивний змішувач
- Відповіді: 27
- Перегляди: 114482
- Нед квітня 06, 2025 10:03 am
- Форум: Лампова техніка
- Тема: Реверсивний змішувач
- Відповіді: 27
- Перегляди: 114482
Re: Реверсивний змішувач
R6 вирівнює АЧХ, С16, 17 просто перехід між платами. R10 катодний опір.
- Суб квітня 05, 2025 7:20 pm
- Форум: Лампова техніка
- Тема: Реверсивний змішувач
- Відповіді: 27
- Перегляди: 114482
Re: Реверсивний змішувач
Посилювач ВЧ
- Пон березня 18, 2024 8:36 pm
- Форум: Лампова техніка
- Тема: Реверсивний змішувач
- Відповіді: 27
- Перегляди: 114482
Re: Реверсивний змішувач
Трансівер на нувісторах. Де які помилки?
- Пон лютого 19, 2024 4:58 pm
- Форум: Лампова техніка
- Тема: Шанувальники лампових конструкцій.
- Відповіді: 115
- Перегляди: 626783
Re: Шанувальники лампових конструкцій.
Поки немає ніякої, не визначився. 1П24Б немає, на нувісторах теж не бачив ват на 1-2-3.
Просто вихід змішувача.
Просто вихід змішувача.
- Нед лютого 18, 2024 8:05 pm
- Форум: Лампова техніка
- Тема: Шанувальники лампових конструкцій.
- Відповіді: 115
- Перегляди: 626783
Re: Шанувальники лампових конструкцій.
Все просто, потрібно було навантажити змішувач 50 Ом.
Різниця є але не така критична. Десь біля 300 мВ пік-пік, то може бути чи мало?
Більше нема ніяких схем?
Різниця є але не така критична. Десь біля 300 мВ пік-пік, то може бути чи мало?
Більше нема ніяких схем?
- Суб лютого 17, 2024 8:13 pm
- Форум: Лампова техніка
- Тема: Шанувальники лампових конструкцій.
- Відповіді: 115
- Перегляди: 626783
Re: Шанувальники лампових конструкцій.
NWT-7 показує пряму майже, спад після 35 десь пару Дб.
Кільця ніби 400НН. Індуктивність обмотки 65 микро Генрі.
ТВО видає більше втрат в порівнянні з кільцем.
І в змішувачі хуже працює, міняв місцями.
На виході з ДПФ різниця між 3,5 і 28 досить велика.
Кільця ніби 400НН. Індуктивність обмотки 65 микро Генрі.
ТВО видає більше втрат в порівнянні з кільцем.
І в змішувачі хуже працює, міняв місцями.
На виході з ДПФ різниця між 3,5 і 28 досить велика.
- Суб лютого 17, 2024 2:02 am
- Форум: Лампова техніка
- Тема: Шанувальники лампових конструкцій.
- Відповіді: 115
- Перегляди: 626783
Re: Шанувальники лампових конструкцій.
Як підняти рівень виходу на передачу на 28 МГц? Змішувач балансний на 6С51Н, транс на кільці К17,5х8х5 15 витків скрутки дротом 0,3 мм.
- Сер лютого 14, 2024 10:04 pm
- Форум: Лампова техніка
- Тема: Шанувальники лампових конструкцій.
- Відповіді: 115
- Перегляди: 626783
Re: Шанувальники лампових конструкцій.
Є сенс замінити транс на кільці на транс з об'ємним витком у змішувачі на передачу?
- Сер лютого 14, 2024 4:09 pm
- Форум: Лампова техніка
- Тема: Шанувальники лампових конструкцій.
- Відповіді: 115
- Перегляди: 626783
Re: Шанувальники лампових конструкцій.
В чому перевага трансформатора об'ємного витка?